GM Service Manual Online
For 1990-2009 cars only

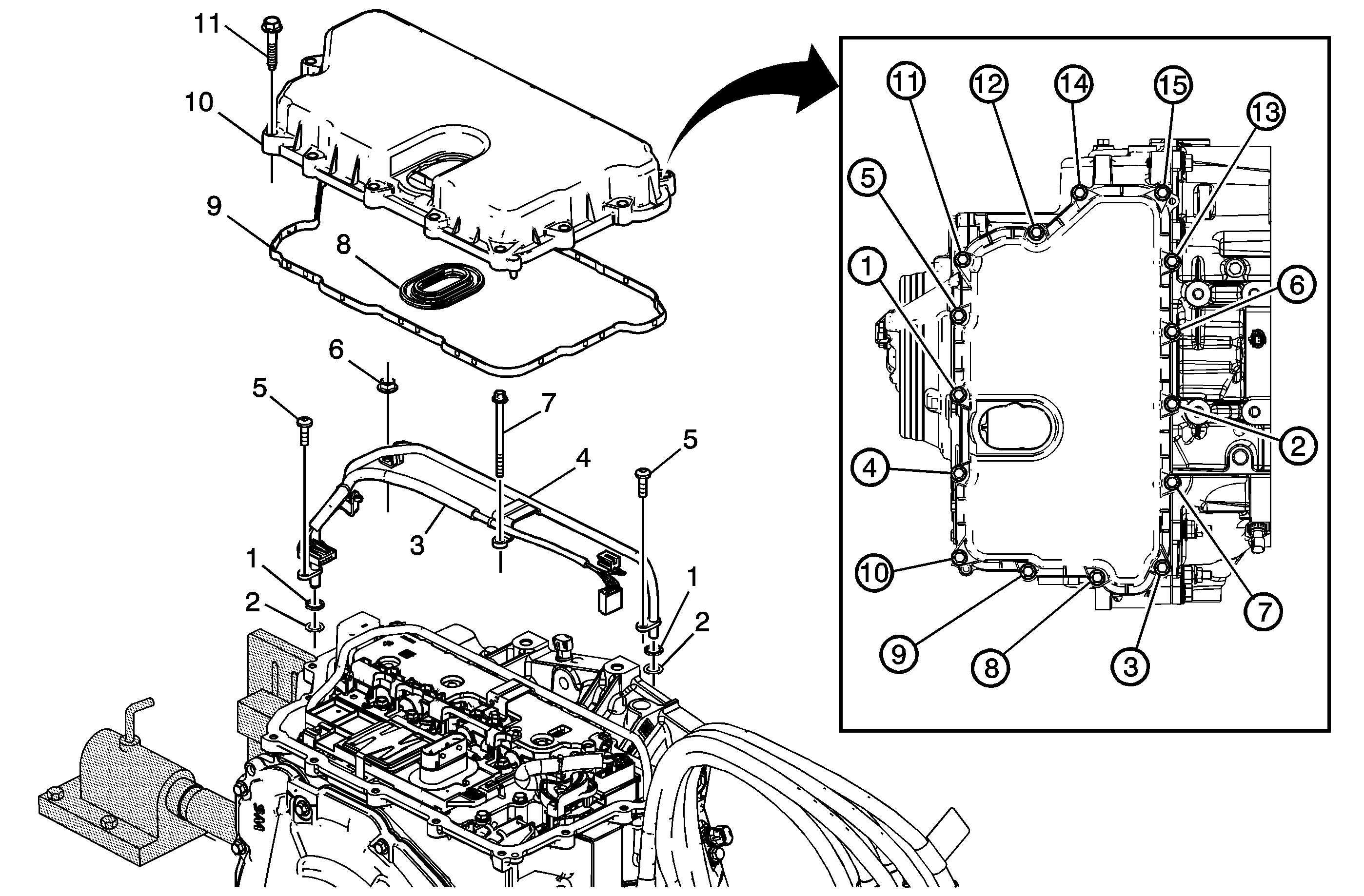
Object Number: 2047447  Size: LF

Callout

Component Name

1

Nylon O-Ring

2

Transmission Fluid Cooler Outlet Seal

3

A/Trans Wiring Extension Harness Assembly

Procedure

Make sure you connect all four connectors on the wiring harness in the appropriate locations.

Tip
The wiring harness is attached to the fluid cooler outlet pipe and will come out together.

4

Transmission Fluid Cooler Outlet Pipe Assembly

5

Generator/Drive Motor Position Sensor Bolt M5 x 15 mm (Qty: 2)

Caution: Refer to Fastener Caution in the Preface section.

Tighten
7 N·m (62 lb in)

6

Variable Drive Pulley Retaining Nut

Tighten
9 N·m (80 lb in)

7

Control Valve Body Bolt M6 x 75 mm (Qty: 1)

Tighten
9 N·m (80 lb in)

8

Control Valve Body Cover Wiring Connector Hole Seal

9

Control Valve Body Cover Gasket

10

Control Valve Body Cover Assembly

11

Control Valve Body Cover Bolt M6 x 30 mm (Qty: 15)

Procedure

Tighten the bolts in sequence shown.

Tighten
9 N·m (80 lb in)