GM Service Manual Online
For 1990-2009 cars only

CAMPAIGN: PRODUCT SAFETY-FUEL LEAKAGE AT TBI FUEL FEED CONN.

The National Traffic and Motor Vehicle Safety Act, amended, provides that each vehicle which is subject to a recall campaign of this type must be adequately repaired within a reasonable time after the owner has tendered it for repair. A failure to adequately repair within 60 days after tender of a vehicle is prima facie evidence of failure to repair within a reasonable time. If the condition is not adequately repaired within a reasonable time, the owner may be entitled to an identical or reasonably equivalent vehicle at no charge or to a refund of the purchase price less a reasonable allowance for depreciation.

To avoid having to provide these burdensome solutions, every effort must be made to promptly schedule an appointment with each owner and to repair their vehicle as soon as possible. As you will see in reading the attached copy of the letter which is being sent to owners, the owners are being instructed to contact the nearest Chevrolet Zone Office if their dealer does not remedy the condition within five days of the mutually agreed upon service date. If the condition is not remedied within a reasonable time, they are instructed on how to contact the National Highway Traffic Safety Administration.

DEFECT INVOLVED

General Motors has determined that a defect which relates to motor vehicle safety exists in certain early production 1983 Chevrolet Cavalier models equipped with 2.0 liter engines (RPO LQ5). The fuel system in these vehicles may leak at the Throttle Body Injection fuel feed pipe connection. Under certain conditions this could result in an underhood fire. Such a fire could, in time, spread to the passenger compartment and cause burn injuries to occupants remaining in the vehicle.

VEHICLES INVOLVED

Involved are certain early production 1983 Chevrolet Cavalier models equipped with RPO LQ5 (2.0L engines) and identified within the following vehicle breakpoints:

Plant From Through

Lordstown D7100001 D7106198 Janesville DJ100001 DJ105998

Involved vehicles have been identified by Vehicle Identification Number Computer Listings. Computer listings contain the complete Vehicle Identification Number, owner name and address data, and are furnished to the involved dealers with the campaign bulletin. owner name and address data furnished will enable dealers to follow-up with owners involved in this campaign.

These listings may contain owner names and addresses obtained from State Motor Vehicle Registration Records. The use of such motor vehicle registration data for any other purpose is a violation of law in several states. Accordingly, you are urged to limit the use of this listing to the follow-up necessary to complete this campaign. Any dealer not receiving a computer listing with the campaign bulletin was not shipped any involved vehicles.

OWNER NOTIFICATION

Owners will be notified of this campaign on their vehicles by Chevrolet Motor Division (see copy of Owner Letter included with this bulletin).

DEALER CAMPAIGN RESPONSIBILITY

Dealers are to service all vehicles subject to this campaign, regardless of mileage, age of vehicle, or ownership, from this time forward.

Whenever a vehicle subject to this campaign is taken into your new or used vehicle inventory or it is in your dealership for service in the future, you should take the steps necessary to be sure the campaign correction has been made.

SERVICE PROCEDURE

CAUTION:

To reduce the risk of fire and personal injury, it is necessary to relieve the fuel system pressure before servicing fuel system components.

To do this:

1. Remove fuse marked "Fuel Pump" from fuse block in passenger compartment.

2. Crank engine - engine will start and run until fuel supply remaining in fuel lines is consumed. When engine stops engage starter again for 3.0 seconds to assure relief of any remaining pressure.

3. With ignition "OFF", replace "Fuel Pump" fuse.

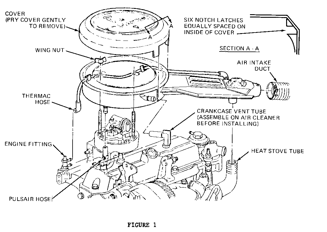
1. Remove air cleaner cover (plastic) and air cleaner assembly. See Figure 1.

CARE SHOULD BE USED WHEN REMOVING AIR CLEANER BASE SO AS NOT TO STRETCH (PLASTIC) THERMAC VACUUM SUPPLY LINE BEFORE DISCONNECTING FROM MANIFOLD VACUUM TREE. LEAVE CRANKCASE VENTILATION HOSE ATTACHED TO AIR CLEANER AND REMOVE FROM VALVE COVER WITH AIR CLEANER ASSEMBLY.

2. Inspect the gold colored bolt which attaches the banjo fitting to the TBI unit. See Figure 2.

If the bolt head has a black stripe or black paint, reinstall the air cleaner and air cleaner cover and proceed to Step No. 15.

3. Remove distributor cap and rotor.

4. Remove fuel supply line banjo fitting bolt from TBI unit and two(2) nylon sealing washers (inboard and outboard). Discard bolt and washers. See Figure 2.

CARE SHOULD BE TAKEN SO THAT FUEL SUPPLY LINE IS NOT DEFORMED. THIS WILL EASE INSTALLATION OF NEW PARTS.

5. Install one new lead coated washer (gasket) on a new bolt (black paint on head) and insert into banjo fitting. See Figure 2.

6. Install second lead coated washer between banjo fitting and injector body. See Figure 2.

ON A "HOT TO TOUCH" ENGINE, IT MAY BE NECESSARY TO PULL FUEL LINE TOWARDS THROTTLE CABLE RETAINER BRACKET AND INSTALL GASKET OVER BANJO FITTING BOLT. DO NOT DEFORM FUEL LINE AS MISALIGNMENT BETWEEN BANJO AND TBI SEAL SURFACE MAY OCCUR.

7. Thread banjo fitting bolt into injector body. Verify that washers are in the correct position before torquing.

DO NOT LUBE GASKETS OR BOLT THREADS.

8. Attach Kent Moore Tool #J34062 (1983 essential tool) on a pointer readout beam type torque wrench. Do not use a "clicker" or a dial (circular readout) type torque wrench. See Figure 3 and 4.

9. Torque banjo fitting bolt to 33 N.m (24 ft.lbs. and 288 in.lbs.).

IT IS IMPORTANT THAT TORQUE BE APPLIED AT A SLOW AND CONSTANT RITE. OVERTORQUE MAX RESULT IN BOLT FAILURE.

10. Reinstall rotor and distributor cap.

11. Plug open vacuum fitting on inlet manifold vacuum tree.

12. Start engine and check for fuel leaks.

13. Remove vacuum plug.

14. Install air cleaner assembly making sure vacuum supply line, running from air cleaner retainer clip to thermac temperature switch, is not pinched between air cleaner and TBI isolator unit. See Figure 1.

Assure that (1) fresh air supply hose, (2) crankcase ventilation hose and (3) heat stove tube are re-attached to base of air cleaner assembly.

15. Install campaign label. Campaign Number 83C01.

PARTS INFORMATION

The parts required to complete this modification are being distributed from Chevrolet Central Office as parts become available. Parts will be furnished to involved dealers on a no charge basis.

Part Number Quantity Description

14069078 1 Per Vehicle Bolt 14072733 2 Per Vehicle Washer (gasket)

Parts are not to be ordered or returned to WDDGM.

CLAIM INFORMATION

Submit a Product Claim with the information indicated below:

Failure Labor Labor *Other Code Operation Hours Hours

00 V1390 .2 .1

Description: Inspect banjo fitting bolt in accordance with the specific instructions outlined in the Service Procedure of this bulletin. If black paint is present on bolt head, no further action required.

00 V1391 .3 .1

Description: Install new banjo fitting bolt and (2) new washers (gasket) in accordance with the specific instructions outlined in the Service Procedure of this campaign bulletin.

*Campaign Administrative Allowance

Dealers will automatically receive the correct labor allowance based on the labor operation performed. Dealers will likewise receive 30% of net only for parts furnished at no charge by Chevrolet. (DMN $.50)

Refer to the Chevrolet Claims Processing Manual for details on Product Campaign claim submission.

CAMPAIGN IDENTIFICATION LABEL

Each vehicle modified in accordance with the instructions outlined in this Product Campaign Bulletin will require a "Campaign Identification Label". Each label provides a space to include the five digit dealer code of the dealer performing the campaign service. This information may be inserted with a typewriter or ballpoint pen.

Each "Campaign Identification Label" is to be located on the radiator core support in an area which will be visible when the vehicle is brought in for periodic servicing by the owner.

Apply "Campaign Identification Label" only on a clean dry surface.

ADMINISTRATIVE PROCEDURE

REFER TO THE CURRENT CHEVROLET SERVICE POLICIES AND PROCEDURES MANUAL AND CLAIMS PROCESSING MANUAL FOR CAMPAIGN HANDLING AND ADMINISTRATIVE PROCEDURES.

Dear Chevrolet Owner:

This notice is sent to you in accordance with the requirements of the National Traffic and Motor Vehicle Safety Act.

General Motors has determined that a defect which relates to motor vehicle safety exists in certain early production 1983 Chevrolet Cavalier models equipped with 2.0 liter engines (RPO LQ5). The fuel system in these vehicles may leak at the Throttle Body Injection fuel feed pipe connection. Under certain conditions this could result in an underhood fire. Such a fire could, in time, spread to the passenger compartment and cause burn injuries to occupants remaining in the vehicle.

To prevent the possibility of this condition occurring on your vehicle, please contact your Chevrolet Dealer on or after the date shown below to arrange a service date to have your vehicle corrected. Correction involves the replacement of the fuel feed line fitting bolt and two washers (gaskets). This service will be performed at no charge to you.

Instructions for making this correction have been sent to your Chevrolet Dealer. Parts will be available approximately October 20, 1982. The labor time necessary to perform this correction is approximately twenty minutes. Please allow additional time for the dealer to process your order.

If you take your vehicle to your dealer on the agreed service date and they do not remedy this condition without charge on that date or within five days, you should contact your nearest Chevrolet Zone Office, either in person or by telephone, for assistance. The locations and phone numbers of the Zone Offices are listed in your Owner's Manual. If your dealer or General Motors fails or is unable to remedy this condition without charge within a reasonable time, you may wish to notify the Administrator, National Highway Traffic Safety Administration, 400 Seventh Street, S.W., Washington, D.C. 20590.

The enclosed owner reply card identifies your vehicle. Presentation of this card to your dealer will assist them in making the necessary correction to your vehicle in the shortest possible time. If you have sold or traded your vehicle, please let us know by completing the postage paid owner reply card and returning it to us.

We are sorry to cause you this inconvenience; however, we have taken this action in the interest of your safety and continued satisfaction with our products.


Object Number: 80747  Size: FS


Object Number: 93733  Size: MF


Object Number: 77515  Size: FS


Object Number: 87578  Size: LF


Object Number: 95306  Size: SH

General Motors bulletins are intended for use by professional technicians, not a "do-it-yourselfer". They are written to inform those technicians of conditions that may occur on some vehicles, or to provide information that could assist in the proper service of a vehicle. Properly trained technicians have the equipment, tools, safety instructions and know-how to do a job properly and safely. If a condition is described, do not assume that the bulletin applies to your vehicle, or that your vehicle will have that condition. See a General Motors dealer servicing your brand of General Motors vehicle for information on whether your vehicle may benefit from the information.