GM Service Manual Online
For 1990-2009 cars only
Figure 1:

Power, Ground, MIL, and DLC


Object Number: 25316  Size: FS
Engine Controls Components
Powertrain Control Module (PCM) General Description
Ignition Controls
Handling ESD Sensitive Parts Notice
OBD II Symbol Description Notice
Handling ESD Sensitive Parts Notice
Figure 2:

Ignition Controls


Object Number: 25320  Size: FS
Engine Controls Components
Electronic Ignition (EI) System
Fuel Controls
Power, Ground, MIL, and DLC
OBD II Symbol Description Notice
Handling ESD Sensitive Parts Notice
Figure 3:

Fuel Controls


Object Number: 25323  Size: FS
Engine Controls Components
Fuel Metering System Components
Engine Data Sensors
Ignition Controls
OBD II Symbol Description Notice
Handling ESD Sensitive Parts Notice
Figure 4:

Engine Data Sensors


Object Number: 25331  Size: FS
Engine Controls Components
Information Sensors
EVAP and EGR Controls
Fuel Controls
OBD II Symbol Description Notice
Handling ESD Sensitive Parts Notice
Figure 5:

EVAP and EGR Controls


Object Number: 25332  Size: FS
Engine Controls Components
Exhaust Gas Recirculation (EGR) System
Oxygen Sensors
Engine Data Sensors
OBD II Symbol Description Notice
Handling ESD Sensitive Parts Notice
Figure 6:

Oxygen Sensors


Object Number: 25336  Size: FS
Engine Controls Components
Information Sensors
IAC Valve, Generator, TR, Oil, and Coolant Switches
EVAP and EGR Controls
OBD II Symbol Description Notice
Handling ESD Sensitive Parts Notice
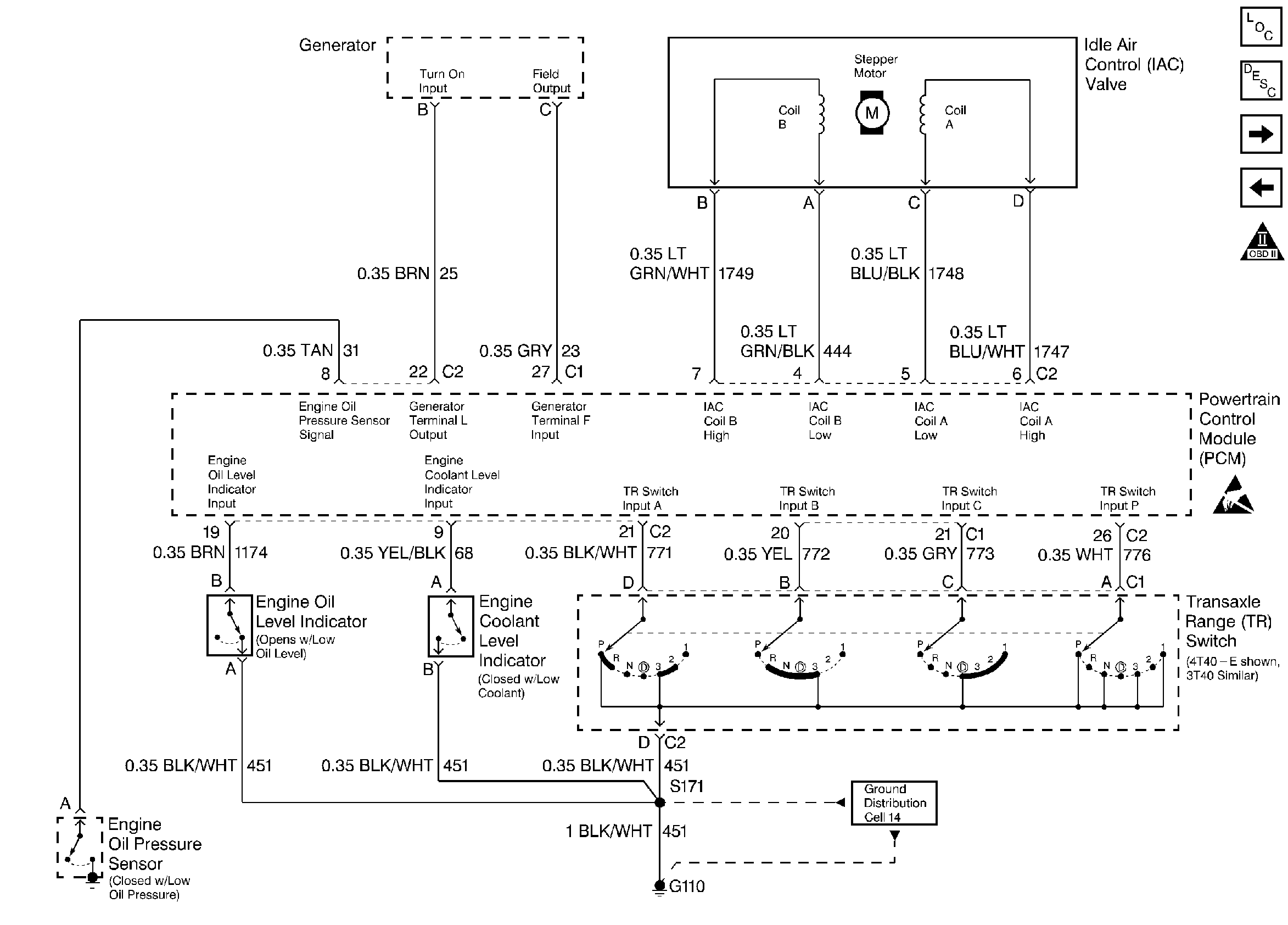
Figure 7:

IAC Valve, Generator, TR, Oil, and Coolant Switches


Object Number: 25339  Size: FS
Engine Controls Components
Powertrain Control Module Inputs Diagnosis
VSS and Cruise Control
Oxygen Sensors
OBD II Symbol Description Notice
Handling ESD Sensitive Parts Notice
Figure 8:

VSS and Cruise Control


Object Number: 25344  Size: FS
Engine Controls Components
Powertrain Control Module Inputs Diagnosis
Transaxle Controls (Solenoids)
IAC Valve, Generator, TR, Oil, and Coolant Switches
OBD II Symbol Description Notice
Handling ESD Sensitive Parts Notice
Handling ESD Sensitive Parts Notice
Handling ESD Sensitive Parts Notice
Handling ESD Sensitive Parts Notice
Figure 9:

Transaxle Controls (Solenoids)


Object Number: 25347  Size: FS
Engine Controls Components
Powertrain Control Module (PCM) General Description
Transaxle Controls (Switches)
VSS and Cruise Control
OBD II Symbol Description Notice
Handling ESD Sensitive Parts Notice
Figure 10:

Transaxle Controls (Switches)


Object Number: 25349  Size: FS
Engine Controls Components
Powertrain Control Module (PCM) General Description
A/C Controls
Transaxle Controls (Solenoids)
OBD II Symbol Description Notice
Handling ESD Sensitive Parts Notice
Handling ESD Sensitive Parts Notice
Figure 11:

A/C Controls


Object Number: 25351  Size: FS
Engine Controls Components
Powertrain Control Module Controlled Air Conditioning
Cooling Fan Controls
Transaxle Controls (Switches)
OBD II Symbol Description Notice
Handling ESD Sensitive Parts Notice
Figure 12:

Cooling Fan Controls


Object Number: 25354  Size: FS
Engine Controls Components
Electric Cooling Fan
A/C Controls
OBD II Symbol Description Notice
Handling ESD Sensitive Parts Notice