GM Service Manual Online
For 1990-2009 cars only
Makes
🢒
Chevrolet
🢒
1996
🢒
Cavalier
🢒
Engine
🢒
Engine Electrical
🢒 Starting and Charging Schematics
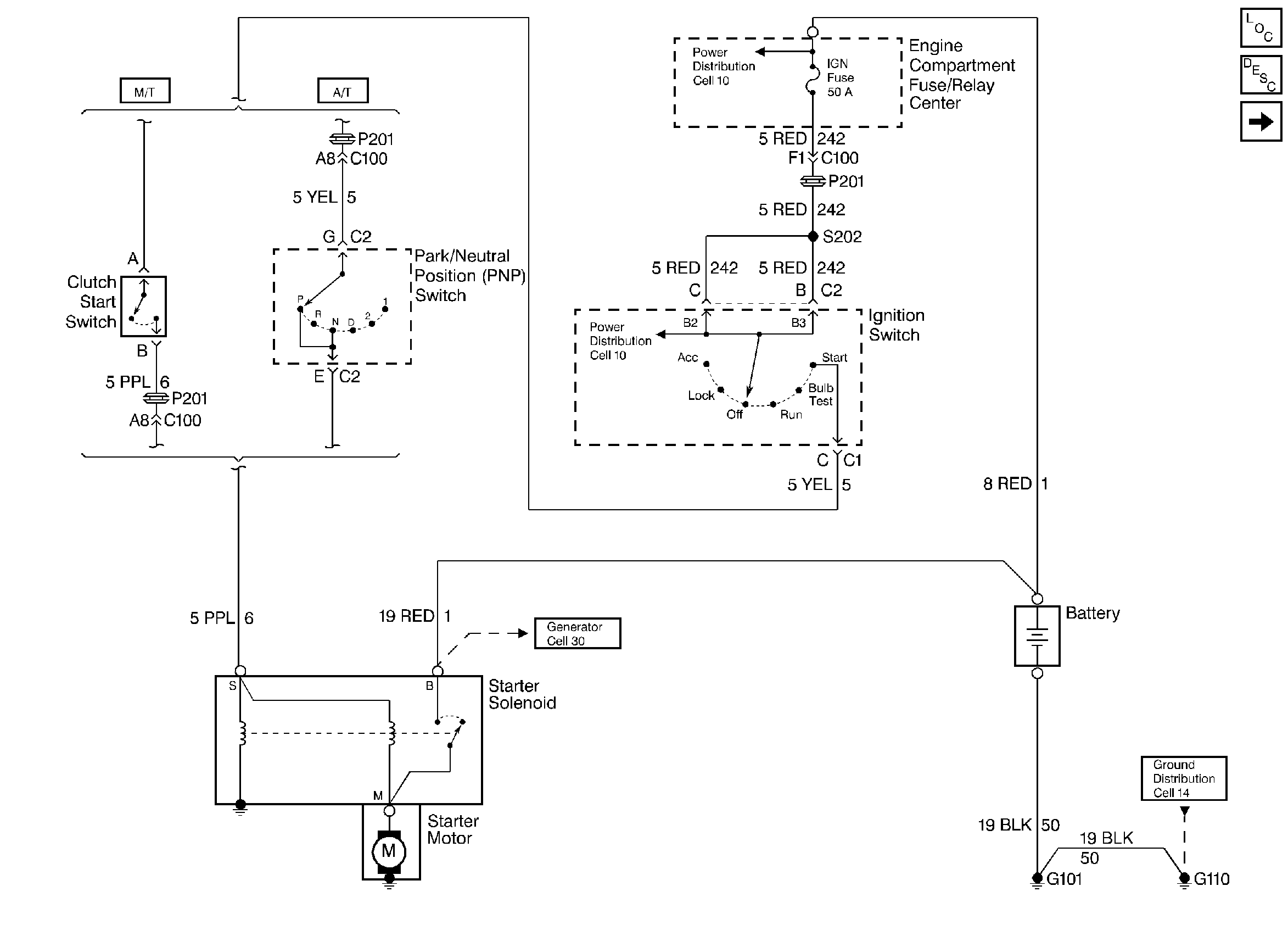
Figure
1:
Starting System
Starting and Charging Components
Starting and Charging Circuit
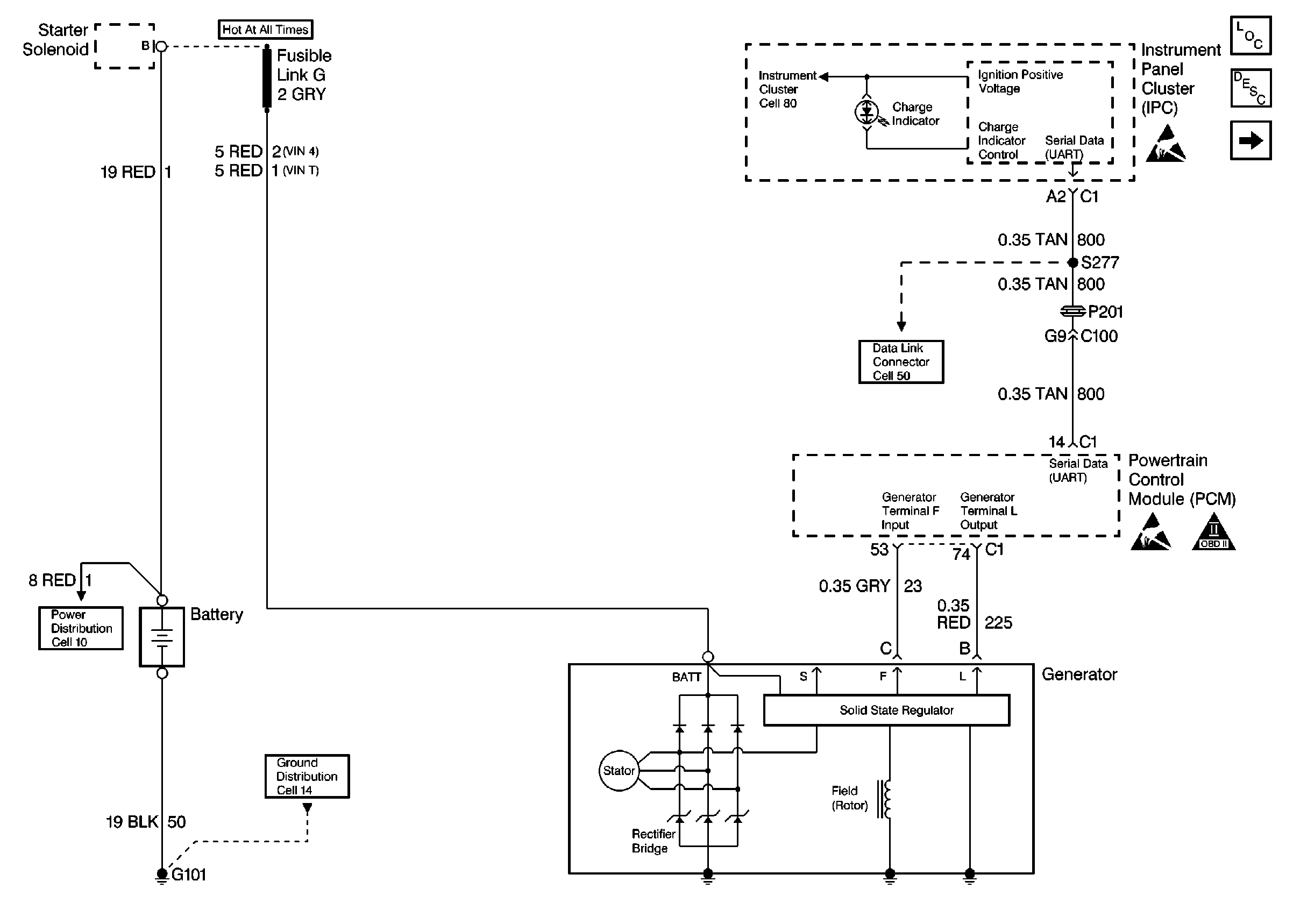
Charging System
Figure
2:
Charging System
Starting and Charging Components
Starting and Charging Circuit
Starting System
OBD II Symbol Description Notice
Handling ESD Sensitive Parts Notice
Handling ESD Sensitive Parts Notice