GM Service Manual Online
For 1990-2009 cars only

Refer to

Cooling Fan Controls


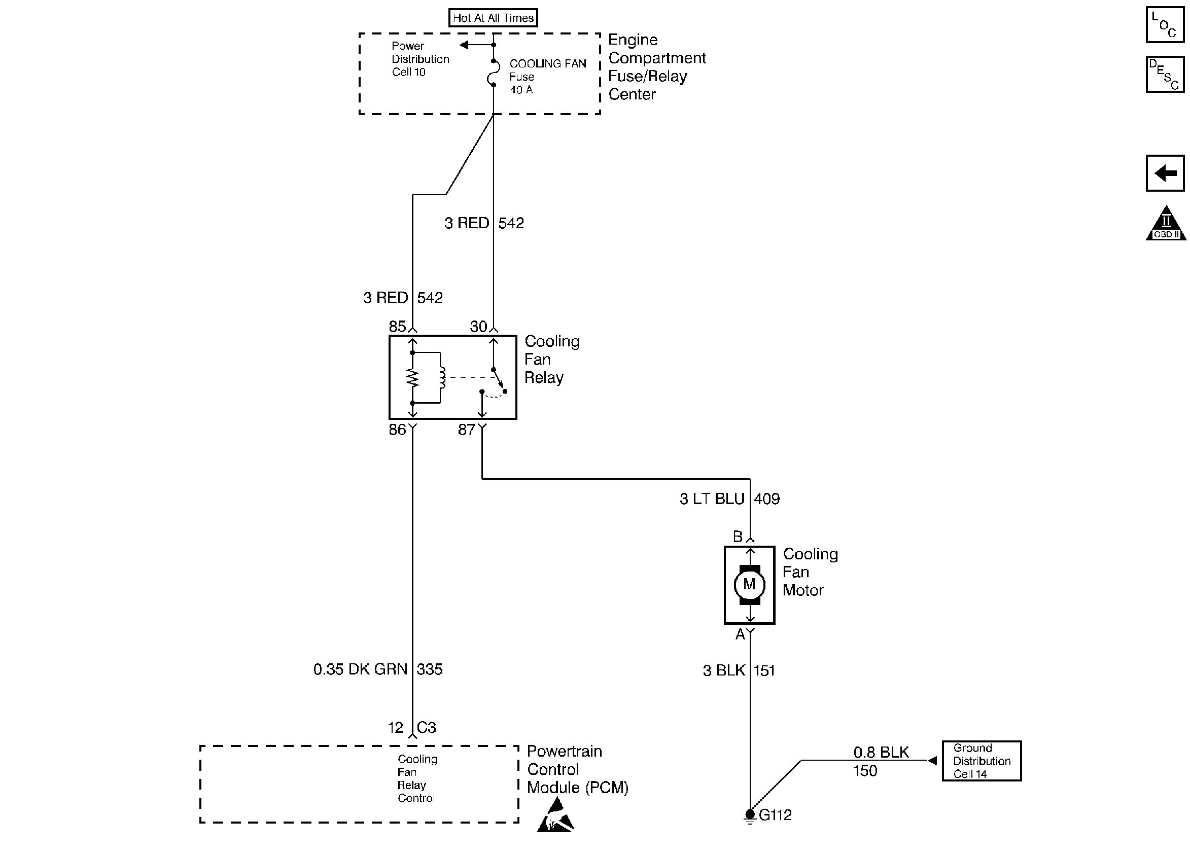
Object Number: 25354  Size: FS
Engine Controls Components
Electric Cooling Fan
A/C Controls
OBD II Symbol Description Notice
Handling ESD Sensitive Parts Notice
for wiring view.

Diagnosis

For specific system description, components and wiring, refer to the Wiring Repairs in Wiring Systems.

Circuit Description

The electric cooling fan is controlled by the Powertrain Control Module (PCM) through the fan relay based on inputs from the engine coolant temperature (ECT) sensor and intake air temperature (IAT) sensors, the A/C selector switch, A/C refrigerant pressure sensor and the vehicle speed sensor (VSS). The PCM controls the cooling fan by grounding the cooling fan control circuit which turns ON the cooling fan relay.

The fan relay will be commanded ON when the following conditions are met:

    • Engine coolant temperature reaches 106°C (223°F) or more.
    • A/C clutch requested.
    • Vehicle speed is less than 38 MPH.
        The cooling fan relay will be commanded ON regardless of vehicle speed when:
       - Any DTC is set that causes the malfunction indictor lamp (MIL) to be illuminated.
       - Engine coolant temperature is 151°C (304°F) or more.
       - A/C refrigerant pressure is high.

The cooling fan may be commanded ON when the engine is not running under fan run-on conditions described previously in this section.

Diagnostic Aids

    • If the owner complained of an overheating problem, it must be determined if the complaint was due to an actual boil over, or if the Temp light, or temperature gage indicated overheating.
    • Check for the proper amount of coolant in the system.
    • If the gage, or light, indicates overheating, but no boil over is detected, the gage or light circuit should be checked. The gage accuracy can also be checked by comparing the engine coolant temperature sensor reading using a scan tool with the gage reading.
    • If the engine is actually overheating, and the gage indicates overheating, but the cooling fan is not coming ON, the Engine Coolant Temperature (ECT) sensor may have shifted out of calibration and should be replaced. Refer to Temperature vs Resistance for a Temperature vs. Resistance table.
    • If the engine is overheating, and the cooling fan is ON, the cooling system should be checked. Refer to Section 6B .

Test Description

Number(s) below refer to the step number(s) on the Diagnostic Table.

  1. The Powertrain OBD System Check prompts the technician to complete some basic checks and store the freeze frame and failure records data on the scan tool if applicable. This creates an electronic copy of the data taken when the fault occurred. The information is then stored on the scan tool for later reference.

  2. Cooling system operation and level should be checked before determining if any electrical conditions are present causing a cooling system failure.

  3. With the engine OFF, the cooling fan should not be commanded ON by the PCM.

  4. If the cooling fan turns OFF after disconnecting the PCM connectors, the PCM was causing the fan to be ON constantly.

  5. A test light that illuminates indicates that the cooling fan battery feed circuit (CKT 409) is shorted to battery voltage. The cooling fan will also remain engaged when the cooling fan relay electrical connector is disconnected.

  6. Connecting CKT's 542 and 409 together bypasses the PCM's control of the cooling fan. A cooling fan that fails to engage at this point indicates that the fault is in CKT 409, the cooling fan or cooling fan ground circuit.

  7. Battery feed is supplied to the cooling fan relay through the same fuse. No voltage on both circuits would indicate that the fuse is blown. Locate and repair any shorts that may have caused the fuse to open before replacement.

  8. With the engine stopped and the cooling fan relay commanded ON, the PCM should ground the A/C relay circuit. This will also illuminate the test light.

  9. This step determines if the reason the cooling fan did not come ON was due to an open battery feed circuit to the cooling fan.

  10. Replacement PCM's must be reprogrammed. Refer to the latest Techline information for programming procedures.

  11. If no faults have been found at this point, refer to Diagnostic Aids for additional checks and information.

Cooling Fan

Step

Action

Value(s)

Yes

No

1

Was the Powertrain On-Board Diagnostic (OBD) System Check performed?

--

Go to Step 2

Go to

Powertrain On Board Diagnostic (OBD) System Check 2.4L

Powertrain On Board Diagnostic (OBD) System Check 2.2L

2

Are any DTC's present?

--

Go to DTC Table first

Go to Step 3

3

  1. Check the cooling system level.
  2. Check the water pump belt condition and tension.

Were any repairs necessary?

--

Go to Step 23

Go to Step 4

4

  1. Turn the ignition switch ON, with the engine OFF.
  2. Install a scan tool.
  3. Engine coolant temperature below the specified value.

Is the cooling fan OFF?

98°C (209°F)

Go to Step 5

Go to Step 6

5

Command the cooling fan relay ON.

Is the cooling fan ON?

--

Go to Step 23

Go to Step 7

6

  1. Turn the ignition switch OFF.
  2. Disconnect the PCM connectors at the PCM.

Is the cooling fan OFF?

--

Go to Step 22

Go to Step 8

7

  1. Disconnect the cooling fan relay electrical connector.
  2. With a test light to ground, probe the battery feed circuits.

Is the test light ON for both terminals?

--

Go to Step 9

Go to Step 10

8

  1. Disconnect the cooling fan relay electrical connector.
  2. With a test light connected to ground, probe the cooling fan battery feed circuit.

Does the test light illuminate?

--

Go to Step 13

Go to Step 21

9

Connect a jumper between the cooling fan relay battery feed and cooling fan battery feed circuits.

Is the cooling fan ON?

--

Go to Step 11

Go to Step 12

10

Repair the open battery feed circuit.

Is the action complete?

--

Go to Step 23

--

11

  1. With a test light connected to B+, probe the cooling fan control circuit.
  2. Command the cooling fan ON.

Does the test light illuminate?

--

Go to Step 14

Go to Step 15

12

  1. Jumper still in place.
  2. Disconnect the cooling fan electrical connector.
  3. With a test light connected to ground, probe the cooling fan battery feed circuit.

Does the test light illuminate?

--

Go to Step 16

Go to Step 17

13

Repair the short to ground in the cooling fan control circuit.

Is the action complete?

--

Go to Step 23

--

14

Check the terminals to the cooling fan relay and repair as necessary.

Was a repair necessary?

--

Go to Step 23

Go to Step 21

15

Check the cooling fan control circuit for an open or poor connection and repair as necessary.

Was a repair necessary?

--

Go to Step 23

Go to Step 22

16

Connect the test light to B+ and probe the cooling fan ground circuit.

Does the test light illuminate?

--

Go to Step 18

Go to Step 19

17

Repair the open or poor connection in the cooling fan ignition feed circuit.

Is the action complete?

--

Go to Step 23

--

18

Check for poor connections at the cooling fan electrical connector and repair as necessary.

Was a repair necessary.

--

Go to Step 23

Go to Step 20

19

Repair the open or poor connection in the cooling fan ground circuit.

Is the action complete?

--

Go to Step 23

--

20

Replace the cooling fan motor.

Is the action complete?

--

Go to Step 23

--

21

Replace the cooling fan relay.

Is the action complete?

--

Go to Step 23

--

22

Replace the PCM.

Is the action complete?

--

Go to Step 23

--

23

  1. Turn the ignition switch ON, with the engine OFF.
  2. Command the cooling fan ON.

Does the cooling turn ON when commanded?

--

System OK

Refer to Diagnostic Aids

Go to Step 2