GM Service Manual Online
For 1990-2009 cars only

Refer to

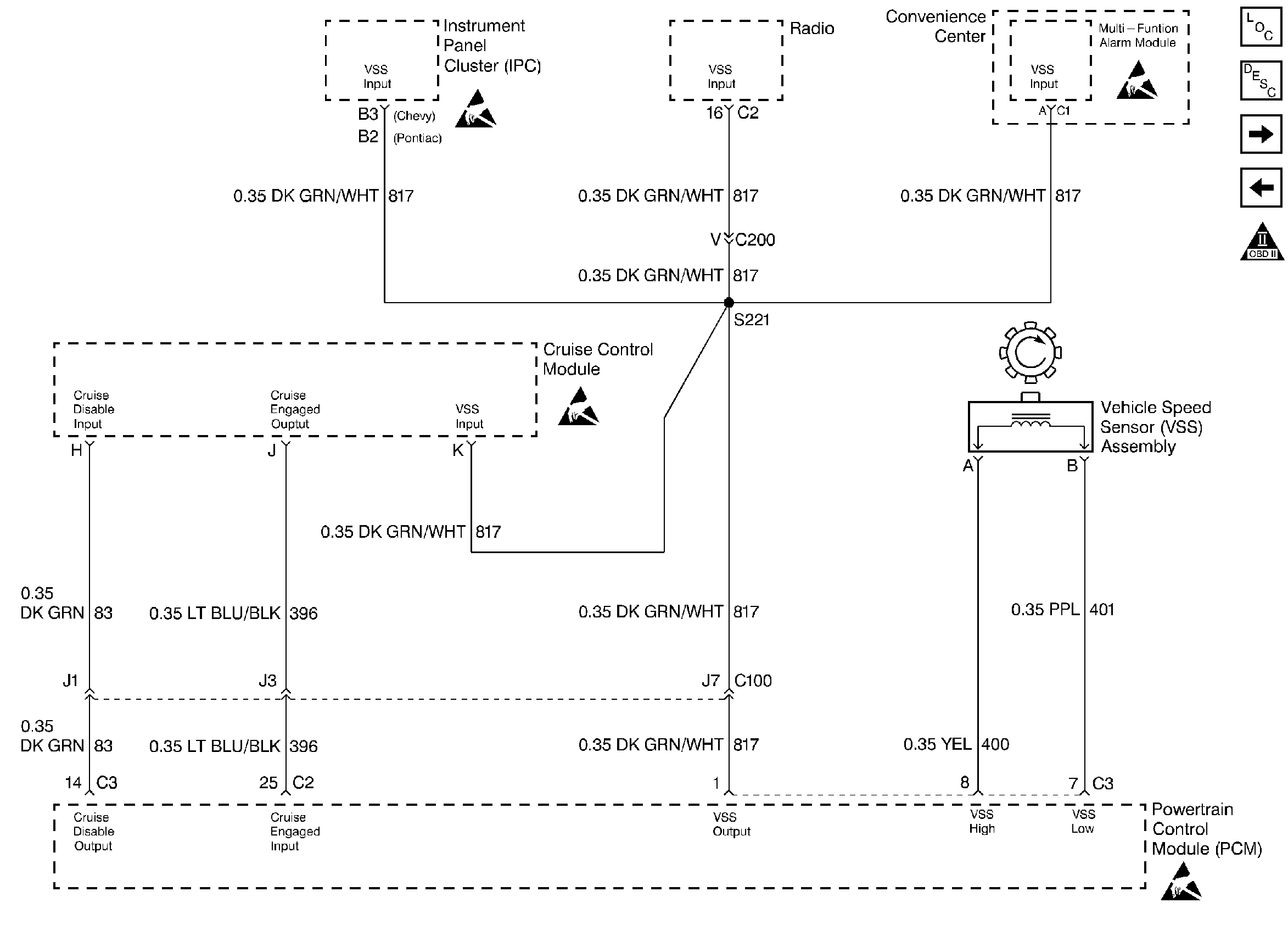
VSS and Cruise Control


Object Number: 25344  Size: FS
Engine Controls Components
Powertrain Control Module (PCM) General Description PCM
Transaxle Controls (Solenoids)
IAC Valve, Generator, TR, Oil and Coolant Switches
OBD II Symbol Description Notice
Handling ESD Sensitive Parts Notice
Handling ESD Sensitive Parts Notice
Handling ESD Sensitive Parts Notice
Handling ESD Sensitive Parts Notice
for wiring view.

Diagnosis

The following table will diagnose the cruise disable and cruise engaged circuits. Refer to Wiring Repairs in Wiring Systems when diagnosing the remaining cruise control system circuits.

Circuit Description

The stepper motor cruise module communicates with the powertrain control module (PCM) over three circuits (cruise engaged, cruise disabled and VSS output). The cruise enable status tells the PCM if the cruise control system is enabled. The vehicle speed sensor (VSS) output is the speed signal from the vehicle speed sensor through the PCM and used by the cruise control module. The cruise disable line allows the PCM to disable cruise under the various conditions described below:

    • DTCs P0122, P0123, P0200, P0335, P0502, P0562, P0563 are not set.
    • Engine is not running.
    • Transmission is in Park, Neutral, or Reverse (automatic transmission).
    • Transmission is out of gear (manual transmission).
    • Safety fuel cut-off is active.
        If the PCM detects any one of the above conditions, it will interrupt the ground at the cruise disable input circuit and disable the cruise control.

Diagnostic Aids

    • This table will not diagnose any cruise control system circuits other than those connected to the PCM. For diagnosis of the remaining circuits, refer to Wiring Repairs in Wiring Systems.
    • An Intermittent problem may be caused by:
      • A poor connection
      • Rubbed through wire insulation
      • A wire that is broken inside the insulation
    • The cruise control system may disable if actual speed is less than 24 km/h (15 mph) than commanded vehicle speed, i.e. towing a trailer, or climbing a steep grade.
    • Minimum vehicle speed for setting the cruise control system is 40 km/h (25 mph).

Test Description

Number(s) below refer to the step number(s) on the Diagnostic Table.

  1. The Powertrain OBD System Check prompts the technician to complete some basic checks and store the freeze frame and failure records data on the scan tool if applicable. This creates an electronic copy of the data taken when the fault occurred. The information is then stored on the scan tool for later reference.

  2. The vehicle must be driven in the enabling criteria listed above in order for the PCM to allow the cruise control to be enabled. When the vehicle is out of this criteria, the scan tool will read stepper cruise Disabled.

  3. The cruise speed set has to be above the minimum speed (25 mph/40 km/h) required for cruise operation. Drive vehicle in an area where enough room is allowed for cruising.

  4. If the vehicle was in the enabling criteria for cruise operation, the PCM should have read stepper cruise Enabled even if cruise was not requested. CKT 83 provides a ground to the cruise control module. This step checks for an open or shorted cruise disable circuit.

  5. At this point, the PCM is allowing cruise operation and the cruise module is telling the PCM that the cruise is engaged. If the vehicle will not maintain the set speed, then the fault is in the cruise control module or is a throttle linkage problem.

  6. Even though the cruise module can maintain the set speed, the cruise control module may not tell the PCM that it is controlling vehicle speed. This step determines if the fault is an open cruise engaged circuit or a faulty cruise control module.

  7. The PCM senses if the cruise control module is controlling the vehicle speed by applying 12V on the cruise engage circuit displays Yes on a scan tool when the cruise control module grounds the circuit. A cruise engaged circuit that is shorted to ground will always display Cruise Engaged as Yes on the scan tool.

  8. Replacement PCM's must be reprogrammed. Refer to the latest Techline information for programming procedures.

  9. If no faults have been found at this point and no additional DTC's were set, refer to Diagnostic Aids for additional checks and information.

Cruise Control Diagnosis

Step

Action

Value(s)

Yes

No

1

Was the Powertrain On-Board Diagnostic (OBD) System Check performed?

--

Go to Step 2

Go to

Powertrain On Board Diagnostic (OBD) System Check 2.4L

Powertrain On Board Diagnostic (OBD) System Check 2.2L

2

  1. Install a scan tool.
  2. Drive the vehicle within the enabling criteria described in the Circuit Description .

Does the scan tool display Stepper Cruise as Enabled?

--

Go to Step 3

Go to Step 4

3

Set the cruise control to the current speed.

Does the scan tool display Cruise Engaged as Yes ?

--

Go to Step 5

Go to Step 6

4

  1. Return to the shop.
  2. Turn the ignition switch ON, with the engine OFF.
  3. Disconnect the cruise control module electrical connector.
  4. With a test light connected to ground, probe the cruise disable circuit.

Does the test light illuminate?

--

Go to Step 7

Go to Step 8

5

Does the cruise control system maintain the set speed?

--

Go to Step 9

Go to Section 8A-34

6

Does the cruise control system maintain the set speed?

--

Go to Step 10

Go to Section 8A-34

7

Repair the short to B+ in the cruise disable circuit.

Is the action completed?

--

Go to Step 13

--

8

Check the cruise disable circuit for a poor connection or an open and repair as necessary?

Was a repair necessary?

--

Go to Step 13

Go to Step 12

9

Depress the brake pedal enough to disable the cruise control system.

Does the scan tool display Cruise Engaged as No ?

--

Go to Step 13

Go to Step 11

10

Check the cruise engage circuit for a poor connection or an open and repair as necessary.

Was a repair necessary?

--

Go to Step 13

Go to Step 12

11

Repair the short to ground in the cruise engage circuit.

Is the action complete?

--

Go to Step 13

--

12

Replace the PCM.

Is the action complete?

--

Go to Step 13

--

13

Operate vehicle within the conditions under which the original symptom was noted.

Does the system now operate properly?

--

System OK

Refer to Diagnostic Aids

Go to Step 2