GM Service Manual Online
For 1990-2009 cars only
Makes
🢒
Chevrolet
🢒
1996
🢒
Cavalier
🢒
Transmission/Transaxle
🢒
Automatic Transaxle - 4T40-E
🢒 Automatic Transmission Controls Schematics
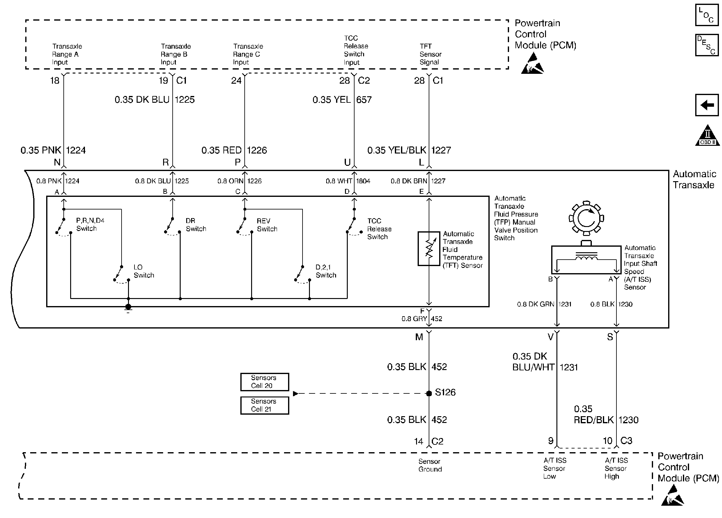
Figure
1:
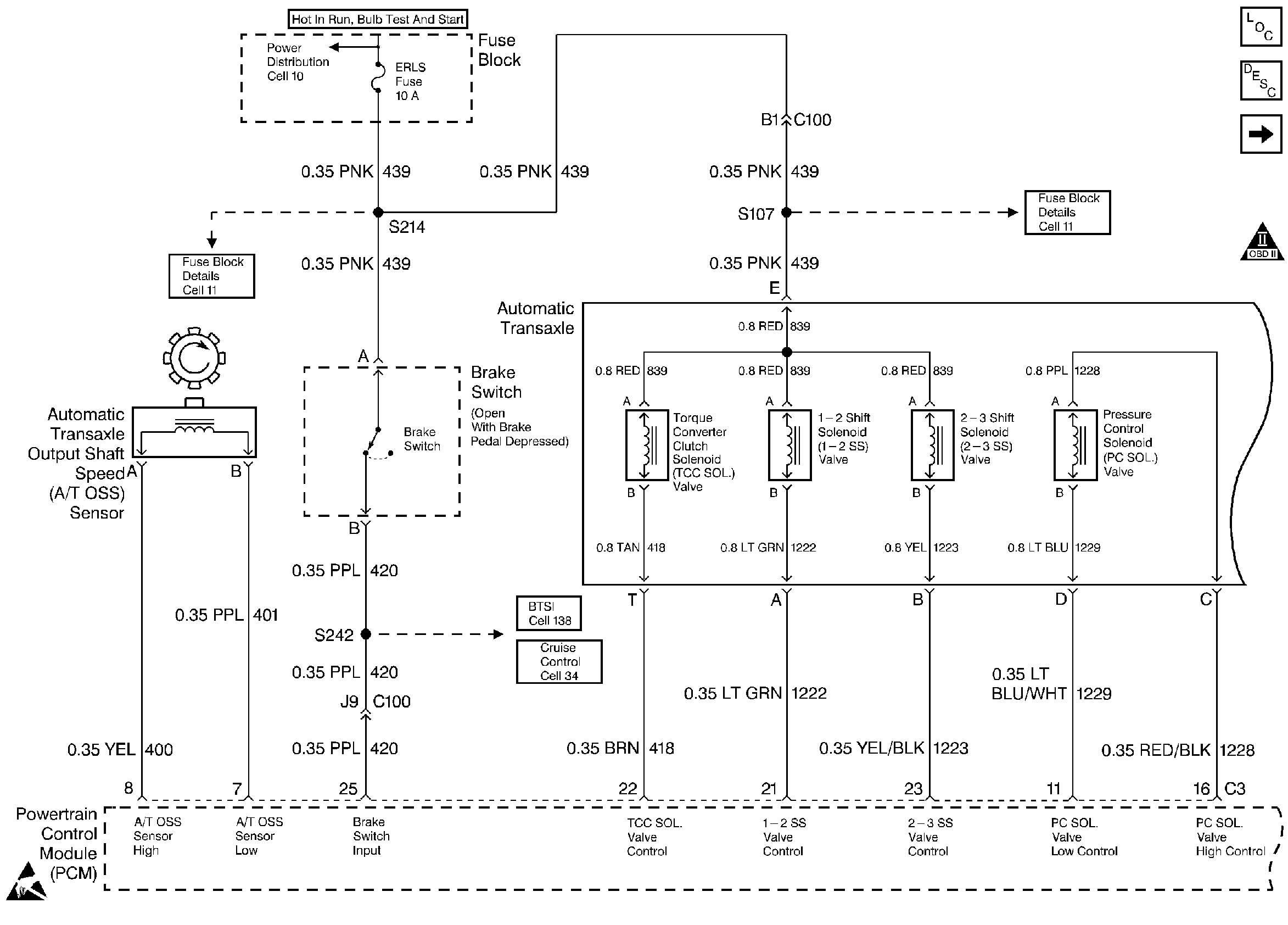
Brake Switch, Solenoids, and VSS
Automatic Transmission Components
TFP Valve Position Switch, TFT Sensor, and A/T ISS Sensor
OBD II Symbol Description Notice
Handling ESD Sensitive Parts Notice
Automatic Transmission Schematic References
Automatic Transmission Schematic References
Automatic Transmission Schematic References
Automatic Transmission Schematic References
Automatic Transmission Schematic References
Figure
2:
TFP Valve Position Switch, TFT Sensor, and A/T ISS Sensor
Automatic Transmission Components
Brake Switch, Solenoids, and VSS
Handling ESD Sensitive Parts Notice
Automatic Transmission Schematic References
Automatic Transmission Schematic References