GM Service Manual Online
For 1990-2009 cars only

Object Number: 25677  Size: LF
Automatic Transmission Components
Automatic Transmission Controls Schematics
OBD II Symbol Description Notice
Handling ESD Sensitive Parts Notice

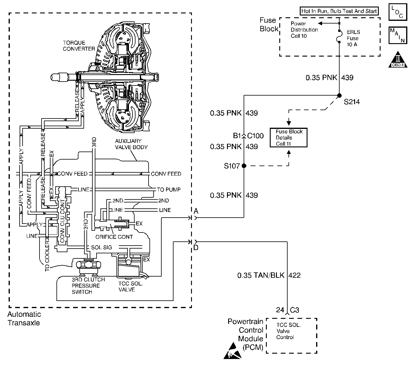
Circuit Description

The Torque Converter Clutch Solenoid Valve (TCC Sol. Valve) receives power from the fuse panel, on circuit 439. The normally-open 3rd clutch pressure switch interrupts the ground path from the TCC Sol. Valve. The PCM activates the TCC Sol. Valve by grounding the circuit through an internal switch in the PCM. Although the PCM commands the TCC Sol. Valve ON, the converter clutch does not apply until the 3rd clutch oil (3rd clutch engaged) closes the pressure switch, completing the circuit. Activating the TCC Sol. Valve blocks exhaust fluid. This moves the converter clutch control valve to the applied position, and provides fluid pressure to engage the torque converter clutch.

When the PCM detects low TCC slip and the torque converter clutch is commanded OFF, then DTC P0742 sets. DTC P0742 is a type B DTC.

Conditions for Setting the DTC

    • No TP sensor DTC P0122 or P0123
    • No Vehicle Speed Sensor Assembly DTC P0502
    • The PCM has commanded the TCC OFF.
    • The speed ratio is 0.98-1.406.
    • The throttle angle is 18-60%.
    • The slip speed is -20 to +20 RPM for 5 seconds.
    • The MAP is 20.3-36.56 kPa.
    • The vehicle speed is 56-105 km/h (35-65 mph).
    • The engine speed is 1500-3300 RPM.
    • All of the above conditions are met three consecutive times.

Action Taken When the DTC Sets

The PCM illuminates the Malfunction Indicator Lamp (MIL) after two ignition cycles with a failure reported.

Conditions for Clearing the MIL/DTC

    • The PCM turns OFF the MIL after three consecutive ignition cycles without a failure reported.
    • A scan tool can clear the DTC from the PCM history. The PCM clears the DTC from the PCM history if the vehicle completes 40 warm-up cycles without a failure reported.

Diagnostic Aids

If the vehicle stalls repeatedly, the TCC is mechanically stuck ON.

Test Description

The numbers below refer to the Step numbers on the diagnostic table.

  1. This step determines whether the stuck ON condition is due to an electrical failure, or a mechanical failure.

  2. This Step tests for a short to ground on circuit 422 between the transmission wiring harness and the PCM.

DTC P0742

Step

Action

Value(s)

Yes

No

1

Was the Powertrain On-Board Diagnostic (OBD) System Check performed?

--

Go to Step 2

Go to Powertrain On Board Diagnostic (OBD) System Check

2

  1. Install the scan tool (tech 1) .
  2. With the engine OFF, turn the ignition switch to the RUN position.
  3. Important: Before clearing the DTCs, use the scan tool in order to record the DTC Freeze Frame and Failure Records for reference. The Clear Info function will erase the data.

  4. Record the DTC Freeze Frame and Failure Records.
  5. Turn the ignition switch to the OFF position.
  6. Disconnect the Automatic Transmission connector.
  7. Drive the vehicle in D3 at a steady throttle angle above 18% to obtain 64 km/h (40 mph) or more.
  8. Important: Record the TCC slip speed when the transmission is in third gear, with the TCC engaged or enabled.

  9. Use the scan tool snapshot mode in order to record the TCC slip speed.

Is the TCC slip speed outside the range shown?

-20 to +20 RPM

Go to Step 3

Go to Step 9

3

  1. Turn the ignition OFF.
  2. Using the J 35616-A Connector Test Adapter Kit, install a test lamp between terminal A and terminal D of the engine side of the transmission connector.
  3. Turn the ignition switch to the RUN position.

Is the test lamp ON?

--

Go to Step 4

Go to Step 6

4

Inspect circuit 422 between the Automatic Transmission harness connector and the PCM for a short to ground.

Refer to Troubleshooting Procedures, Section 8.

Did you find and correct a problem?

--

Go to Step 12

Go to Step 5

5

Replace the PCM.

Refer to Powertrain Control Module/EEPROM Replacement/Programming , Section 6.

Is the replacement complete?

--

Go to Step 12

--

6

  1. Remove the transmission side cover.
  2. Refer to Valve Body Cover.

  3. Disconnect the black wire from the 3rd clutch pressure switch.
  4. Using the J 35616-A Connector Test Adapter Kit, connect an ohmmeter from terminal A of the Automatic Transmission connector to the black wire lead.

Is the resistance within the specified range?

19-31ohms

Go to Step 9

Go to Step 7

7

Inspect the wiring between the TCC Sol. Valve and the 3rd clutch pressure switch for a short to ground.

Refer to Troubleshooting Procedures, Section 8.

Did you find and correct the condition?

--

Go to Step 12

Go to Step 8

8

Replace the TCC Sol. Valve.

Refer to Torque Converter Clutch (TCC) Solenoid and Switches.

Is the replacement complete?

--

Go to Step 12

--

9

The TCC Sol. Valve may be stuck closed (not exhausting). Inspect the valve for the following conditions:

    • Sediment
    • Mechanical failure

Replace the valve if you find the condition.

Refer to Unit Repair.

Did you find and correct the condition?

--

Go to Step 12

Go to Step 10

10

The Converter Clutch Control Valve may be stuck ON. Inspect the valve for the following conditions:

    • Sediment
    • Binding
    • Mechanical failure

Repair the valve if you find the condition.

Refer to Unit Repair.

Did you find and correct the condition?

--

Go to Step 12

Go to Step 11

11

Inspect the Torque Converter Clutch. If the TCC is mechanically applied (stuck ON), replace the Torque Converter Clutch.

Refer to Unit Repair.

Did you find the condition?

--

Go to Step 12

--

12

In order to verify your repair, perform the following procedure:

  1. Select DTC.
  2. Select Clear Info.
  3. Operate the vehicle under the following conditions:
  4. • Drive the vehicle in D3 with the throttle position constant at 30%.
    • Attain 90 km/h (55 mph).
    • The TCC slip speed must be 150-2000 RPM for 5 seconds.
  5. Select Specific DTC. Enter DTC P0742.

Has the test run and passed?

--

System OK

Begin the diagnosis again. Go to Step 1