GM Service Manual Online
For 1990-2009 cars only
Makes
🢒
Chevrolet
🢒
1997
🢒
Cavalier
🢒
Transmission/Transaxle
🢒
Automatic Transaxle - 4T40-E
🢒 Automatic Transmission Controls Schematics
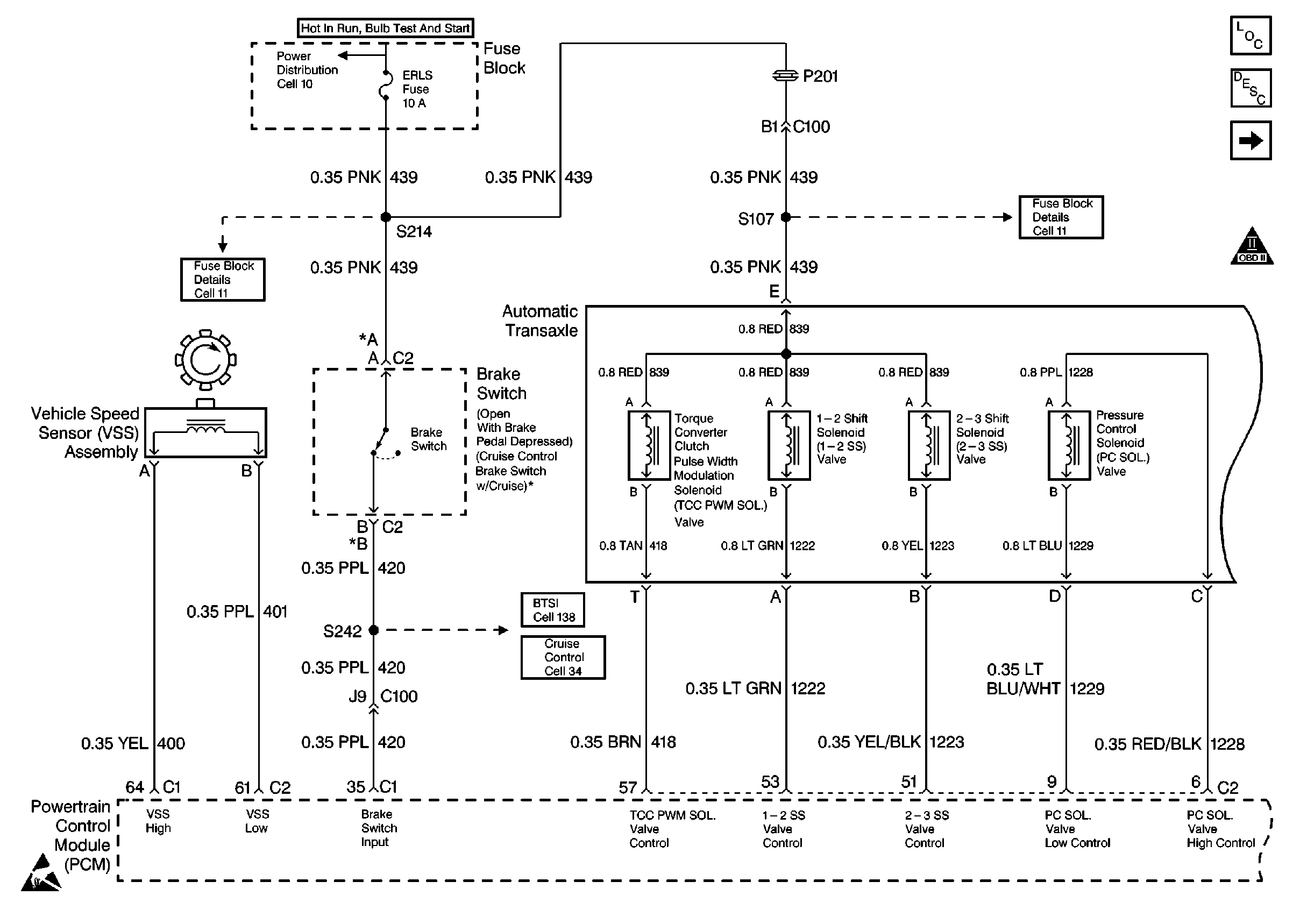
Figure
1:
Brake Switch, Solenoids, and VSS
Automatic Transmission Components
Electronic Component Description
TFP Valve Position Switch, TFT Sensor, and A/T ISS Sensor
OBD II Symbol Description Notice
Handling ESD Sensitive Parts Notice
Automatic Transmission Schematic References
Automatic Transmission Schematic References
Automatic Transmission Schematic References
Automatic Transmission Schematic References
Automatic Transmission Schematic References
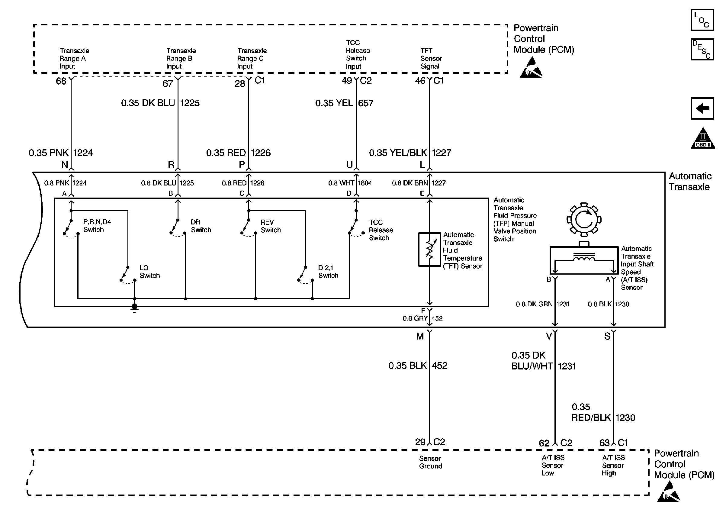
Figure
2:
TFP Valve Position Switch, TFT Sensor, and A/T ISS Sensor
Automatic Transmission Components
Electronic Component Description
Brake Switch, Solenoids, and VSS
OBD II Symbol Description Notice
Handling ESD Sensitive Parts Notice
Handling ESD Sensitive Parts Notice