GM Service Manual Online
For 1990-2009 cars only
Makes
🢒
Chevrolet
🢒
1997
🢒
Cavalier
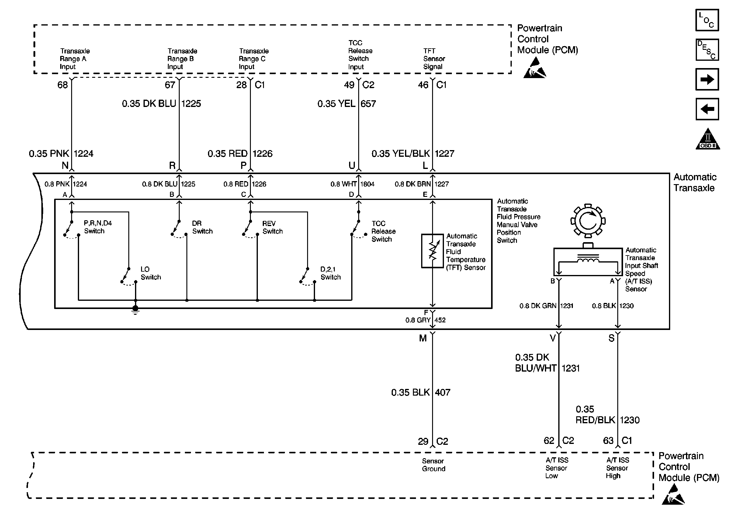
🢒 Transaxle Controls (Switches)
Transaxle Controls (Switches)
Transaxle Controls (Switches)
Engine Controls Components
Information Sensors
A/C Controls
Transaxle Controls (Solenoids)
OBD II Symbol Description Notice
Handling ESD Sensitive Parts Notice
Handling ESD Sensitive Parts Notice