GM Service Manual Online
For 1990-2009 cars only
Table 1: Shift Solenoid State Table
Table 2: P0758 2-3 Shift Solenoid Circuit -- Electrical

Object Number: 234962  Size: MF
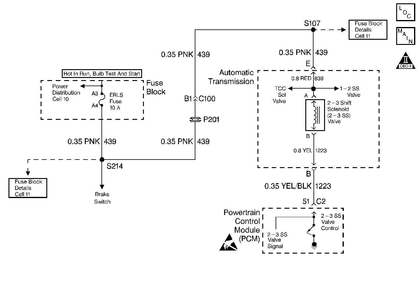
Automatic Transmission Components
Automatic Transmission Controls Schematics
OBD II Symbol Description Notice
Handling ESD Sensitive Parts Notice

Circuit Description

The 2-3 Shift Solenoid Valve (2-3 SS Valve) is a normally-open exhaust valve that, in conjunction with the 1-2 Shift Solenoid Valve (1-2 SS Valve), allows 4 different shifting combinations (Refer to the Shift Solenoid State Table). The 2-3 SS Valve is attached to the control valve body, within the transmission.

The solenoid receives ignition voltage through the fused circuit. The Powertrain Control Module (PCM) commands the solenoid ON or OFF by providing a ground path through circuit 1223.

When the PCM detects a continuous open, short to ground, or short to power in the 2-3 SS Valve circuit, then DTC P0758 sets. DTC P0758 is a type A DTC.

Conditions for Setting the DTC

    • The ignition switch is in the RUN position.
    • The system voltage is 9-16 volts.
    • The PCM commands the solenoid ON, and the voltage remains high for 4.3 seconds.

Action Taken When the DTC Sets

    • The PCM illuminates the Malfunction Indicator Lamp (MIL).
    • The PCM commands maximum line pressure.
    • The PCM commands an immediate landing to 2nd gear.
    • The PCM inhibits TCC engagement.
    • The PCM freezes shift adapts from being updated.
    • DTC P0758 is stored in the PCM history.

Conditions for Clearing the MIL/DTC

    • The PCM turns OFF the MIL after three consecutive trips without a failure reported.
    • A scan tool can clear the DTC from the PCM history. The PCM clears the DTC from the PCM history if the vehicle completes 40 warm-up cycles without a failure reported.
    • The PCM cancels the DTC default actions when the fault no longer exists and the ignition is OFF long enough in order to power down the PCM.

Diagnostic Aids

    • An open in circuit 439 will cause multiple DTCs to set.
    • Inspect for a stuck TP sensor.
    • Inspect the wiring for poor electrical connections at the PCM, the transmission 20-way connector, the 2-3 SS Valve 2-way connector and all other circuit connecting points for the following conditions:
       - A bent terminal
       - A backed out terminal
       - A damaged terminal
       - Poor terminal tension
       - A chafed wire
       - A broken wire inside the insulation
       - Moisture intrusion
       - Corrosion
    • When diagnosing for an intermittent short or open condition, massage the wiring harness while watching the test equipment for a change.

Shift Solenoid State Table

Gear

1-2 Shift Solenoid Valve

2-3 Shift Solenoid Valve

1st

ON

OFF

2nd

OFF

OFF

3rd

OFF

ON

4th

ON

ON

Test Description

The numbers below refer to the step numbers on the diagnostic table.

  1. DTCs P0753 and P1860 set if the power circuit is open.

  2. This step tests the electrical operation of the solenoid.

  3. This step verifies the PCMs ability to command the solenoid.

  4. This step tests circuit 1223 for a short to battery power.

  5. This step verifies that the circuit has the correct resistance.

P0758 2-3 Shift Solenoid Circuit -- Electrical

Step

Action

Value(s)

Yes

No

1

Were you sent here from the Powertrain On-Board Diagnostic (OBD) System Check?

--

Go to Step 2

Go to Powertrain On Board Diagnostic (OBD) System Check

2

  1. Install the Scan Tool .
  2. With the engine OFF, turn the ignition switch to the RUN position.
  3. Important: Before clearing the DTCs, use the scan tool in order to record the Freeze Frame and Failure Records for reference. Using the Clear Info function will erase the stored Freeze Frame and Failure Records from the PCM.

  4. Record the DTC Freeze Frame and Failure Records, then clear the DTCs.

Are DTCs P0753 and P1860 also set?

--

Go to Step 3

Go to Step 8

3

  1. Remove the ERLS fuse.
  2. Inspect the fuse for an open.

Did you find the condition?

--

Go to Step 4

Go to Step 6

4

Inspect circuit 439 for a short to ground.

Refer to General Electrical Diagnosis .

Did you find and correct the condition?

--

Go to Step 25

Go to Step 5

5

Inspect circuit 839 for a short to ground.

Refer to General Electrical Diagnosis .

Did you find the condition?

--

Go to Step 22

--

6

Inspect circuit 439 for an open.

Refer to General Electrical Diagnosis .

Did you find and correct the condition?

--

Go to Step 25

Go to Step 7

7

Inspect circuit 839 for an open.

Refer to General Electrical Diagnosis .

Did you find the condition?

--

Go to Step 22

--

8

  1. Use the scan tool in order to command the solenoid ON and OFF 3 times.
  2. Listen at the transmission side cover.

Does the solenoid click when commanded ON and OFF?

--

Go to Diagnostic Aids

Go to Step 9

9

  1. Turn the ignition OFF.
  2. Disconnect the transmission 20-way connector (additional DTCs will set).
  3. Install the J 39775 Jumper Harness to the engine side of the 20-way connector.
  4. Using the J 35616-A Connector Test Adapter Kit, connect a test lamp from terminal E to terminal B.
  5. With the engine OFF, turn the ignition switch to the RUN position.
  6. Command the 2-3 Shift Solenoid Valve (2-3 SS Valve) ON and OFF three times.

Is the test lamp ON when you command the solenoid ON, and OFF when you command the solenoid OFF?

--

Go to Step 17

Go to Step 10

10

Is the test lamp always ON?

--

Go to Step 11

Go to Step 13

11

  1. Turn the ignition OFF.
  2. Disconnect the C2 (Black) PCM connector (additional DTCs will set).
  3. Turn the ignition switch to the RUN position.

Is the test lamp ON?

--

Go to Step 12

Go to Step 24

12

Inspect circuit 1223 for a short to ground.

Refer to General Electrical Diagnosis .

Did you find and correct the condition?

--

Go to Step 25

--

13

Is the test lamp always OFF?

--

Go to Step 14

--

14

Inspect circuit 1223 for an open.

Refer to General Electrical Diagnosis .

Did you find and correct the condition?

--

Go to Step 25

Go to Step 15

15

Connect a test lamp from terminal B to a good ground.

Is the test lamp ON?

--

Go to Step 16

Go to Step 24

16

Inspect circuit 1223 for a short to battery power.

Refer to General Electrical Diagnosis .

Did you find and correct the condition?

--

Go to Step 25

--

17

  1. Turn the ignition OFF.
  2. Disconnect the J 39775 Jumper Harness from the engine side of the 20-way connector.
  3. Connect the jumper harness to the transmission side of the 20-way connector.
  4. Using the J 35616-A Connector Test Adapter Kit, connect the J 39200 Digital Multimeter (DMM) from terminal E to terminal B and measure the resistance.

Is the resistance within the specified range?

19-31 ohms

Go to Step 20

Go to Step 18

18

Is the resistance greater than the specified value?

250 ohms

Go to Step 19

Go to Step 20

19

  1. Inspect circuit 1223 for an open.
  2. Inspect circuit 1223 for a poor connection at the connector.
  3. Inspect circuit 839 for an open.
  4. Inspect circuit 839 for a poor connection at the connector.

Refer to General Electrical Diagnosis .

Did you find the condition?

--

Go to Step 22

Go to Step 23

20

Measure the resistance from terminal B to a good ground.

Is the resistance less than the specified value?

1000 ohms

Go to Step 21

Go to Step 23

21

Inspect circuit 1223 for a short to ground.

Refer to General Electrical Diagnosis .

Did you find the condition?

--

Go to Step 22

--

22

Replace the automatic transmission wiring harness.

Refer to the Transmission Unit Repair Manual, 4T40-E Section.

Is the replacement complete?

--

Go to Step 25

--

23

Replace the 2-3 SS Valve.

Refer to the Transmission Unit Repair Manual, 4T40-E Section.

Is the replacement complete?

--

Go to Step 25

--

24

Replace the PCM.

Refer to PCM Replacement/Programming .

Is the replacement complete?

--

Go to Step 25

--

25

In order to verify your repair, perform the following procedure:

  1. Select DTC.
  2. Select Clear Info.
  3. Operate the vehicle under the following conditions:
  4. • Drive the vehicle in D4.
    • Allow the transmission to obtain a 2-3 upshift.
  5. Select Specific DTC. Enter DTC P0758.

Has the test run and passed?

--

System OK

Begin the diagnosis again. Go to Step 1