GM Service Manual Online
For 1990-2009 cars only
Makes
🢒
Chevrolet
🢒
2000
🢒
Cavalier
🢒 Instrument Panel Lamps
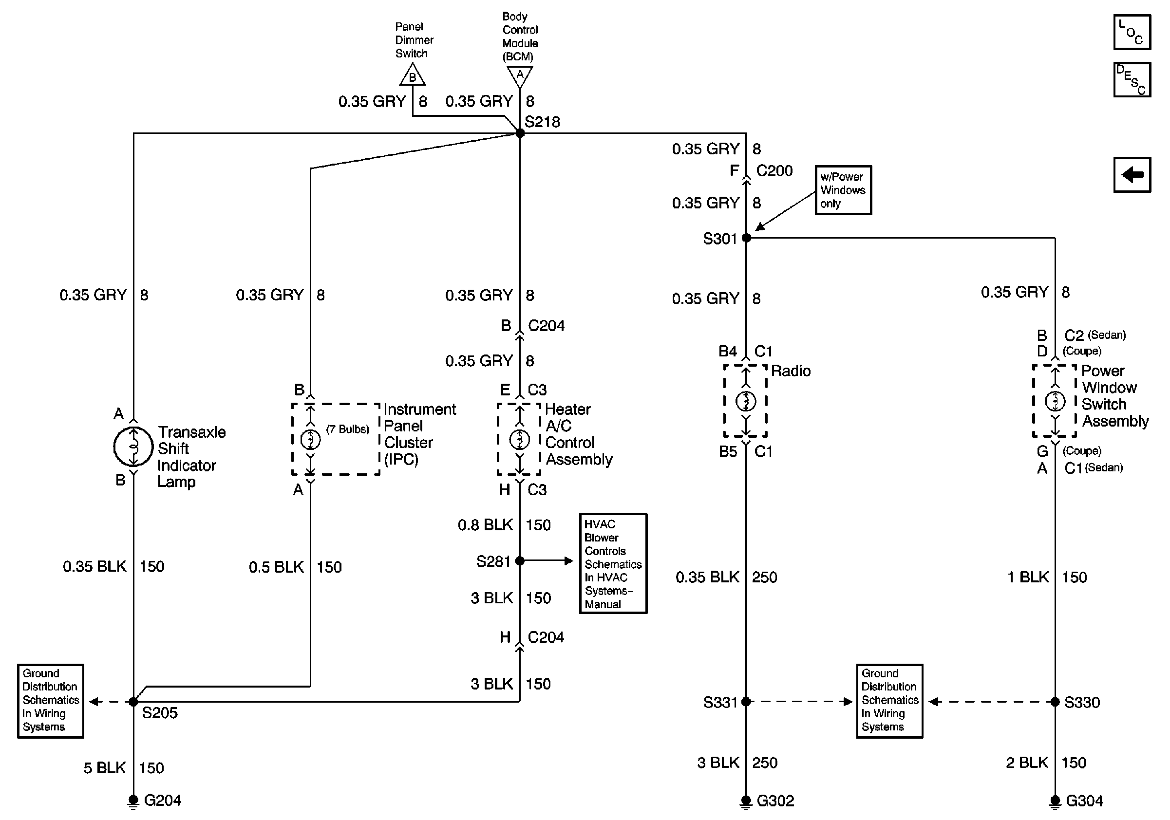
Instrument Panel Lamps
Instrument Panel Lamps
Interior Lights Circuit Description
Instrument Panel Dimmer Switch and Body Control Module
Instrument Panel Dimmer Switch and Body Control Module
Instrument Panel Dimmer Switch and Body Control Module
Ground Distribution Schematics
Ground Distribution Schematics
HVAC Blower Control Schematics
Lighting Systems Components