GM Service Manual Online
For 1990-2009 cars only
Makes
🢒
Chevrolet
🢒
2000
🢒
Cavalier
🢒 2000 J SIR
2000 J SIR
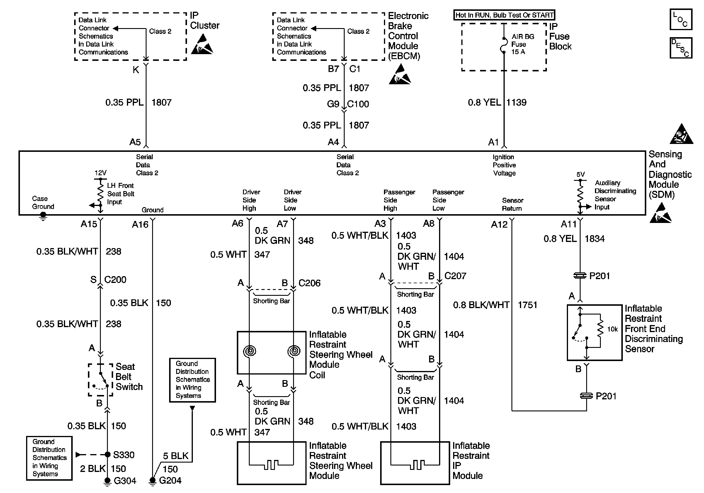
SIR Components
SIR System Component Description and Definitions
Handling ESD Sensitive Parts Notice
Handling ESD Sensitive Parts Notice
SIR Handling Caution
Handling ESD Sensitive Parts Notice
Data Link Connector Schematics
Data Link Connector Schematics
G304 (2 of 2)