GM Service Manual Online
For 1990-2009 cars only
Makes
🢒
Chevrolet
🢒
2000
🢒
Cavalier
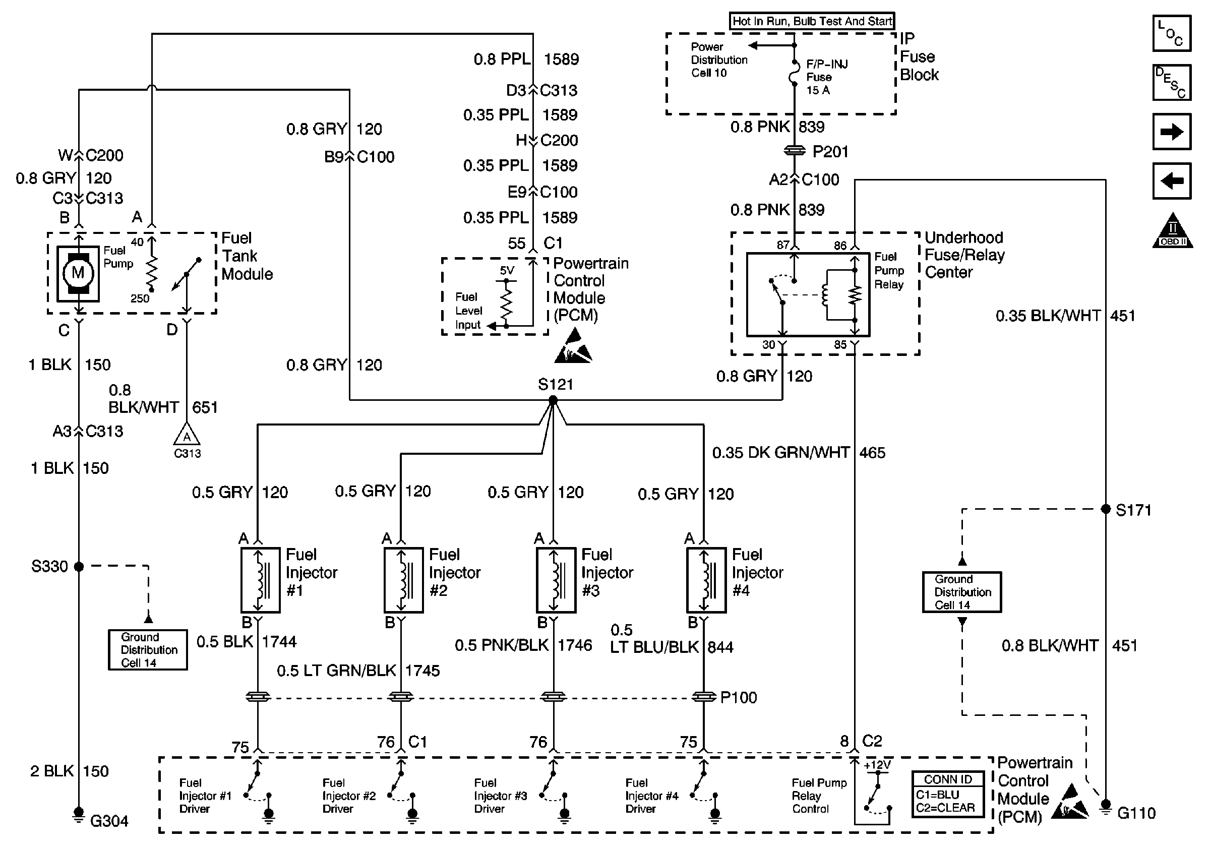
🢒 Power, Ground, Injectors, and Fuel Pump
Power, Ground, Injectors, and Fuel Pump
Power, Ground, Injectors, and Fuel Pump
Engine Controls Components
Powertrain Control Module Description
Power, Ground, and O2 Sensors
Engine Data Sensors
OBD II Symbol Description Notice
G304 (2 of 2)
Engine Data Sensors
Handling ESD Sensitive Parts Notice
Ignition Switch, F/P -INJ, SIR, CRUISE, and ABS Fuses
G110
Handling ESD Sensitive Parts Notice