GM Service Manual Online
For 1990-2009 cars only

Object Number: 517322  Size: LF
OBD II Symbol Description Notice
Handling ESD Sensitive Parts Notice

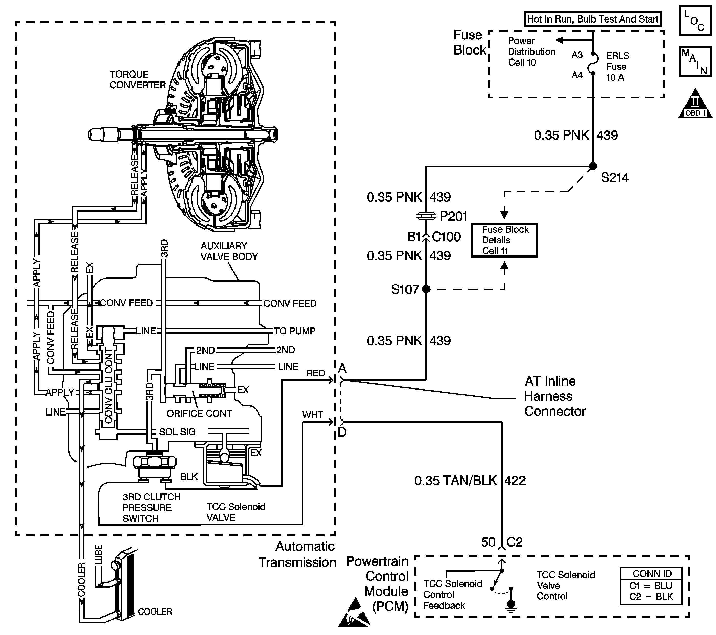
Circuit Description

The torque converter clutch solenoid valve (TCC solenoid valve) receives power from the fuse panel on circuit 439. The normally-open 3rd clutch pressure switch interrupts the ground path from the TCC solenoid valve. The powertrain control module (PCM) activates the TCC solenoid valve by grounding the circuit through an internal switch in the PCM. Although the PCM commands the TCC solenoid valve On, the converter clutch does not apply until the 3rd clutch oil (3rd clutch engaged) closes the pressure switch, completing the circuit. Activating the TCC solenoid valve blocks exhaust fluid. This moves the converter clutch control valve to the applied position, and provides fluid pressure to engage the torque converter clutch.

When the PCM detects low TCC slip and the torque converter clutch is commanded off, then DTC P0742 sets. DTC P0742 is a type B DTC.

Conditions for Running the DTC

    • No TP sensor DTC P0121, P0122 or P0123.
    • The PCM has commanded the TCC off.
    • The engine speed is 1,500-4,000 RPM.
    • Engine torque is greater than 13 N·m (10 lb ft).
    • Time since the last gear selector lever change has been more than 6 seconds.
    • The speed ratio is 0.9-1.375.
    • The throttle angle is greater than 8 percent.
    • The slip speed is -20 to +20 RPM for 10 seconds.
    • The vehicle speed is 56-120 km/h (35-75 mph).

Conditions for Setting the DTC

The PCM detects two or more counts of the TCC being stuck on.

Action Taken When the DTC Sets

    • The PCM illuminates the malfunction indicator lamp (MIL) during the second consecutive trip in which the conditions for setting the DTC are met.
    • The PCM stores DTC P0742 in PCM history during the second consecutive trip in which the Conditions for Setting the DTC are met.

Conditions for Clearing the MIL/DTC

    • The PCM turns off the MIL during the third consecutive trip in which the diagnostic test runs and passes.
    • A scan tool can clear the MIL/DTC.
    • The PCM clears the DTC from PCM history if the vehicle completes 40 consecutive warm-up cycles without an emission-related diagnostic fault occurring.

Diagnostic Aids

    • If the vehicle stalls repeatedly, the TCC is mechanically stuck on.
    • Inspect the connectors at the PCM, AT inline harness connector and all other circuit connecting points for an intermittent condition. Refer to Testing for Intermittent Conditions and Poor Connections in Wiring Systems.
    • Inspect the circuit wiring for an intermittent condition. Refer to Testing for Electrical Intermittents in Wiring Systems.

Test Description

The numbers below refer to the step numbers on the diagnostic table.

  1. This step determines whether the stuck on condition is due to an electrical condition or a mechanical condition.

  2. This step tests for a short to ground on the TCC circuit (CKT 422) solenoid valve control between the automatic transmission wiring harness and the PCM.

DTC P0742

Step

Action

Value(s)

Yes

No

1

Did you perform the Powertrain Diagnostic System Check ?

--

Go to Step 2

Go to Powertrain On Board Diagnostic (OBD) System Check

2

  1. Install a Scan Tool .
  2. Turn ON the ignition, with the engine OFF.
  3. Important: Before clearing the DTC, use the Scan Tool in order to record the DTC Freeze Frame and Failure Records. Using the Clear Info function erases the Freeze Frame and Failure Records from the PCM.

  4. Record the DTC Freeze Frame and Failure Records.
  5. Clear the DTC.
  6. Turn OFF the ignition.
  7. Disconnect the AT inline harness connector.
  8. Drive the vehicle in D3 with accessories off at a steady throttle angle above 8 percent to obtain 64 km/h (40 mph) or more.
  9. Important: Record the TCC slip speed when the transmission is in third gear, with the TCC enabled or engaged.

  10. Use the Scan Tool snapshot mode in order to record the TCC slip speed.

Is the TCC slip speed outside the range shown?

-20 to +20 RPM

Go to Step 3

Go to Step 9

3

  1. Turn OFF the ignition.
  2. Using the J 35616-A connector test adapter kit, install a test lamp between terminal A and terminal D of the engine side of the AT inline harness connector.
  3. Turn ON the ignition, with the engine OFF.

Is the test lamp ON?

--

Go to Step 4

Go to Step 6

4

Test the TCC solenoid valve control circuit (CKT 422) between the AT inline harness connector and the PCM for a short to ground.

Refer to Circuit Testing and Wiring Repairs in Wiring Systems.

Did you find and correct the condition?

--

Go to Step 13

Go to Step 5

5

Replace the PCM.

Refer to Powertrain Control Module Replacement/Programming in Engine Controls.

Did you complete the replacement?

--

Go to Step 13

--

6

  1. Remove the transmission side cover.
  2. Refer to Transmission Overhaul in the 3T40-E Section of the Transmission Unit Repair Manual.

  3. Disconnect the black wire from the 3rd clutch pressure switch.
  4. Using the J 35616-A , connect the J 39200 digital multimeter (DMM) from terminal A of the AT inline harness connector to the TCC solenoid valve black wire lead.
  5. Select Ohms on the DMM, in order to measure circuit resistance.

Is the circuit resistance within the specified range?

19-31ohms

Go to Step 10

Go to Step 7

7

Test the power feed circuit (CKT 439) from terminal A of the AT inline harness connector to the 3rd clutch pressure switch for a short to ground.

Refer to Circuit Testing and Wiring Repairs in Wiring Systems.

Did you find and correct the condition?

--

Go to Step 8

Go to Step 9

8

Replace the TCC solenoid valve.

Refer to TCC Solenoid and Switches Replacement.

Did you complete the replacement?

--

Go to Step 13

--

9

TCC release oil circuit blocked.

Inspect for the following conditions:

    • Plugged or restricted oil cooler lines.
    • Plugged oil cooler. Refer to Transmission Fluid Cooler Flushing and Flow Test .

Did you find and correct the condition?

--

Go to Step 13

Go to Step 10

10

The TCC solenoid valve may be stuck closed (not exhausting).

  1. Inspect the valve for the following conditions:
  2. • Sediment
    • Mechanical failure
  3. Replace the valve if the condition is found.

Refer to TCC Solenoid and Switches Replacement.

Did you find and correct the condition?

--

Go to Step 13

Go to Step 11

11

The converter clutch control valve may be stuck on.

  1. Inspect the valve for the following conditions:
  2. • Sediment
    • Binding
    • Mechanical failure
  3. Repair the valve if the condition is found.

Refer to Transmission Overhaul in the 3T40-E Section of the Transmission Unit Repair Manual.

Did you find and correct the condition?

--

Go to Step 13

Go to Step 12

12

Inspect the torque converter clutch. If the TCC is mechanically applied (stuck on), replace the torque converter.

Refer to Transmission Overhaul in the 3T40-E Section of the Transmission Unit Repair Manual.

Did you find and correct the condition?

--

Go to Step 13

--

13

Perform the following procedure in order to verify the repair:

  1. Select DTC.
  2. Select Clear Info.
  3. Operate the vehicle under the following conditions:
  4. • Drive the vehicle in D3 with the throttle position constant at 30 percent.
    • The TCC slip speed must be greater than 120 RPM for 5 seconds.
  5. Select Specific DTC.
  6. Enter DTC P0742.

Has the test run and passed?

--

System OK

Go to Step 1