GM Service Manual Online
For 1990-2009 cars only
Figure 1:

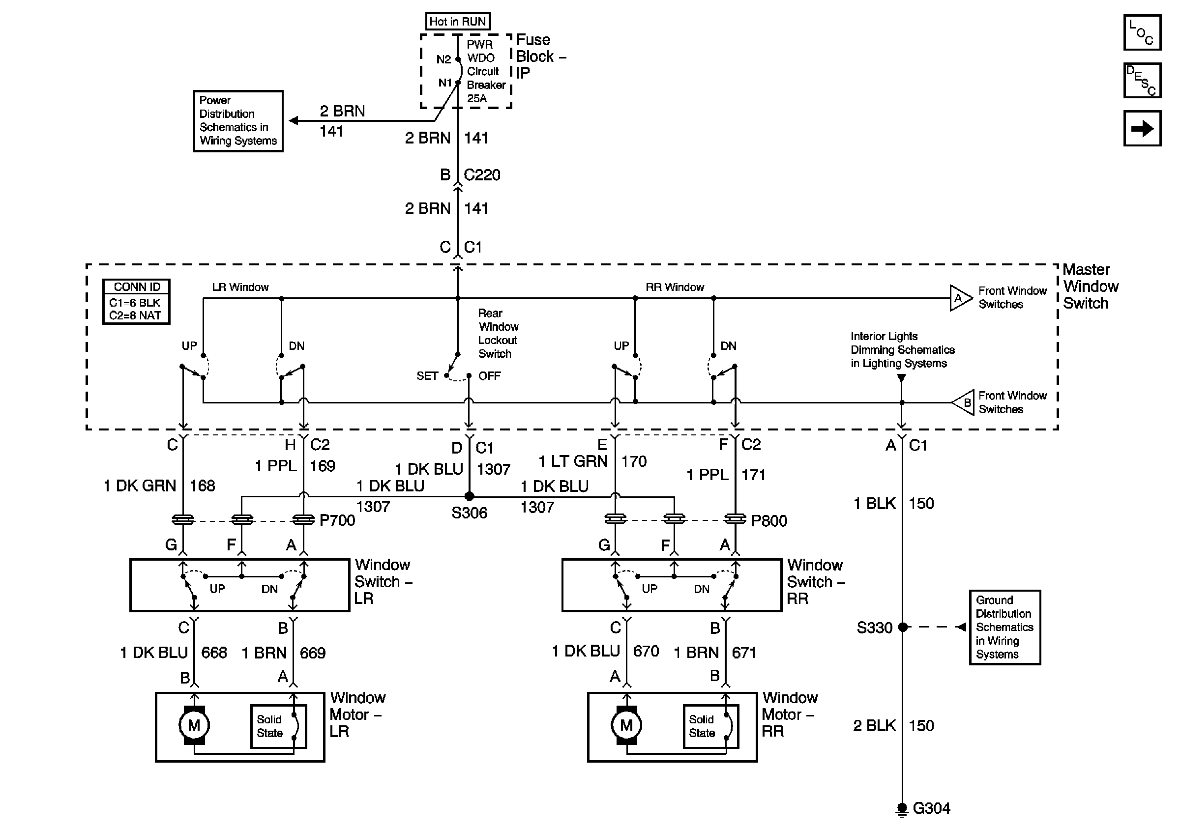
Power, Ground and Rear Window Controls -- 4 Door


Object Number: 673182  Size: FS
Master Electrical Component List
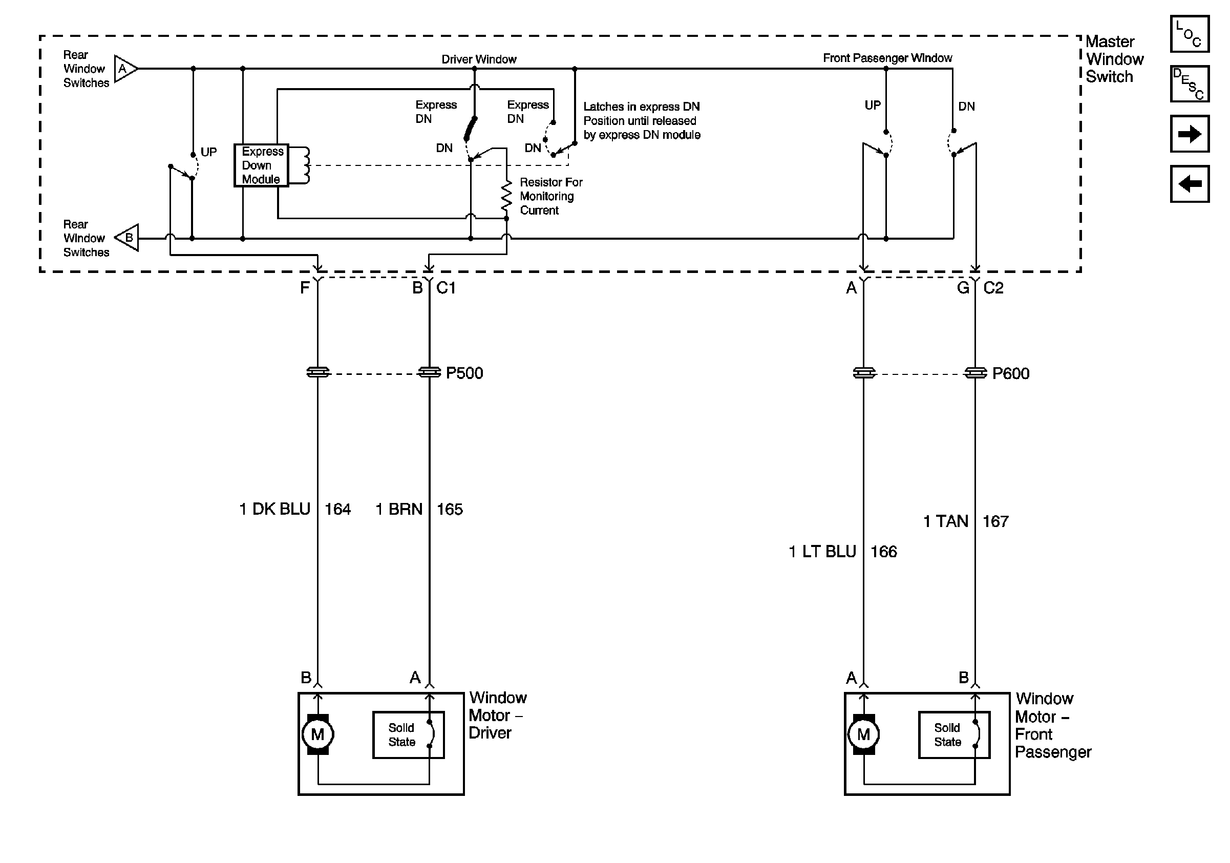
Front Window Controls - 4 Door
Front Window Controls - 4 Door
Front Window Controls - 4 Door
G304 1 of 2
Dimmer Controls
Figure 2:

Front Window Controls -- 4 Door


Object Number: 673185  Size: FS
Master Electrical Component List
Master Window Switch and Window Motors
Power, Ground and Rear Window Controls - 4 Door
Power, Ground and Rear Window Controls - 4 Door
Power, Ground and Rear Window Controls - 4 Door
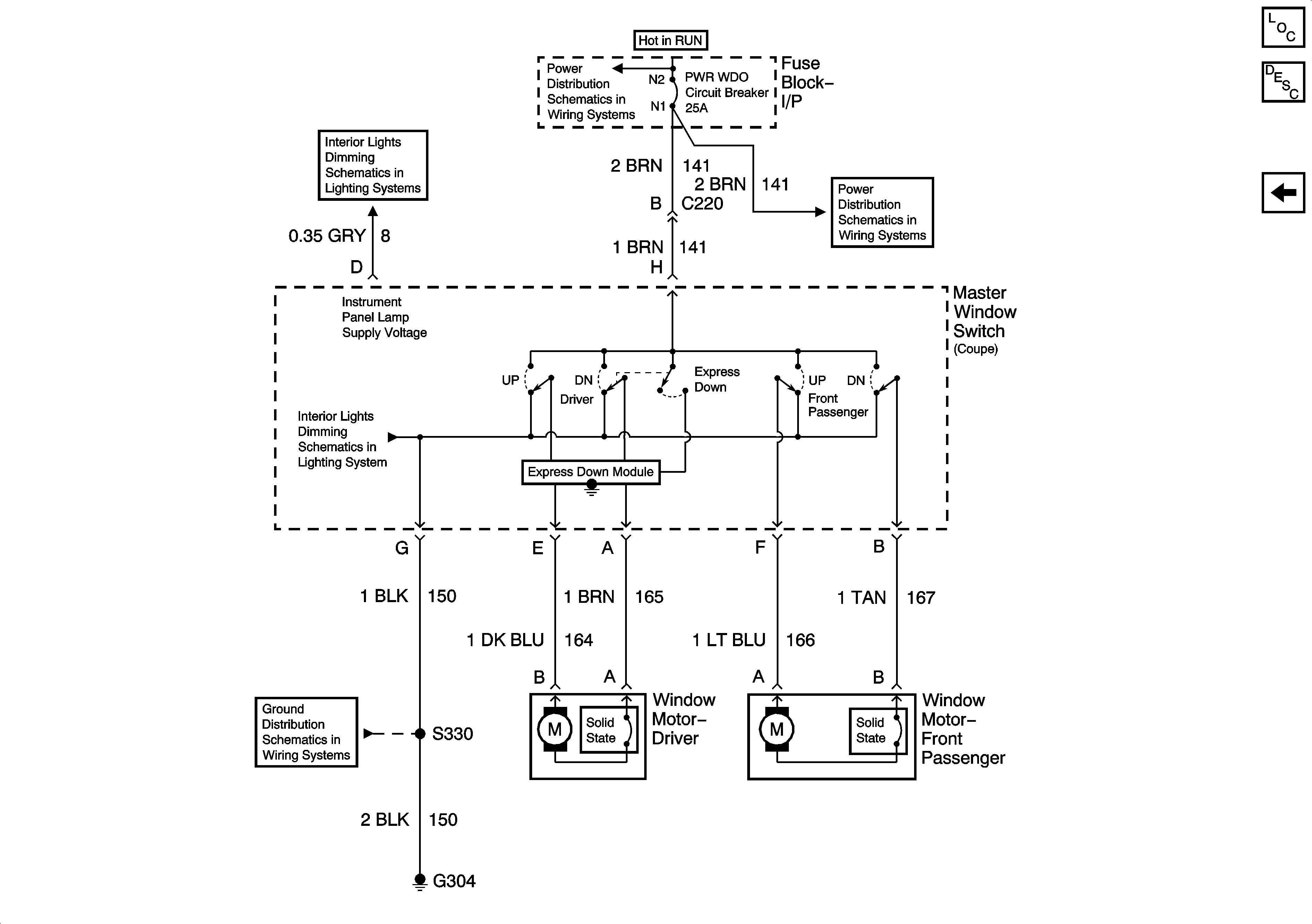
Figure 3:

Window Controls-2 Door


Object Number: 825090  Size: FS
Master Electrical Component List
Power Windows Description and Operation
Front Window Controls - 4 Door
I/P Fuse Block BCM, WIPER, HVAC, 02 HTR Fuses and PWR WDO Circuit Breaker
G304 - 1 of 2