GM Service Manual Online
For 1990-2009 cars only

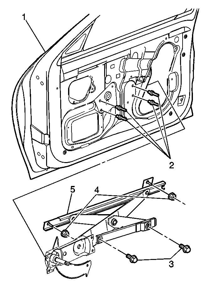
Front Side Door Window Regulator Replacement Power Regulator

Removal Procedure

  1. Lower the window to the three quarters down position.

  2. Object Number: 279024  Size: MH
  3. Remove the door trim panel. Refer to Front Side Door Trim Panel Replacement .
  4. Remove the water deflector in order to access the window regulator. Refer to Front Side Door Water Deflector Replacement .
  5. Remove the window to regulator nuts (4).
  6. Push the window to the closed position and tape in place.
  7. Disconne the regulator electrical connector.
  8. Removect the power window regulator bolts (3).
  9. Drill out the power window regulator rivets (2).
  10. Remove the power window regulator (5) from the door.

Installation Procedure


    Object Number: 279024  Size: MH
  1. Position the power window regulator (5) in the door.
  2. Connect the door window regulator electrical connector.
  3. Install the power window regulator rivets (2).
  4. Notice: Use the correct fastener in the correct location. Replacement fasteners must be the correct part number for that application. Fasteners requiring replacement or fasteners requiring the use of thread locking compound or sealant are identified in the service procedure. Do not use paints, lubricants, or corrosion inhibitors on fasteners or fastener joint surfaces unless specified. These coatings affect fastener torque and joint clamping force and may damage the fastener. Use the correct tightening sequence and specifications when installing fasteners in order to avoid damage to parts and systems.

  5. Install the power window regulator bolts (3).
  6. Tighten
    Tighten the regulator bolts (3) to 10 N·m (89 lb in).

  7. Remove the tape from the window and push the window down to the regulator.
  8. Install the power window to regulator nuts (4).
  9. Tighten
    Tighten the window to regulator nuts (4) to 10 N·m (89 lb in).

  10. Install the water deflector. Refer to Front Side Door Water Deflector Replacement .
  11. Install the door trim panel. Refer to Front Side Door Trim Panel Replacement .

Front Side Door Window Regulator Replacement Manual Regulator

Removal Procedure

  1. Position the window to the three quarter down position.

  2. Object Number: 279025  Size: MH
  3. Remove the door trim panel. Refer to Front Side Door Trim Panel Replacement .
  4. Remove the water deflector in order to access the window regulator. Refer to Front Side Door Water Deflector Replacement .
  5. Remove the regulator to window nuts.
  6. Push the window to the closed position and tape in place.
  7. Remove the manual window regulator bolts (3).
  8. Remove the manual window regulator rivets (2).
  9. Remove the manual window regulator (5) from the door.

Installation Procedure


    Object Number: 279025  Size: MH
  1. Position the manual window regulator (5) in the door.
  2. Install the manual window regulator rivets (2).
  3. Notice: Use the correct fastener in the correct location. Replacement fasteners must be the correct part number for that application. Fasteners requiring replacement or fasteners requiring the use of thread locking compound or sealant are identified in the service procedure. Do not use paints, lubricants, or corrosion inhibitors on fasteners or fastener joint surfaces unless specified. These coatings affect fastener torque and joint clamping force and may damage the fastener. Use the correct tightening sequence and specifications when installing fasteners in order to avoid damage to parts and systems.

  4. Install the manual window regulator bolts (3).
  5. Tighten
    Tighten the regulator bolts (3) to 10 N·m (89 lb in).

  6. Remove the tape from the window and push it down to the regulator.
  7. Install the manual window regulator nuts (4).
  8. Tighten
    Tighten the regulator nuts (4) to 10 N·m (89 lb in).

  9. Install the water deflector. Refer to Front Side Door Water Deflector Replacement .
  10. Install the door trim panel. Refer to Front Side Door Trim Panel Replacement .