GM Service Manual Online
For 1990-2009 cars only
Makes
🢒
Chevrolet
🢒
2001
🢒
Cavalier
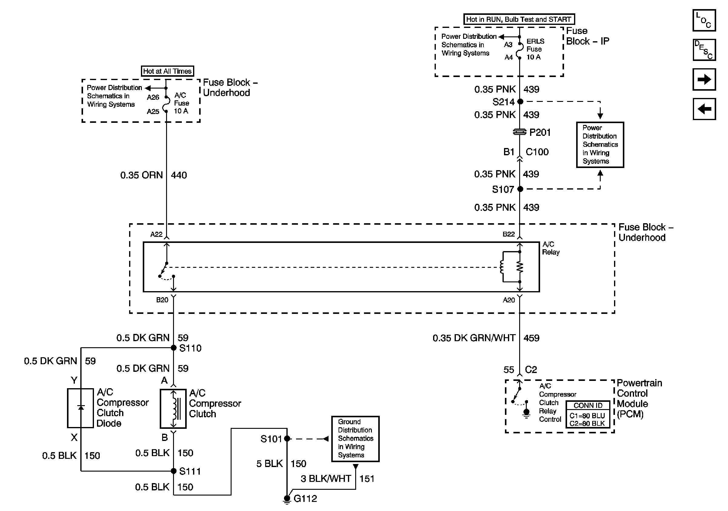
🢒 Compressor Controls
Compressor Controls
Compressor Controls
Master Electrical Component List
OBD II Symbol Description Notice
Blower Controls
A/C Switch and Sensor
IP Fuse Block ERLS Fuse
G112