GM Service Manual Online
For 1990-2009 cars only
Makes
🢒
Chevrolet
🢒
2001
🢒
Cavalier
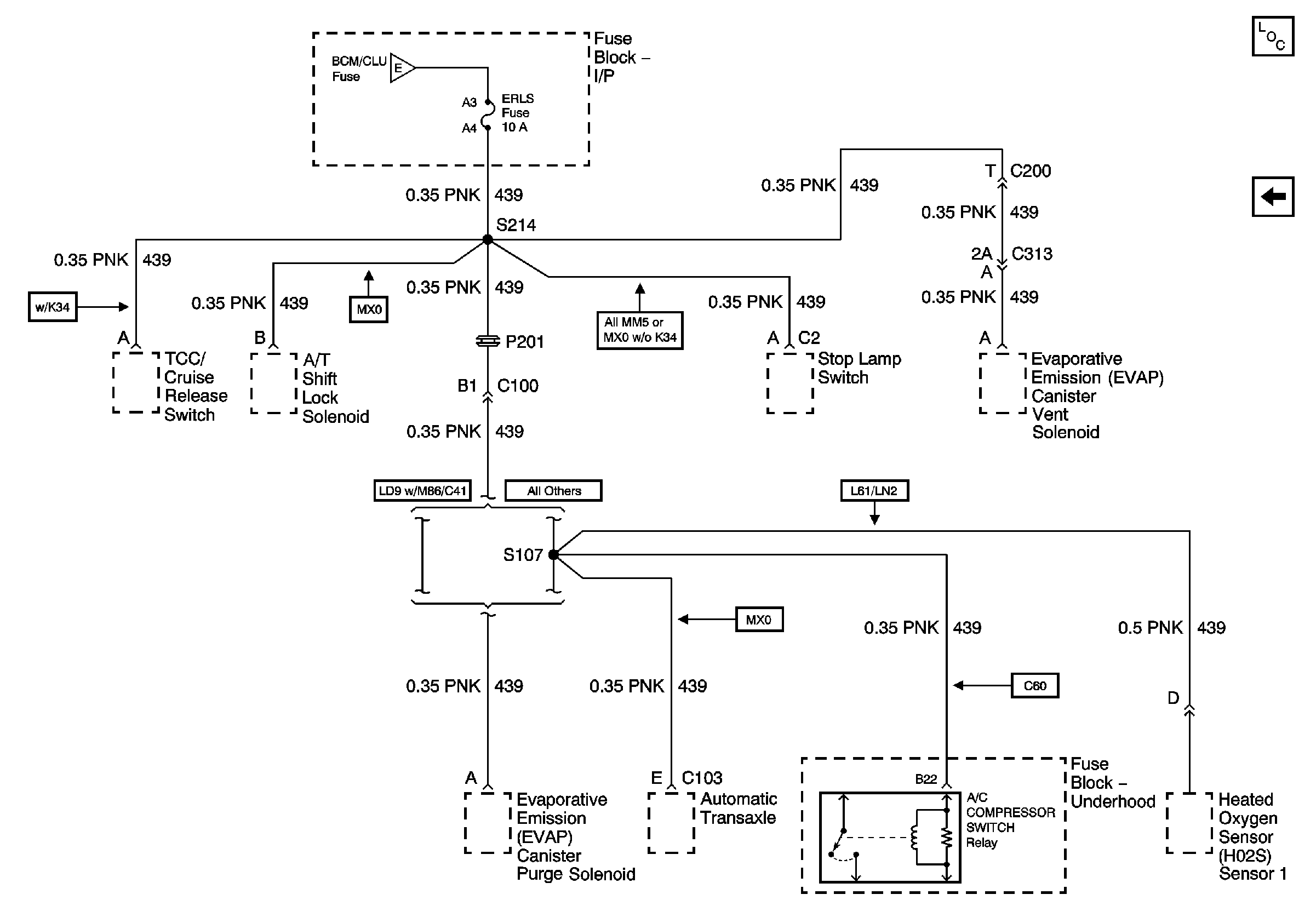
🢒 I/P Fuse Block ERLS Fuse
I/P Fuse Block ERLS Fuse
I/P Fuse Block ERLS Fuse
Master Electrical Component List
I/P Fuse Block TURN-B/U, IGN MDL, PCM and BCM/CLU Fuses
I/P Fuse Block TURN-B/U, IGN MDL, PCM and BCM/CLU Fuses