GM Service Manual Online
For 1990-2009 cars only

Coolant Heater Replacement 2.2L (L61)

Removal Procedure


    Object Number: 798929  Size: SH
  1. Disconnect the coolant heater cord (1).

  2. Object Number: 824483  Size: SH
  3. Remove the coolant heater bolt.
  4. Remove the coolant heater.

Installation Procedure


    Object Number: 824483  Size: SH
  1. Install the coolant heater.
  2. Notice: Use the correct fastener in the correct location. Replacement fasteners must be the correct part number for that application. Fasteners requiring replacement or fasteners requiring the use of thread locking compound or sealant are identified in the service procedure. Do not use paints, lubricants, or corrosion inhibitors on fasteners or fastener joint surfaces unless specified. These coatings affect fastener torque and joint clamping force and may damage the fastener. Use the correct tightening sequence and specifications when installing fasteners in order to avoid damage to parts and systems.

  3. Install the coolant heater bolt.
  4. Tighten
    Tighten the bolt to 10 N·m (89 lb in).


    Object Number: 798929  Size: SH
  5. Connect the coolant heater cord (1).

Coolant Heater Replacement 2.2L (LN2)

Removal Procedure


    Object Number: 799002  Size: SH
  1. Drain the cooling system. Refer to Cooling System Draining and Filling .
  2. Disconnect the coolant heater cord.

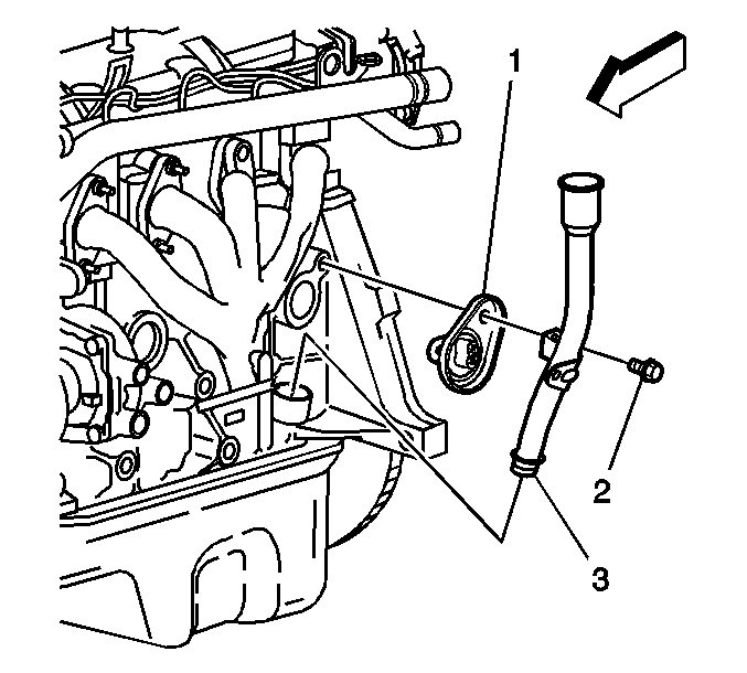
  3. Object Number: 798934  Size: SH
  4. Remove the oil fill tube bolt (2).
  5. Remove the oil fill tube (3).
  6. Remove the coolant heater (1).

Installation Procedure


    Object Number: 798934  Size: SH
  1. Install the coolant heater (1).
  2. Install the oil fill tube (3).
  3. Notice: Use the correct fastener in the correct location. Replacement fasteners must be the correct part number for that application. Fasteners requiring replacement or fasteners requiring the use of thread locking compound or sealant are identified in the service procedure. Do not use paints, lubricants, or corrosion inhibitors on fasteners or fastener joint surfaces unless specified. These coatings affect fastener torque and joint clamping force and may damage the fastener. Use the correct tightening sequence and specifications when installing fasteners in order to avoid damage to parts and systems.

  4. Install the oil fill tube bolt (2).
  5. Tighten
    Tighten the bolt to 50 N·m (37 lb ft)


    Object Number: 799002  Size: SH
  6. Connect the coolant heater cord.
  7. Fill the cooling system. Refer to Cooling System Draining and Filling .

Coolant Heater Replacement 2.4L (LD9)

Removal Procedure


    Object Number: 798924  Size: SH
  1. Drain the cooling system. Refer to Cooling System Draining and Filling .
  2. Disconnect the coolant heater cord (2).

  3. Object Number: 798928  Size: SH
  4. Remove the coolant heater (2).

Installation Procedure


    Object Number: 798928  Size: SH
  1. Install the coolant heater (2).
  2. Notice: Use the correct fastener in the correct location. Replacement fasteners must be the correct part number for that application. Fasteners requiring replacement or fasteners requiring the use of thread locking compound or sealant are identified in the service procedure. Do not use paints, lubricants, or corrosion inhibitors on fasteners or fastener joint surfaces unless specified. These coatings affect fastener torque and joint clamping force and may damage the fastener. Use the correct tightening sequence and specifications when installing fasteners in order to avoid damage to parts and systems.

    Tighten
    Tighten the coolant heater to 24 N·m (18 lb ft)


    Object Number: 798924  Size: SH
  3. Connect the coolant heater cord (2).
  4. Fill the cooling system. Refer to Cooling System Draining and Filling .