GM Service Manual Online
For 1990-2009 cars only
Figure 1:

Module Power, Ground and Serial Data


Object Number: 669197  Size: FS
Master Electrical Component List
Powertrain Control Module Description
Engine Data Sensors
OBD II Symbol Description Notice
G110 and G111
G110 and G111
B+ Bus Bar
I/P Fuse Block TURN-B/U, IGN MDL, PCM and BCM/CLU Fuses
Data Link Connector (DLC)
Data Link Connector (DLC)
Figure 2:

Engine Data Sensors--5 Volt and Low Reference


Object Number: 789837  Size: FS
Master Electrical Component List
Powertrain Control Module Description
Engine Data Sensors - O2S and HO2S
Engine Data Sensors
OBD II Symbol Description Notice
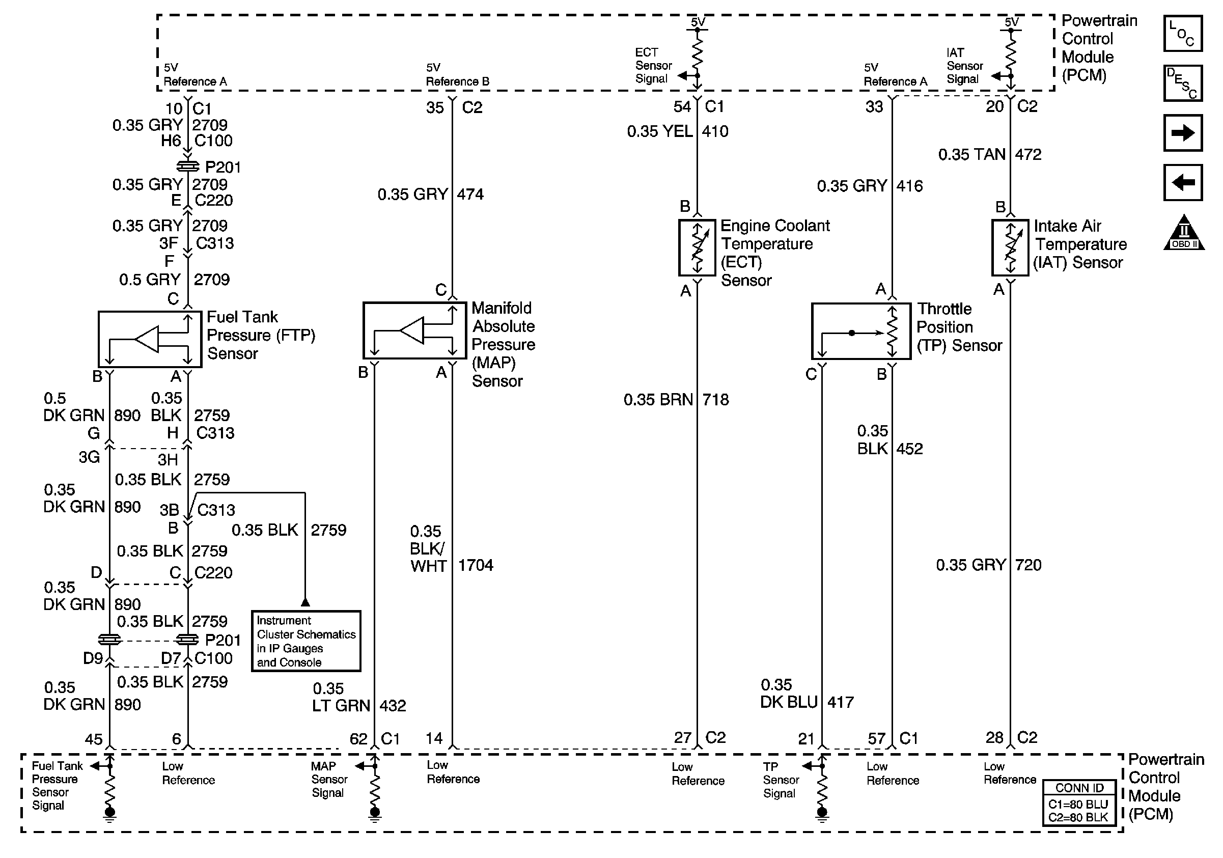
Figure 3:

Engine Data Sensors--Pressure and Temperature


Object Number: 787052  Size: FS
Master Electrical Component List
Powertrain Control Module Description
Five Volt Bus Bar
Module Power, Ground and Serial Data
OBD II Symbol Description Notice
Gauges
A/C Switches and Sensor
Figure 4:

Engine Data Sensors -- O2S and HO2S


Object Number: 669132  Size: FS
Master Electrical Component List
Powertrain Control Module Description
Ignition Controls
Five Volt Bus Bar
OBD II Symbol Description Notice
G112
I/P Fuse Block BCM, WIPER, HVAC, 02 HTR Fuses and PWR WDO Circuit Breaker
Figure 5:

Ignition Controls


Object Number: 669216  Size: FS
Master Electrical Component List
Electronic Ignition (EI) System Description
Fuel Delivery
Engine Data Sensors - O2S and HO2S
OBD II Symbol Description Notice
G110 and G111
I/P Fuse Block TURN-B/U, IGN MDL, PCM and BCM/CLU Fuses
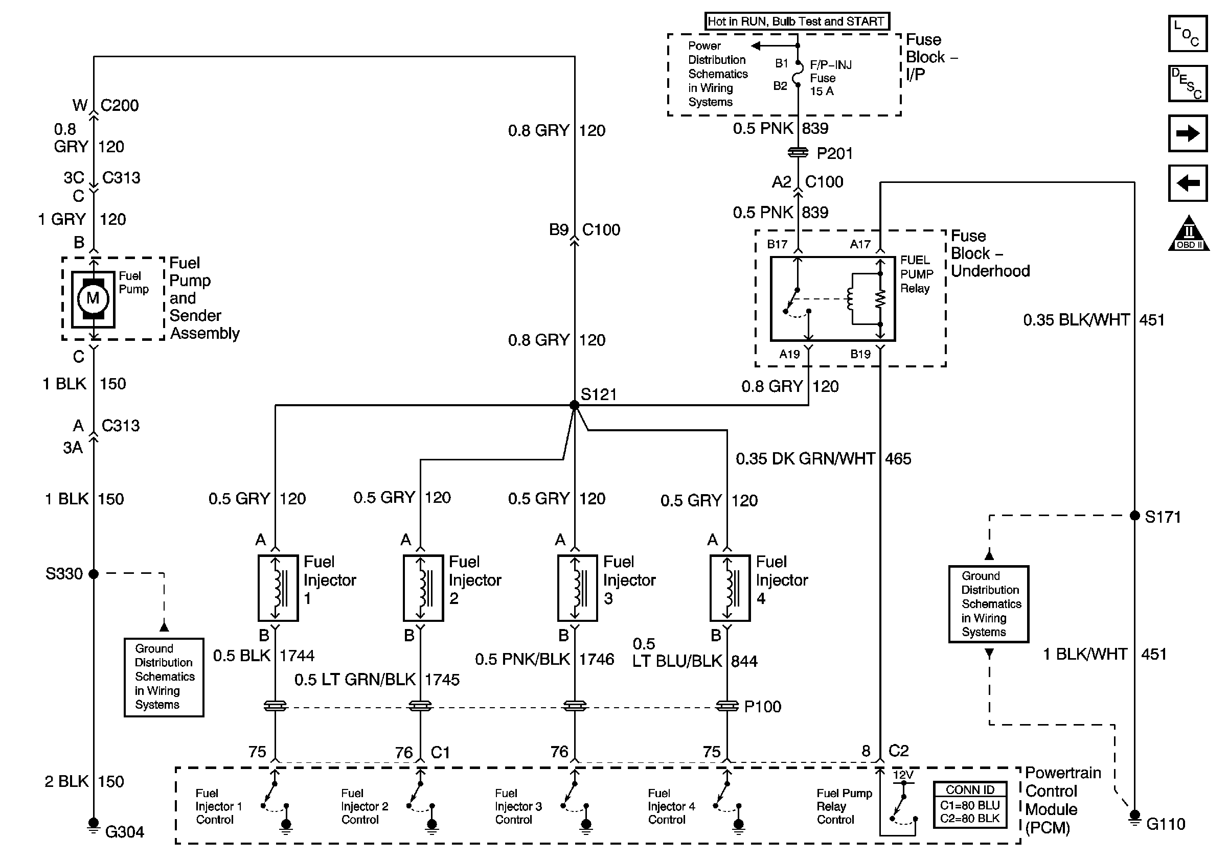
Figure 6:

Fuel Delivery


Object Number: 787048  Size: FS
Master Electrical Component List
Fuel System Description
EVAP Controls and IAC
Ignition Controls
OBD II Symbol Description Notice
G110 and G111
G304 - 2 of 2
Underhood Fuse Block IGN and ABS Fuses, I/P Fuse Block ABS, F/P-INJ, AIR BG and Cruise Fuses
Figure 7:

EVAP Controls and IAC


Object Number: 669239  Size: FS
Master Electrical Component List
Evaporative Emission Control System Description
Controlled/Monitored Subsystem References (1 of 2)
Fuel Delivery
OBD II Symbol Description Notice
I/P Fuse Block ERLS Fuse
I/P Fuse Block ERLS Fuse
I/P Fuse Block ERLS Fuse
Figure 8:

Controlled/Monitored Subsystem References (1 of 2)


Object Number: 787049  Size: FS
Master Electrical Component List
Powertrain Control Module Description
Controlled/Monitored Subsystem References (2 of 2)
EVAP Controls and IAC
OBD II Symbol Description Notice
PNP Switch and TCC Release Signal
Manual Transmission
TFP Switch and Speed Sensors
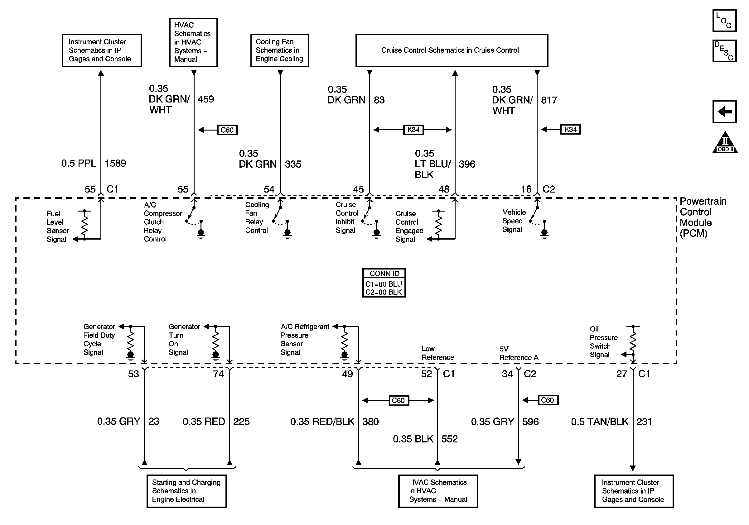
Figure 9:

Controlled/Monitored Subsystem References (2 of 2)


Object Number: 787051  Size: FS
Master Electrical Component List
Powertrain Control Module Description
Controlled/Monitored Subsystem References (1 of 2)
OBD II Symbol Description Notice
2002 J Car Cruise Control Schematics (Power, Ground, and Controls)
Engine Cooling
Indicators and Switches
Gauges
Blower Controls