GM Service Manual Online
For 1990-2009 cars only
Makes
🢒
Chevrolet
🢒
2002
🢒
Cavalier
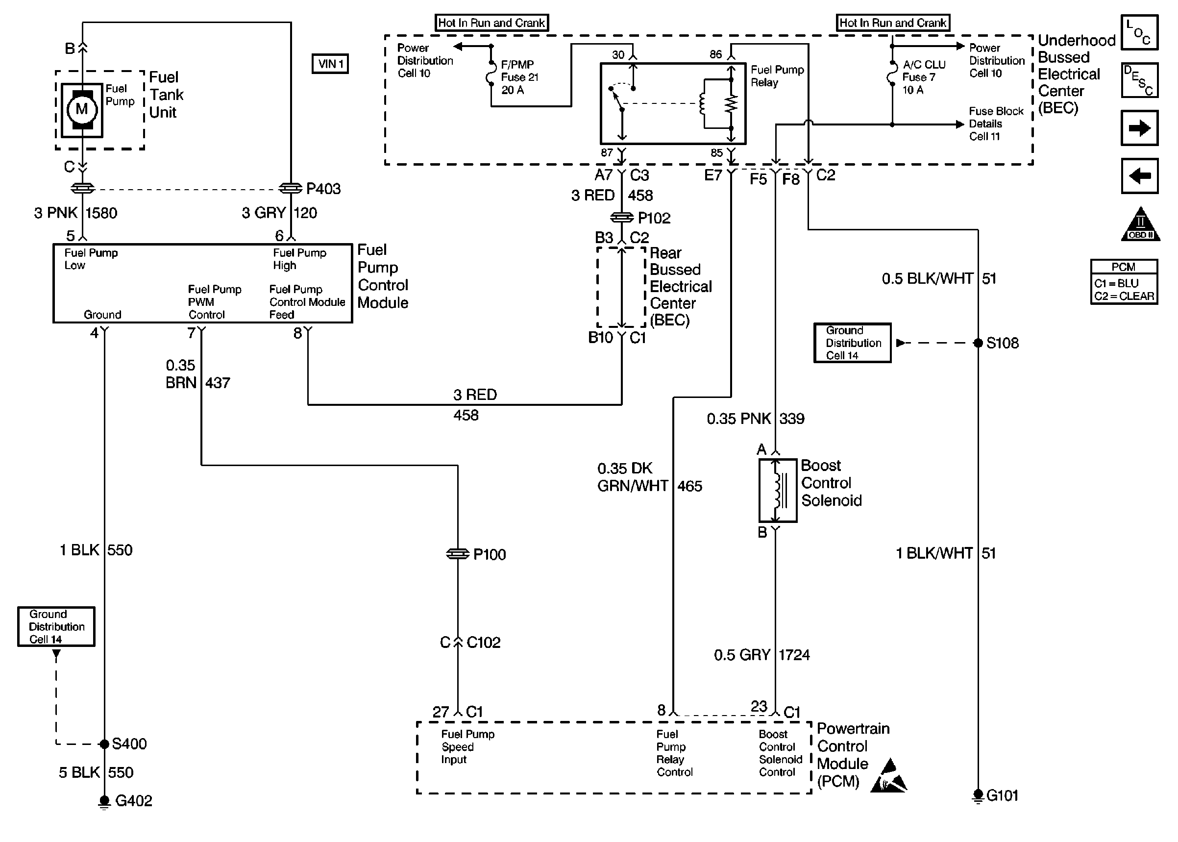
🢒 PCM Fuel and Boost Solenoid Control - VIN 1
PCM Fuel and Boost Solenoid Control - VIN 1
PCM Fuel and Boost Solenoid Control -- VIN 1
Engine Controls Components
Fuel Metering System Components
PCM Fuel Injector Control - VIN 1 and K
PCM Fuel Control - VIN K
OBD II Symbol Description Notice
Handling ESD Sensitive Parts Notice
Engine Controls Schematic References
Engine Controls Schematic References
Engine Controls Schematic References