GM Service Manual Online
For 1990-2009 cars only
Makes
🢒
Chevrolet
🢒
2002
🢒
Cavalier
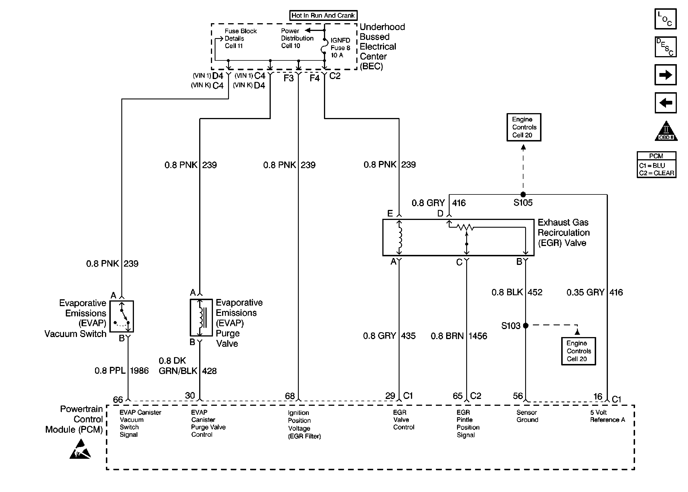
🢒 PCM EVAP and EGR Control - VIN 1 and K
PCM EVAP and EGR Control - VIN 1 and K
PCM EVAP and EGR Control -- VIN 1 and K
Engine Controls Components
Exhaust Gas Recirculation (EGR) System
PCM MAF, IAC, and KS Control - VIN 1 and K
PCM A/C Pressure, Oil Pressure, TP, MAP, IAT, and ECT Sensors Control VIN 1 and K
OBD II Symbol Description Notice
Handling ESD Sensitive Parts Notice
Engine Controls Schematic References