GM Service Manual Online
For 1990-2009 cars only
Makes
🢒
Chevrolet
🢒
2002
🢒
Cavalier
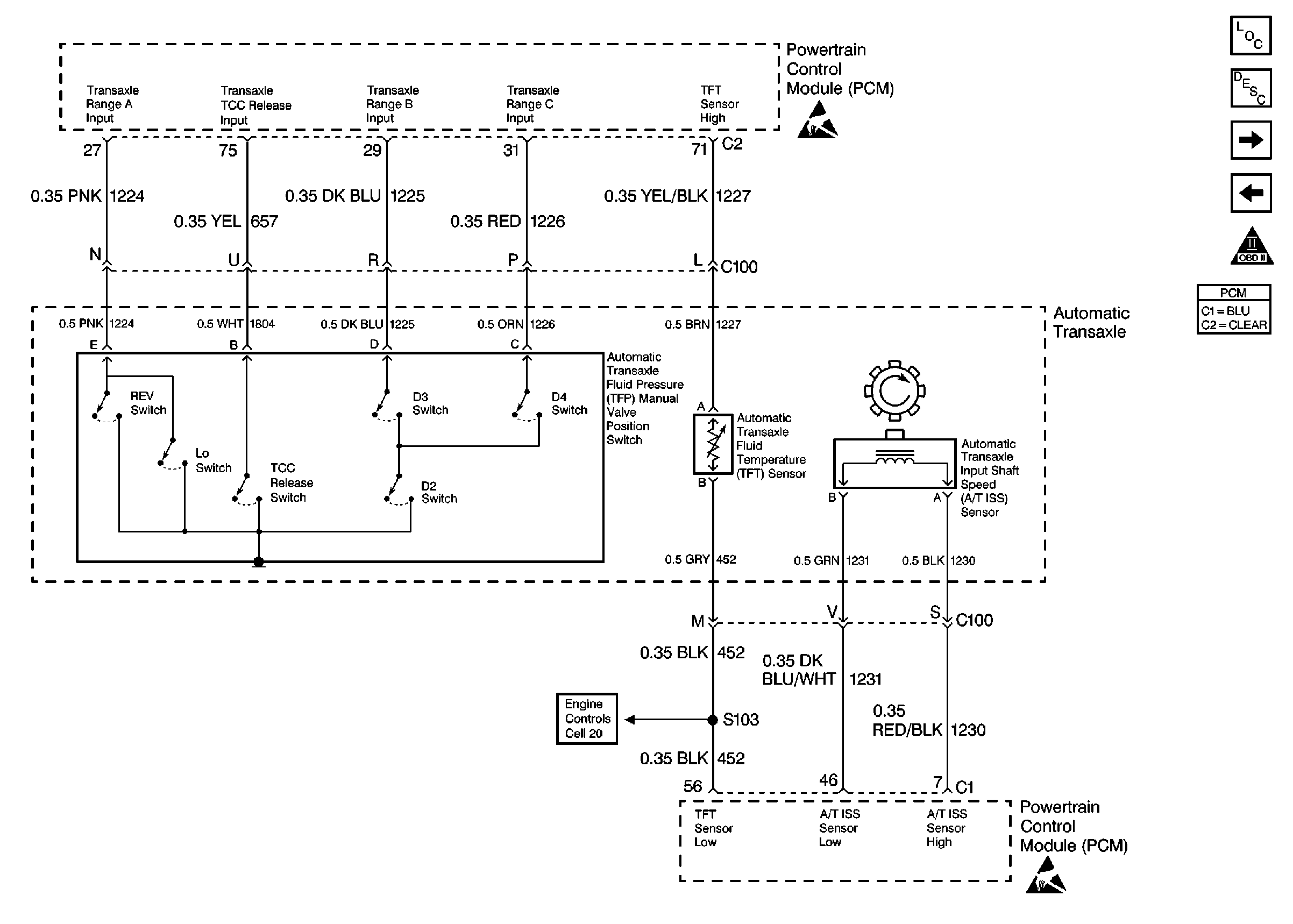
🢒 PCM TFP Switch, TFT, and A/T ISS Sensors Control - VIN 1 and K
PCM TFP Switch, TFT, and A/T ISS Sensors Control - VIN 1 and K
PCM TFP Switch, TFT, and A/T ISS Sensors Control -- VIN 1 and K
Engine Controls Components
Information Sensors
PCM PNP Switch and Starter Enable Control - VIN 1 and K
PCM TCC/ABS Switch, TCC, 1-2 Shift, 2-3 Shift, and PC Solenoids Control - VIN 1 and K
OBD II Symbol Description Notice
Handling ESD Sensitive Parts Notice
Handling ESD Sensitive Parts Notice