GM Service Manual Online
For 1990-2009 cars only
Figure 1:

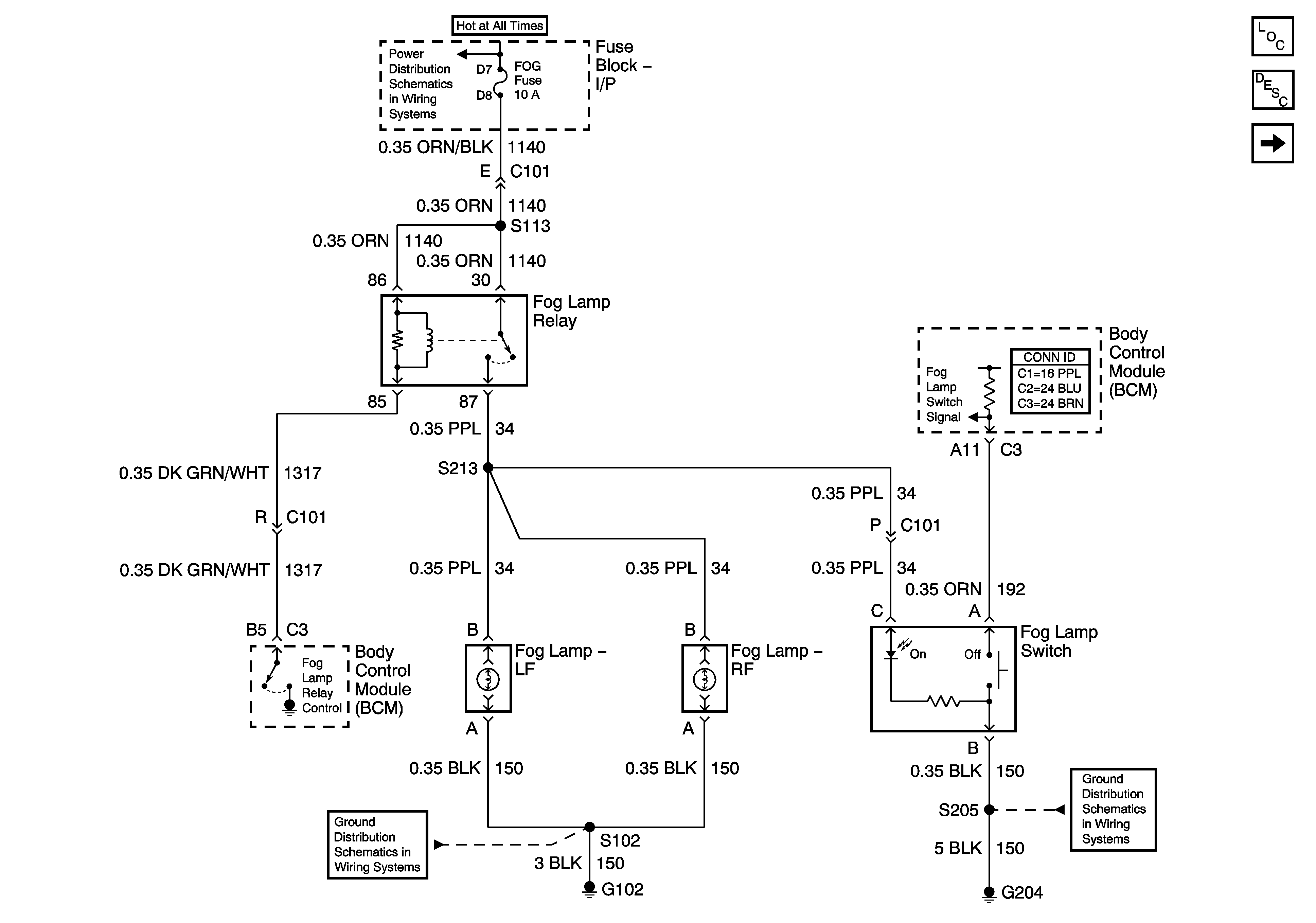
Front Fog Lamps - Pontiac, Early Production


Object Number: 1237720  Size: FS
Master Electrical Component List
Interior Lighting Systems Description and Operation
Front Fog Lamps - Chevrolet, Early Production
Fuse Block-I/P CIG, HORN, LT HDLP, CLSTR, EXT LP, FOG Fuses, and HDLP Circuit Breaker
G102 - 1 of 2 , Early Production
G204 2 of 2
Figure 2:

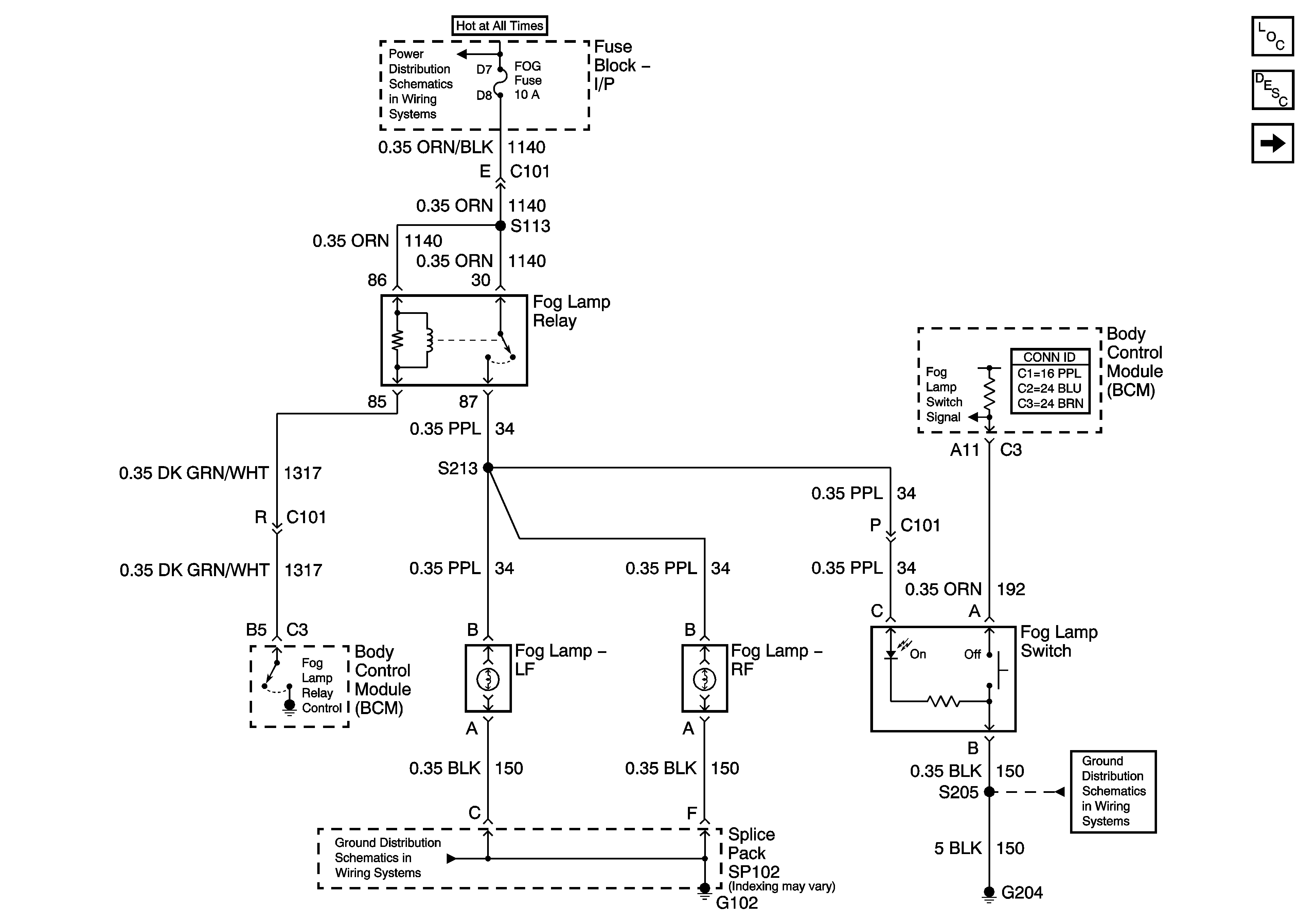
Front Fog Lamps - Pontiac, Late Production


Object Number: 1237721  Size: FS
Master Electrical Component List
Interior Lighting Systems Description and Operation
Front Fog Lamps - Chevrolet, Late Production
Fuse Block-I/P CIG, HORN, LT HDLP, CLSTR, EXT LP, FOG Fuses, and HDLP Circuit Breaker
G102 - 1 of 2 , Late Production
G204 2 of 2
Figure 3:

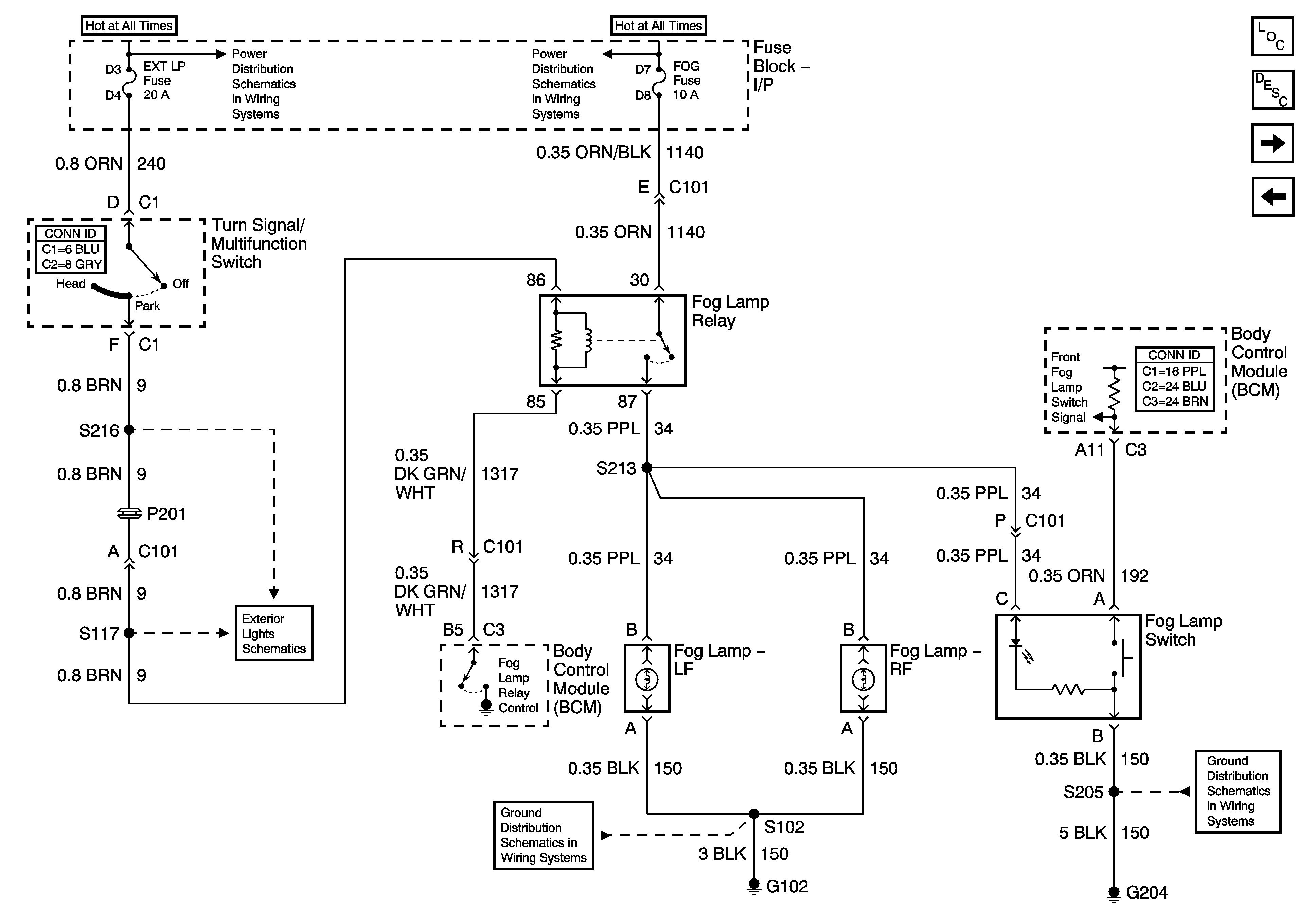
Front Fog Lamps - Chevrolet, Early Production


Object Number: 1237722  Size: FS
Master Electrical Component List
Interior Lighting Systems Description and Operation
Fog Lamps - Export
Front Fog Lamps - Pontiac, Early Production
Fuse Block-I/P CIG, HORN, LT HDLP, CLSTR, EXT LP, FOG Fuses, and HDLP Circuit Breaker
Fuse Block-I/P CIG, HORN, LT HDLP, CLSTR, EXT LP, FOG Fuses, and HDLP Circuit Breaker
Park Lamps and Marker Lamps Controls - Front - Pontiac, Early Production
G102 - 1 of 2 , Early Production
G204 2 of 2
Figure 4:

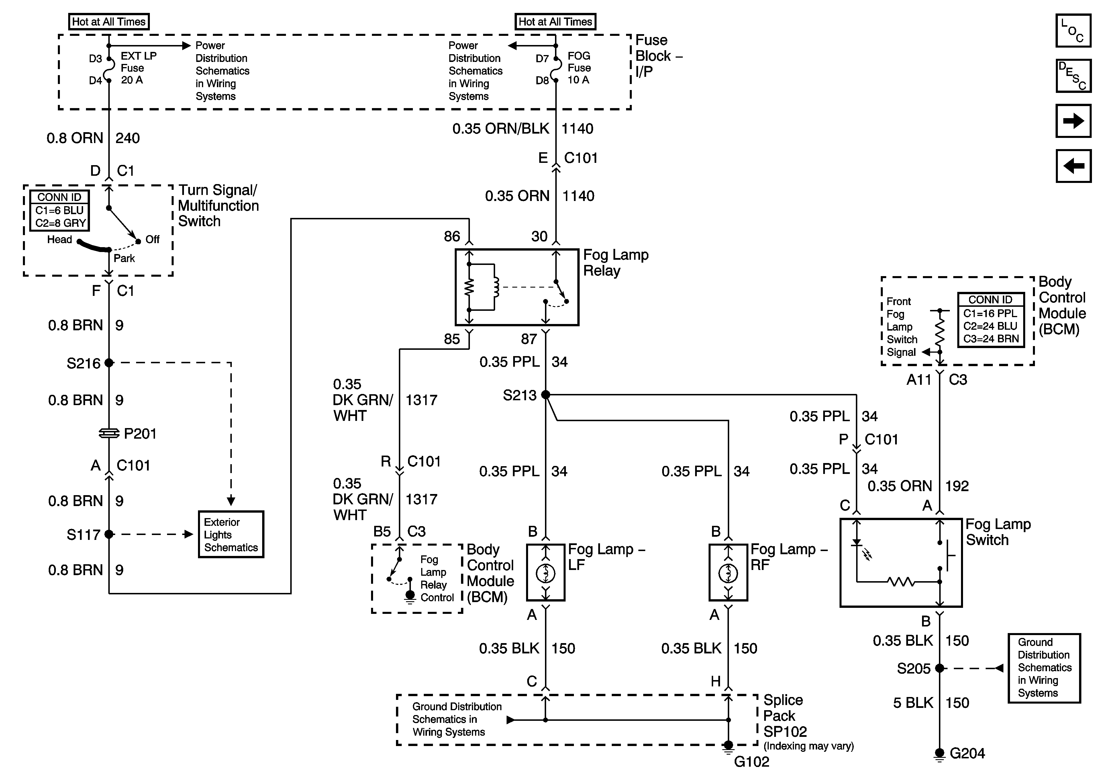
Front Fog Lamps - Chevrolet, Late Production


Object Number: 1237724  Size: FS
Master Electrical Component List
Interior Lighting Systems Description and Operation
Fog Lamps - Export
Front Fog Lamps - Pontiac, Late Production
Fuse Block-I/P CIG, HORN, LT HDLP, CLSTR, EXT LP, FOG Fuses, and HDLP Circuit Breaker
Fuse Block-I/P CIG, HORN, LT HDLP, CLSTR, EXT LP, FOG Fuses, and HDLP Circuit Breaker
Park Lamps and Marker Lamps Controls - Front - Pontiac, Late Production
G102 - 1 of 2 , Late Production
G204 2 of 2
Figure 5:

Fog Lamps - Export


Object Number: 825164  Size: FS
Master Electrical Component List
Exterior Lighting Systems Description and Operation
Front Fog Lamps (Chevrolet)
Fuse Block-I/P CIG, HORN, LT HDLP, CLSTR, EXT LP, FOG Fuses, and HDLP Circuit Breaker
Fuse Block-I/P CIG, HORN, LT HDLP, CLSTR, EXT LP, FOG Fuses, and HDLP Circuit Breaker
Pk Lp Controls and Repeater Lamps - Chevrolet
G102
G204 2 of 2