GM Service Manual Online
For 1990-2009 cars only
Makes
🢒
Chevrolet
🢒
2003
🢒
Cavalier
🢒
Body and Accessories
🢒
Horns
🢒 Horn Schematics
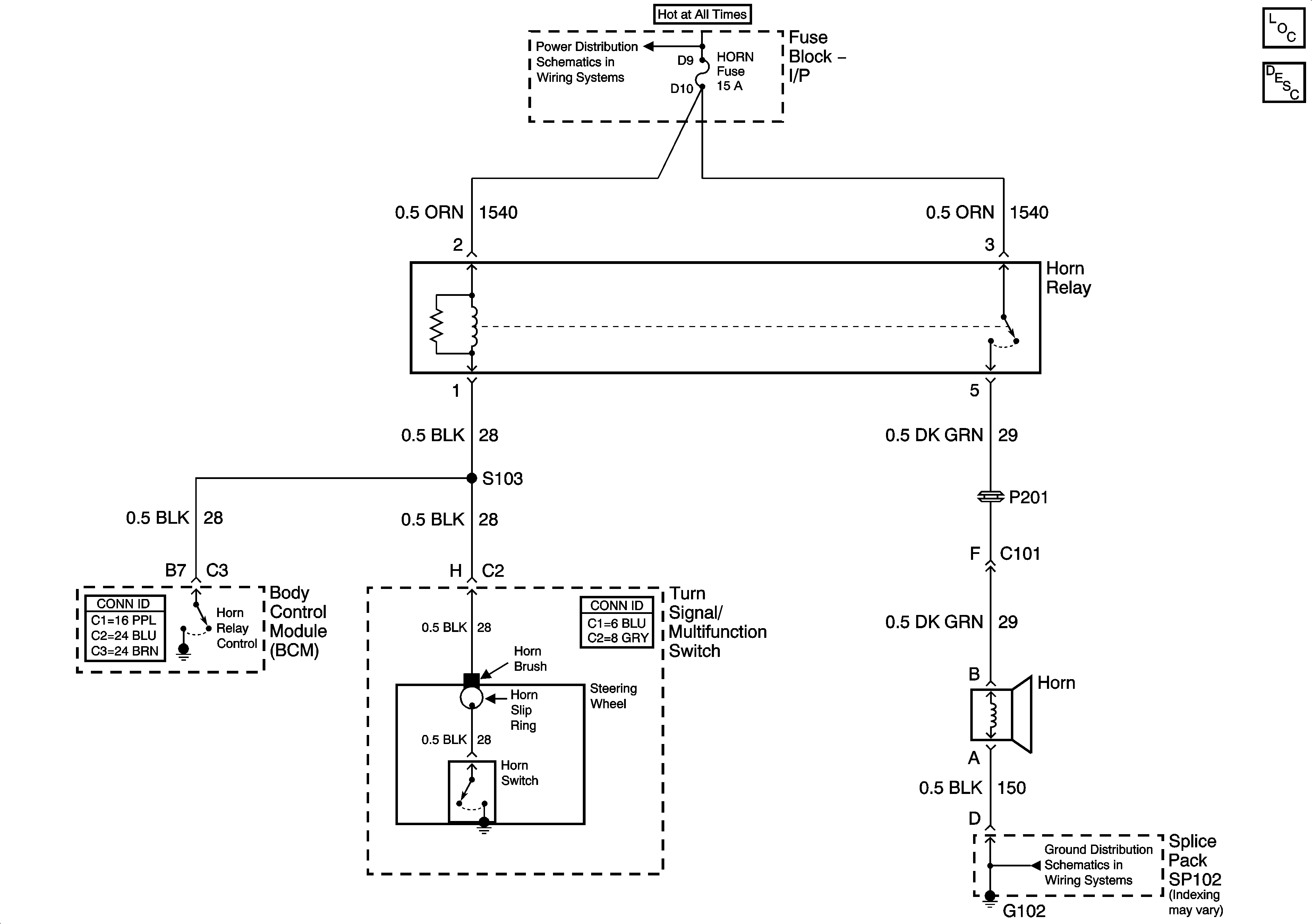
Figure
1:
Early Production
Master Electrical Component List
Horns System Description and Operation
Fuse Block-I/P CIG, HORN, LT HDLP, CLSTR, EXT LP, FOG Fuses, and HDLP Circuit Breaker
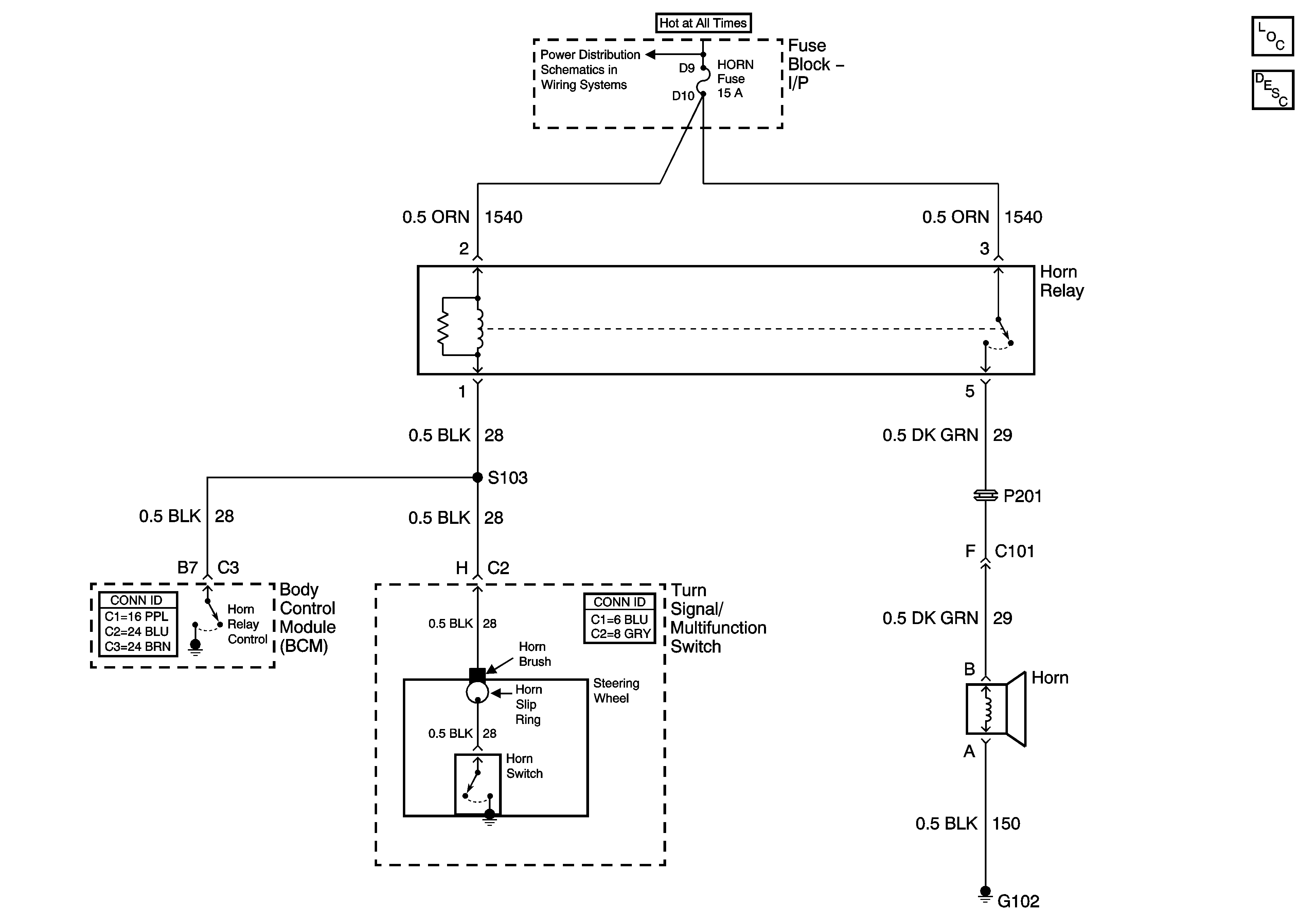
Figure
2:
Late Production
Master Electrical Component List
Horns System Description and Operation
Fuse Block-I/P CIG, HORN, LT HDLP, CLSTR, EXT LP, FOG Fuses, and HDLP Circuit Breaker