GM Service Manual Online
For 1990-2009 cars only
Figure 1:

Fuse Block - Underhood B+ Bar


Object Number: 885683  Size: FS
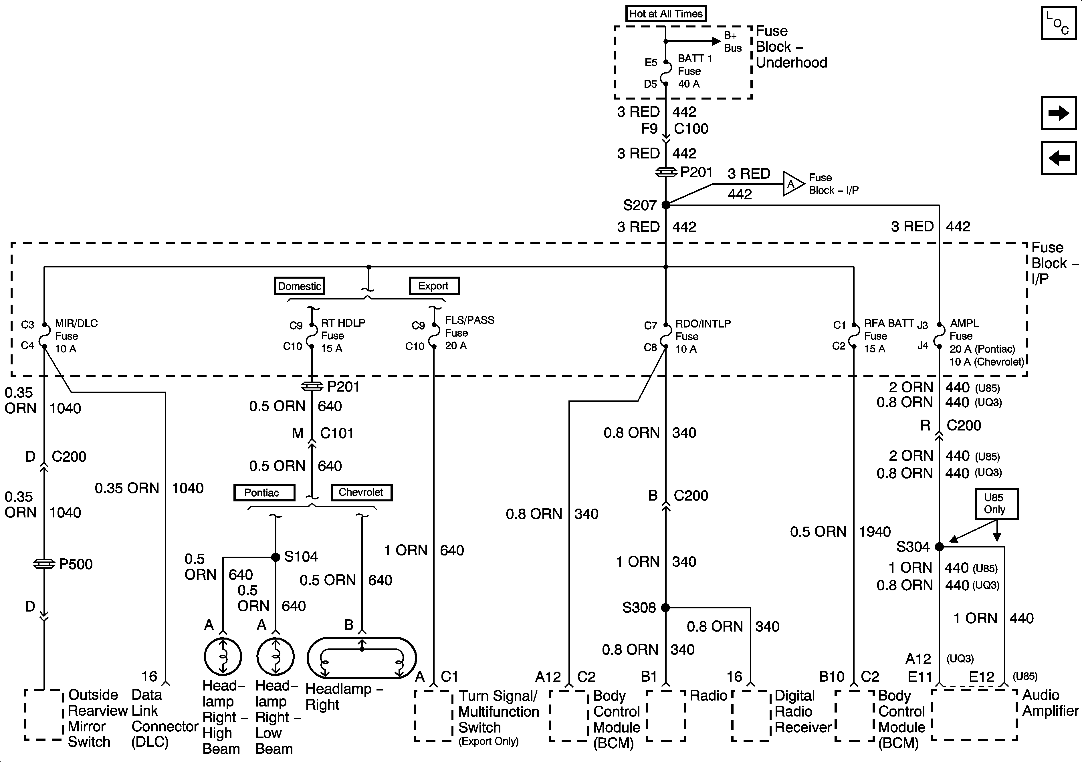
Figure 2:

Fuse Block - Underhood BATT 1 FUSE, Fuse Block - I/P MIR/DLC, RT HDLP, FLS/PASS, RDO/INTLP, RFA/BATT, AMPL Fuses


Object Number: 885675  Size: FS
Figure 3:

Fuse Block - I/P CIG, HORN, LT HDLP, CLUSTR, EXT LP, FOG Fuses and HDLP Circuit Breaker


Object Number: 885684  Size: FS
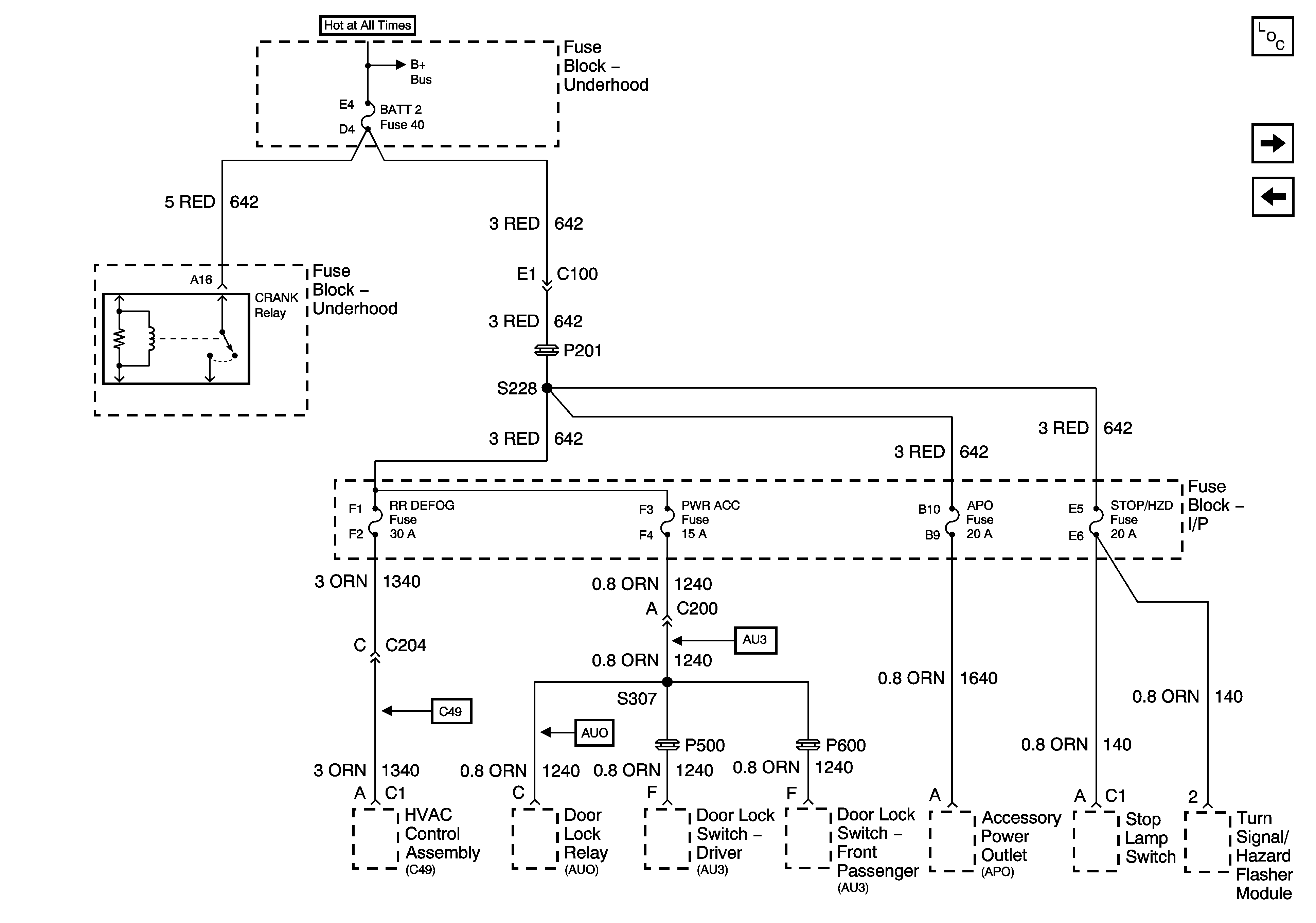
Figure 4:

Fuse Block - Underhood BATT 2, Fuse Block - I/P RR DEFOG, PWR ACC, APO, STOP/HZD Fuses


Object Number: 885685  Size: FS
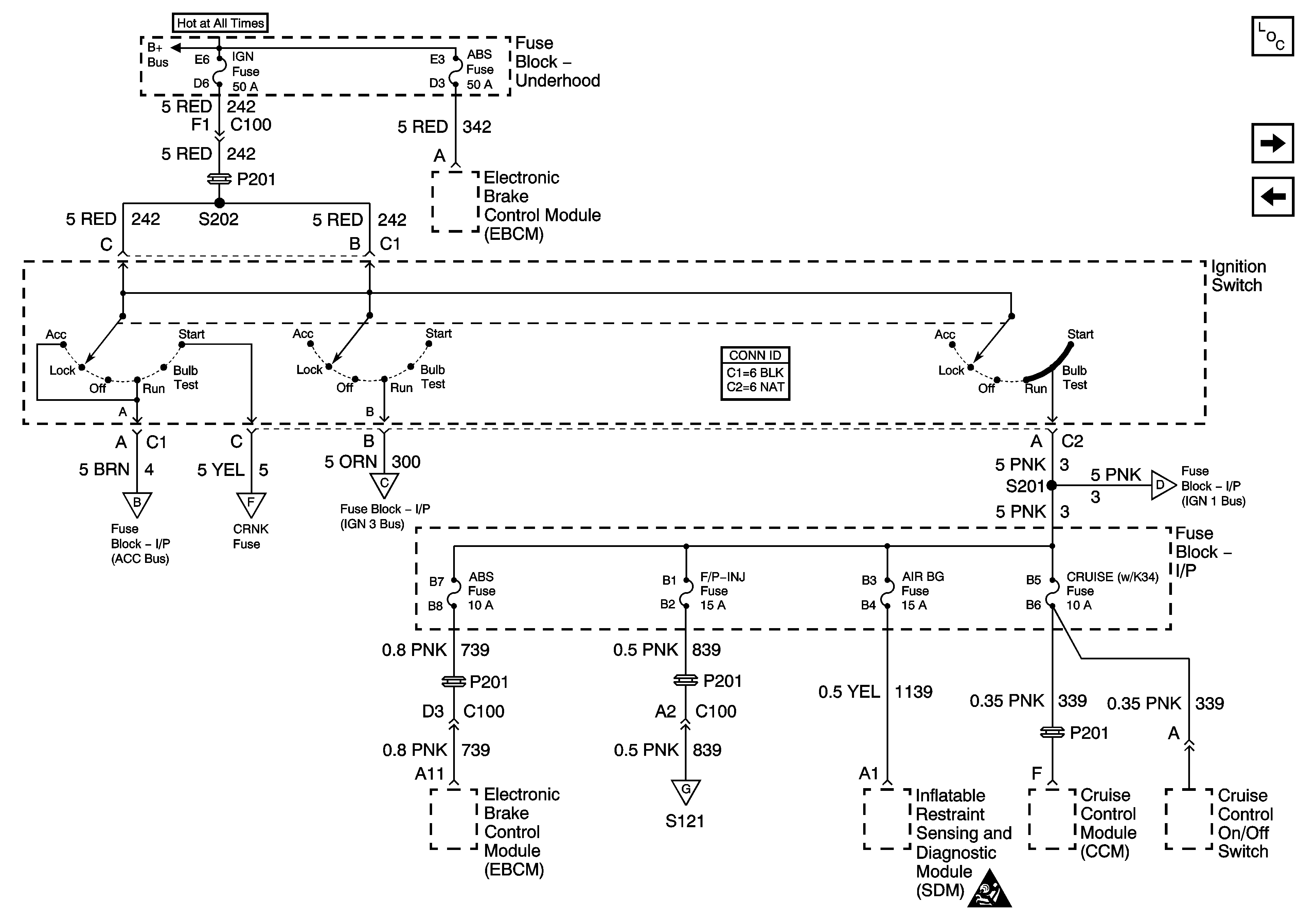
Figure 5:

Fuse Block - Underhood IGN, ABS, Fuse Block - I/P ABS, F/P-INJ, AIR BG, CRUISE Fuses


Object Number: 885686  Size: FS
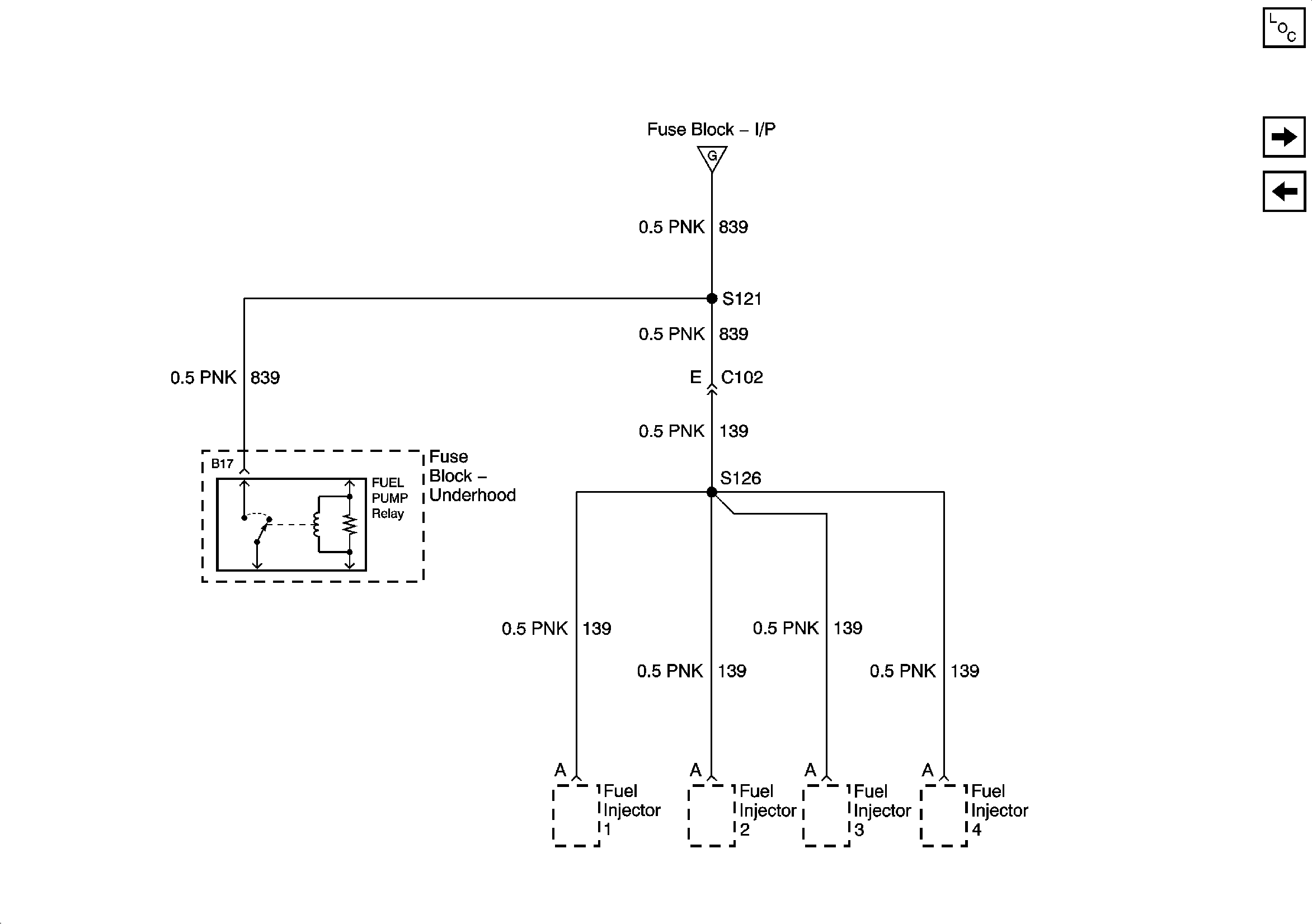
Figure 6:

Fuse Block I/P F/P-INJ Fuse


Object Number: 885687  Size: FS
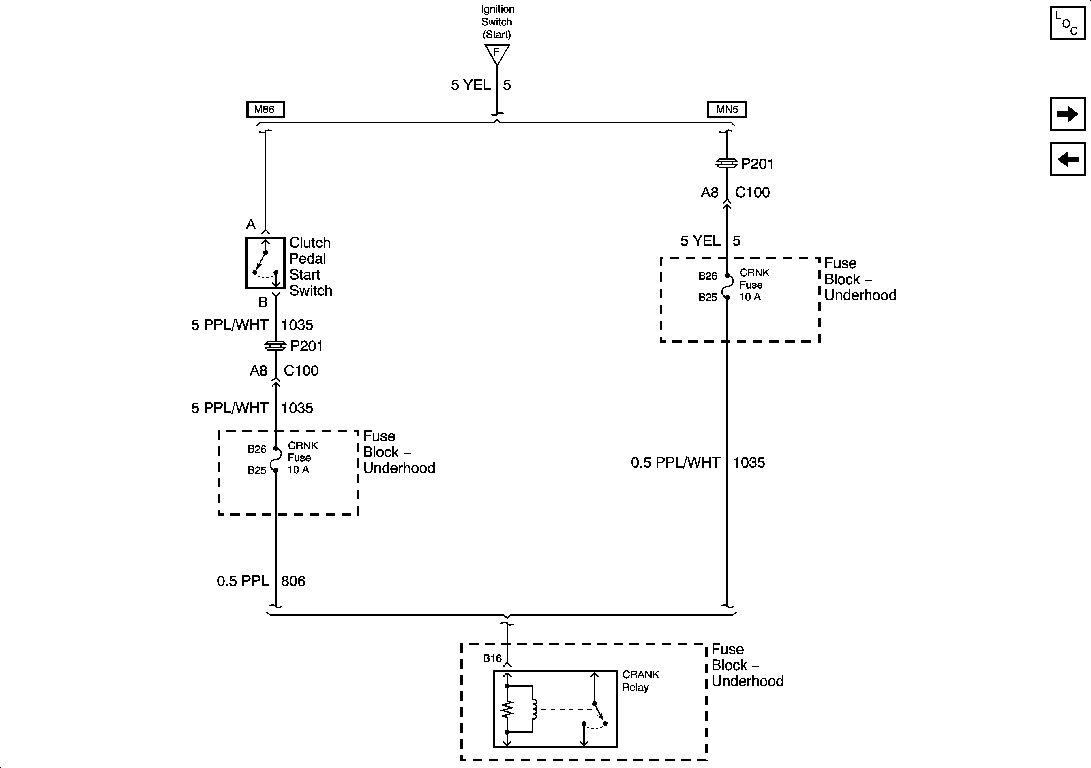
Figure 7:

Fuse Block - Underhood CRNK Fuse


Object Number: 1400615  Size: FS
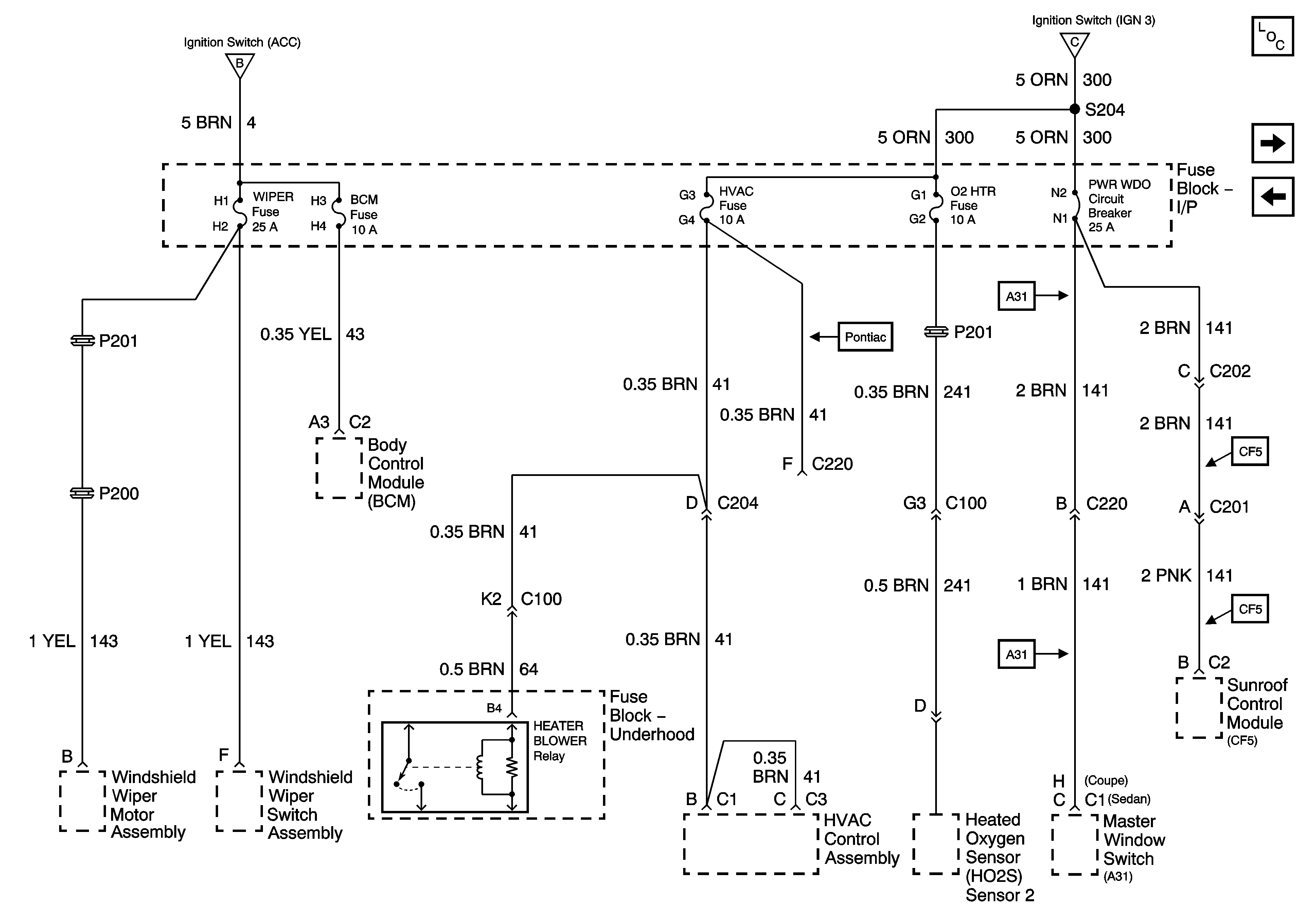
Figure 8:

Fuse Block - I/P WIPER, BCM, HVAC, 02 HTR Fuses and PWR WDO Circuit Breaker


Object Number: 885689  Size: FS
Figure 9:

Fuse Block - I/P, TURN B/U, IGN MDL, PCM, BCM/CLU Fuses


Object Number: 1400616  Size: FS
Figure 10:

Fuse Block - I/P ERLS Fuses


Object Number: 1400838  Size: FS