GM Service Manual Online
For 1990-2009 cars only
Makes
🢒
Chevrolet
🢒
2005
🢒
Cavalier
🢒
Vehicle Control Systems
🢒
Vehicle DTC Information
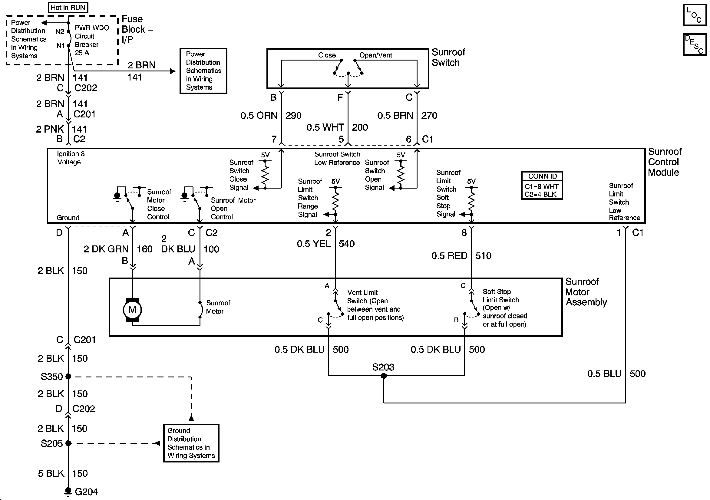
🢒 Sunroof Schematics
Master Electrical Component List
Sunroof Description and Operation
Fuse Block - I/P WIPER, BCM, HAVC, 02 HTR Fuses and PWR WDO Circuit Breaker
Fuse Block - I/P WIPER, BCM, HAVC, 02 HTR Fuses and PWR WDO Circuit Breaker
G204 - Page 1 of 2