GM Service Manual Online
For 1990-2009 cars only
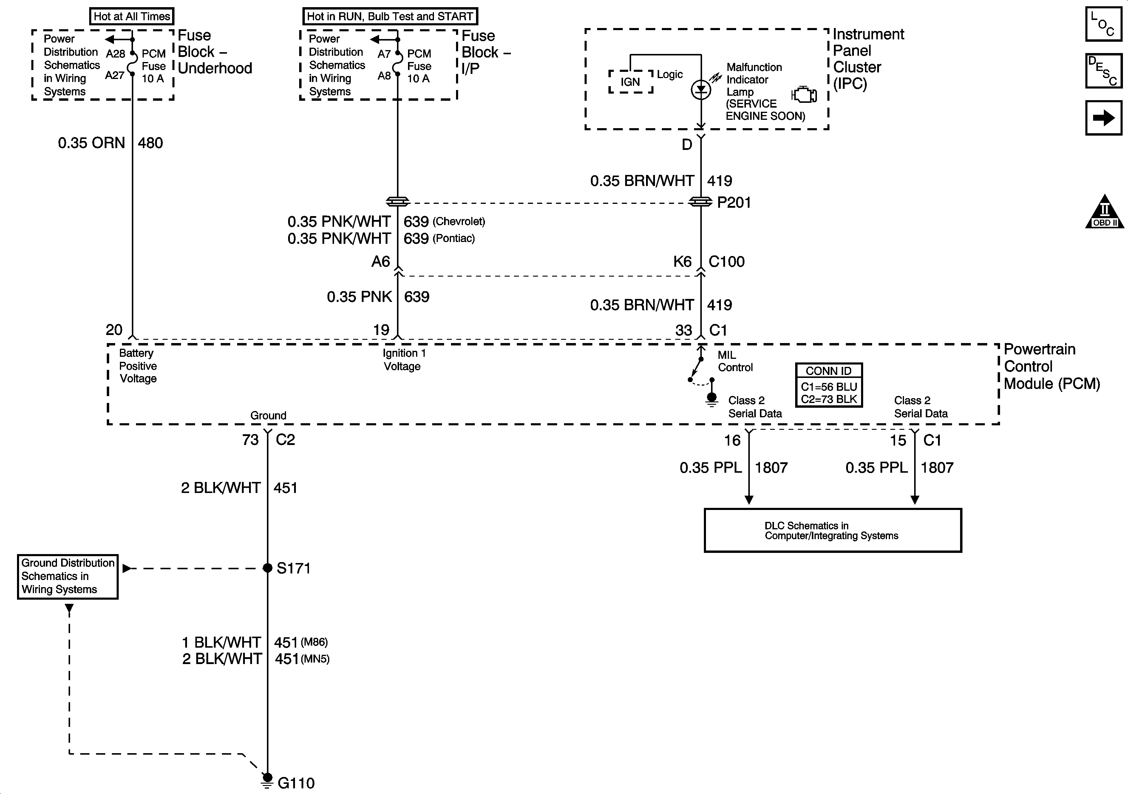
Figure 1:

Module Power, Ground, Serial Data and MIL


Object Number: 1400607  Size: FS
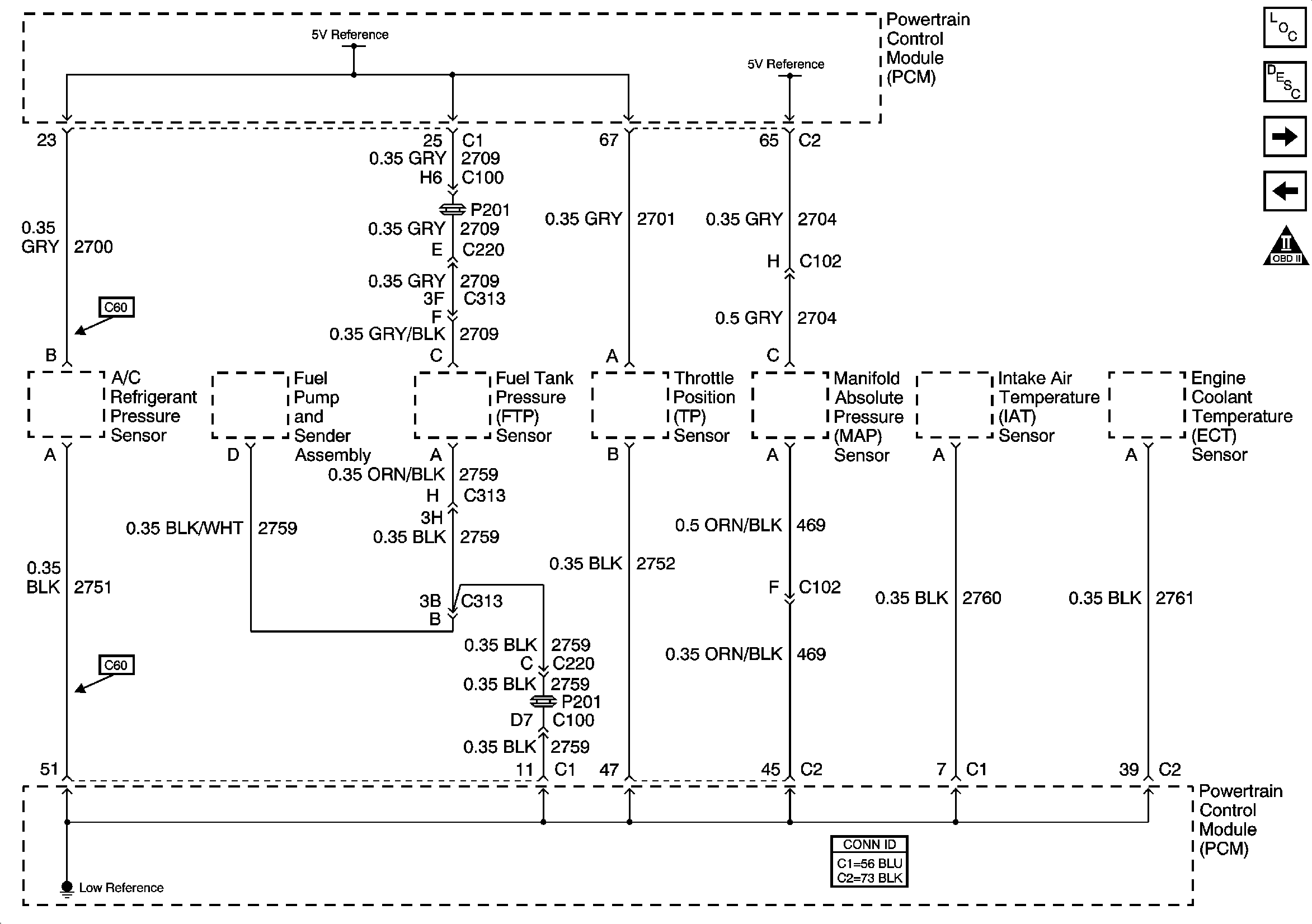
Figure 2:

5-Volt and Low Reference Bussing


Object Number: 788898  Size: FS
Figure 3:

Engine Data Sensors - Pressure and Temperature


Object Number: 783404  Size: FS
Figure 4:

Heated Oxygen Sensors


Object Number: 783405  Size: FS
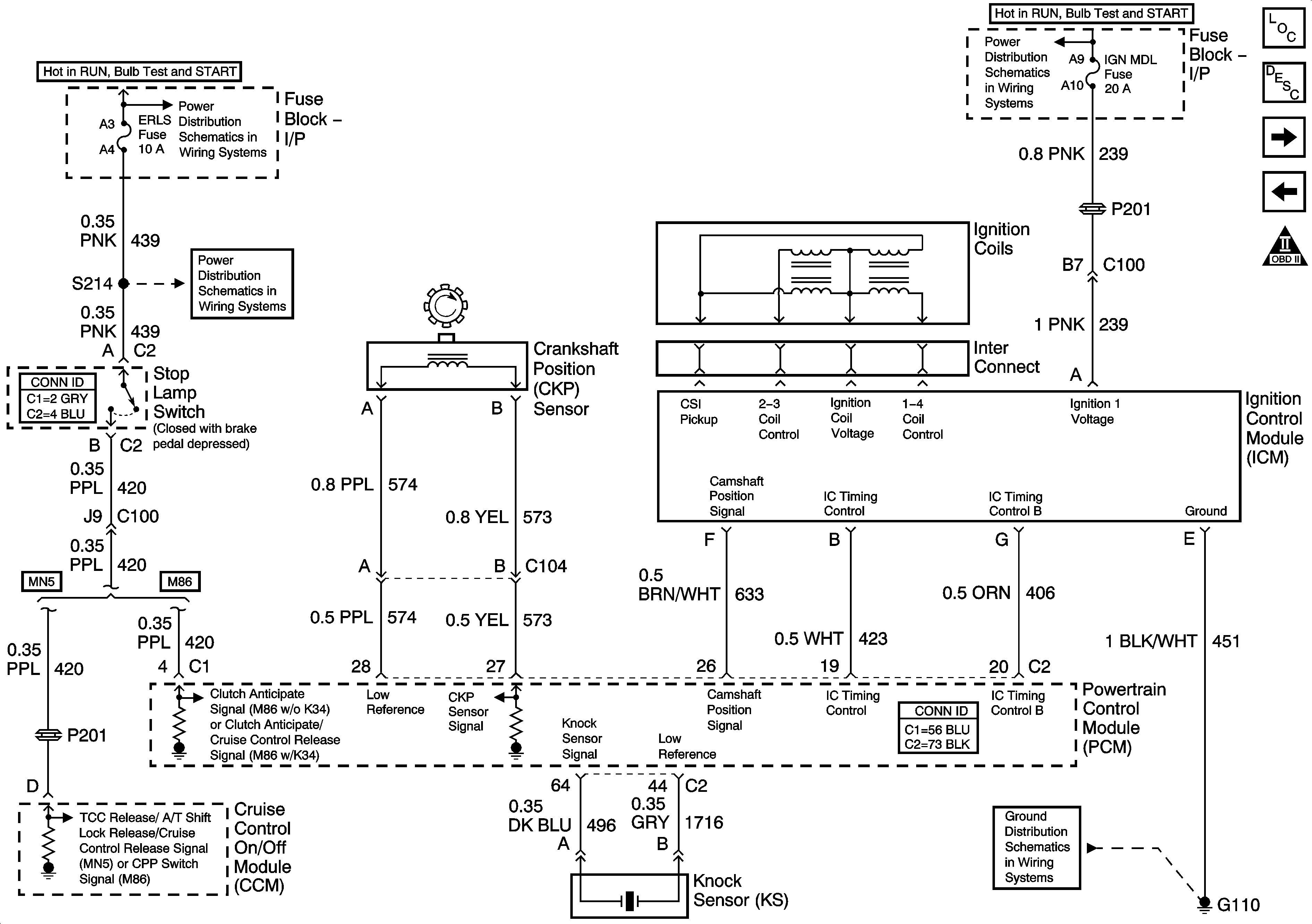
Figure 5:

Ignition Controls


Object Number: 1400608  Size: FS
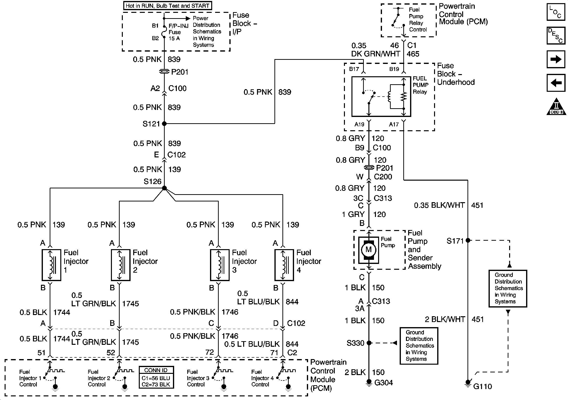
Figure 6:

Fuel Delivery


Object Number: 783409  Size: FS
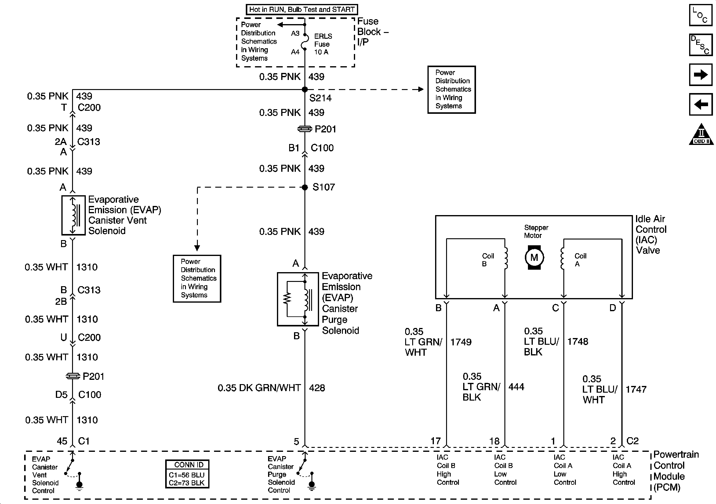
Figure 7:

EVAP Controls and IAC


Object Number: 783411  Size: FS
Figure 8:

Transmission Controls - A/T


Object Number: 1400609  Size: FS
Figure 9:

Controlled/Monitored Subsystem References


Object Number: 783418  Size: FS