GM Service Manual Online
For 1990-2009 cars only
Figure 1:

Controls and Indicators - Domestic


Object Number: 1400621  Size: FS
Master Electrical Component List
Exterior Lighting Systems Description and Operation
Headlamps - Pontiac
Fuse Block - I/P CIG, HORN, LT HDLP, CLUSTR, EXT LP, FOG Fuses and HDLP Circuit Breaker
Data Link Connector (DLC)
Headlamps - Chevrolet Domestic
Headlamps - Pontiac
Headlamps - Chevrolet Domestic
Headlamps - Pontiac
G102
G102, G201, G303
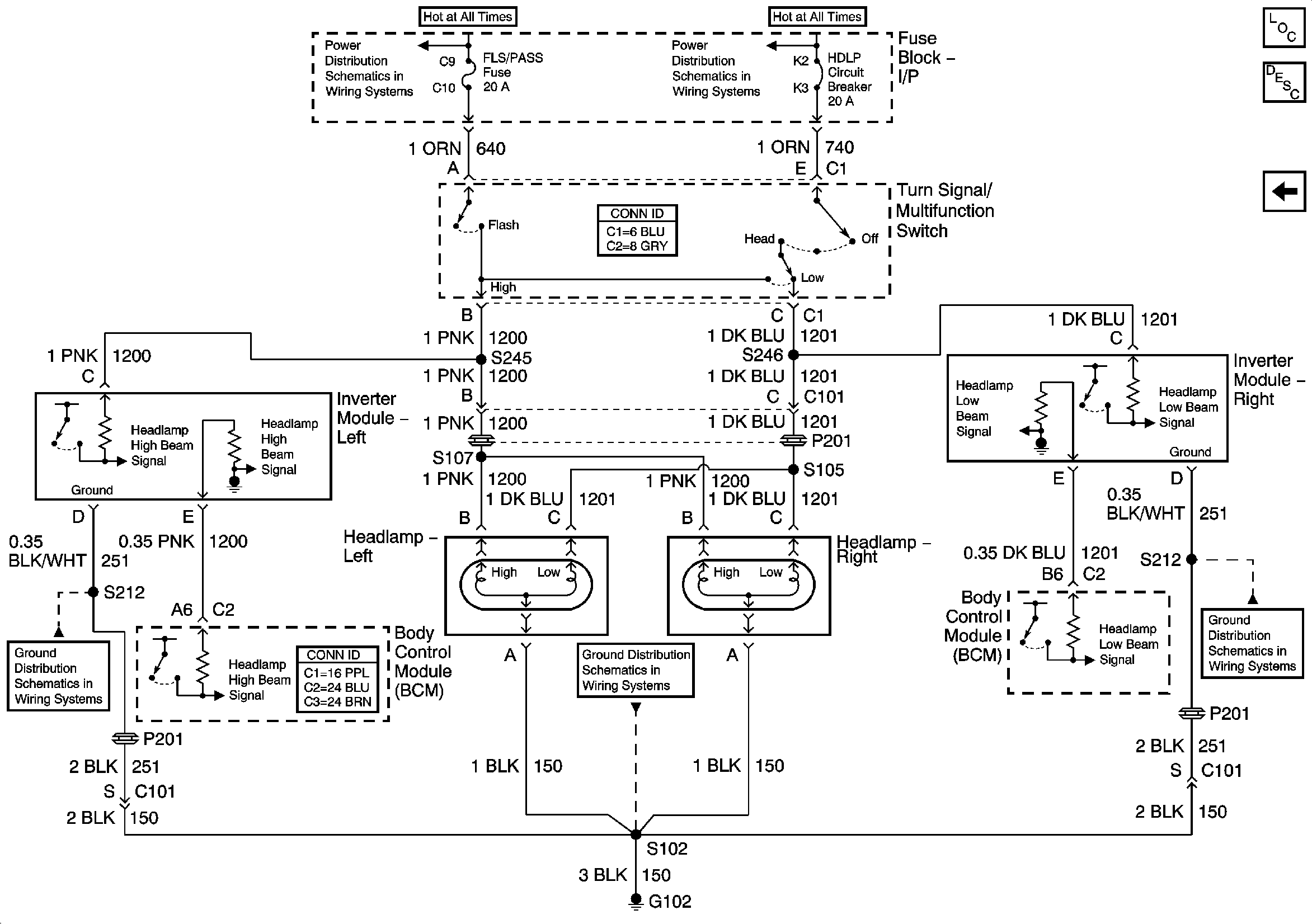
Figure 2:

Headlamps - Pontiac


Object Number: 892891  Size: FS
Master Electrical Component List
Exterior Lighting Systems Description and Operation
Headlamps - Chevrolet Domestic
Controls and Indicators - Domestic
Fuse Block - I/P CIG, HORN, LT HDLP, CLUSTR, EXT LP, FOG Fuses and HDLP Circuit Breaker
Fuse Block - Underhood BATT 1 Fuse, Fuse Block - I/P MIR/DLC, RT HDLP, FLS/PASS, RDO/INTLP, RFA/BATT, AMPL Fuses
Headlamps - Chevrolet Domestic
Headlamps - Chevrolet Domestic
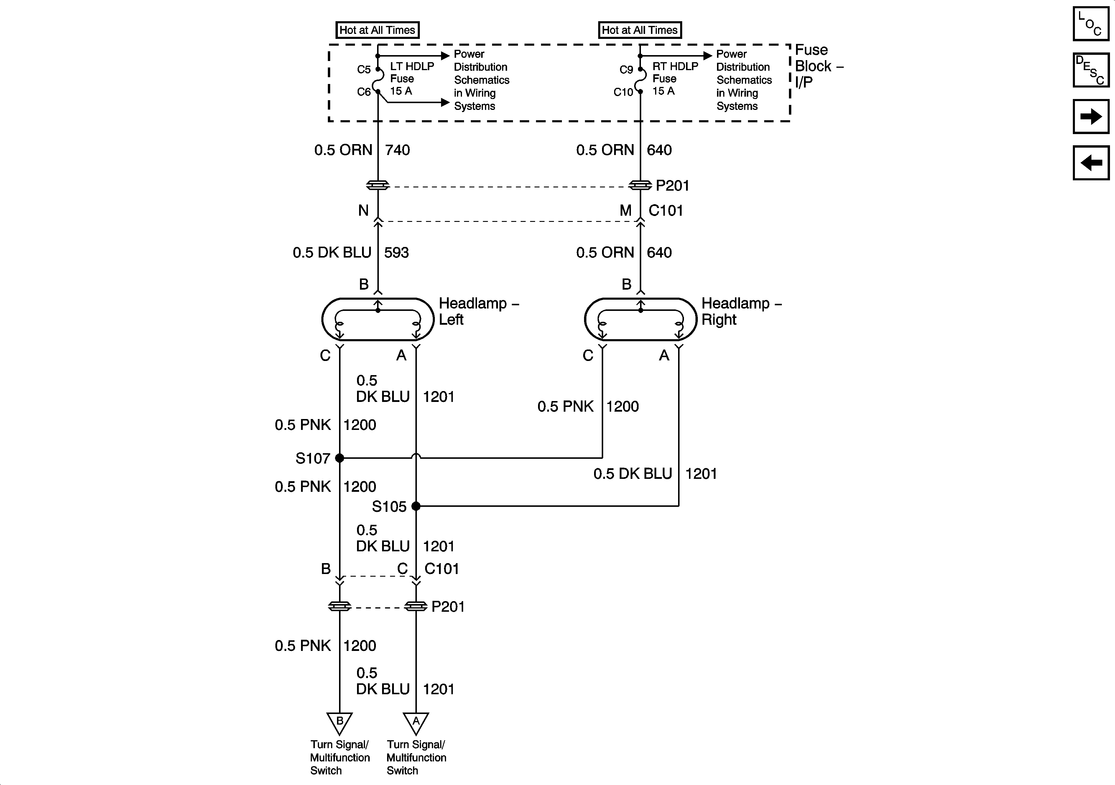
Figure 3:

Headlamps - Chevrolet Domestic


Object Number: 892887  Size: FS
Master Electrical Component List
Exterior Lighting Systems Description and Operation
Export Headlamps and Indicators
Headlamps - Pontiac
Fuse Block - I/P CIG, HORN, LT HDLP, CLUSTR, EXT LP, FOG Fuses and HDLP Circuit Breaker
Fuse Block - Underhood BATT 1 Fuse, Fuse Block - I/P MIR/DLC, RT HDLP, FLS/PASS, RDO/INTLP, RFA/BATT, AMPL Fuses
Headlamps - Pontiac
Headlamps - Pontiac
Figure 4:

Export Headlamps and Indicators


Object Number: 893387  Size: FS
Master Electrical Component List
Exterior Lighting Systems Description and Operation
Headlamps - Chevrolet Domestic
Fuse Block - Underhood BATT 1 Fuse, Fuse Block - I/P MIR/DLC, RT HDLP, FLS/PASS, RDO/INTLP, RFA/BATT, AMPL Fuses
Fuse Block - I/P CIG, HORN, LT HDLP, CLUSTR, EXT LP, FOG Fuses and HDLP Circuit Breaker
G102, G201, G303
G102
G102, G201, G303