GM Service Manual Online
For 1990-2009 cars only
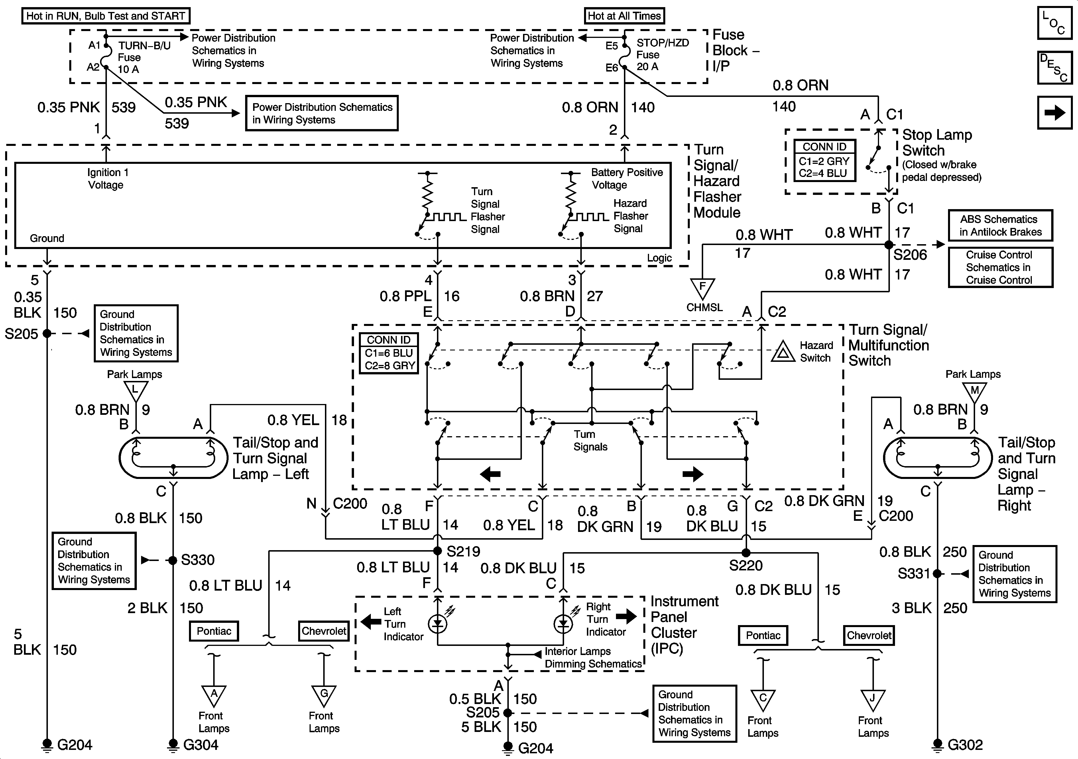
Figure 1:

Lamp Controls, Rear Turn Lamps and Indicators


Object Number: 825170  Size: FS
Master Electrical Component List
Exterior Lighting Systems Description and Operation
Park Lamps and Marker Lamps Controls - Front Pontiac
Fuse Block I/P, TURN B/U, IGN MDL, PCM , BCM/CLU Fuses
Fuse Block - Underhood BATT 2, Fuse Block - I/P RR DEFOG, PWR ACC, APO, STOP/HZD Fuses
Fuse Block I/P, TURN B/U, IGN MDL, PCM , BCM/CLU Fuses
Center High Mounted Stop Lamps
G204 - Page 2 of 2
ABS Indicators and Switches
Cruise Control Release Signals
G304 - Page 1 of 2
Park Lamps and Marker Lamps Controls - Front Pontiac
Park Lamps Controls and Repeater Lamps - Chevrolet
G204 - Page 2 of 2
Park Lamps and Marker Lamps Controls - Front Pontiac
Park Lamps Controls and Repeater Lamps - Chevrolet
Rear Lamps
G302
Figure 2:

Park Lamps and Marker Lamps Controls - Front - Pontiac


Object Number: 893390  Size: FS
Master Electrical Component List
Exterior Lighting Systems Description and Operation
Park Lamps Controls and Repeater Lamps - Chevrolet
Lamp Controls, Rear Turn Lamps and Indicators
Fuse Block - I/P CIG, HORN, LT HDLP, CLUSTR, EXT LP, FOG Fuses and HDLP Circuit Breaker
Lamp Controls, Rear Turn Lamps and Indicators
Lamp Controls, Rear Turn Lamps and Indicators
Rear Lamps
G102
Figure 3:

Park Lamps Controls and Repeater Lamps - Chevrolet


Object Number: 893391  Size: FS
Master Electrical Component List
Exterior Lighting Systems Description and Operation
Rear Lamps
Park Lamps and Marker Lamps Controls - Front Pontiac
Fuse Block - I/P CIG, HORN, LT HDLP, CLUSTR, EXT LP, FOG Fuses and HDLP Circuit Breaker
Lamp Controls, Rear Turn Lamps and Indicators
Rear Lamps
Lamp Controls, Rear Turn Lamps and Indicators
Fog Lamps - Export
G102
Figure 4:

Rear Lamps


Object Number: 680180  Size: FS
Master Electrical Component List
Exterior Lighting Systems Description and Operation
Backup Lamps
Park Lamps Controls and Repeater Lamps - Chevrolet
Park Lamps Controls and Repeater Lamps - Chevrolet
Park Lamps and Marker Lamps Controls - Front Pontiac
Fuse Block - I/P WIPER, BCM, HAVC, 02 HTR Fuses and PWR WDO Circuit Breaker
Fuse Block - I/P WIPER, BCM, HAVC, 02 HTR Fuses and PWR WDO Circuit Breaker
Lamp Controls, Rear Turn Lamps and Indicators
Lamp Controls, Rear Turn Lamps and Indicators
G304 - Page 1 of 2
G302
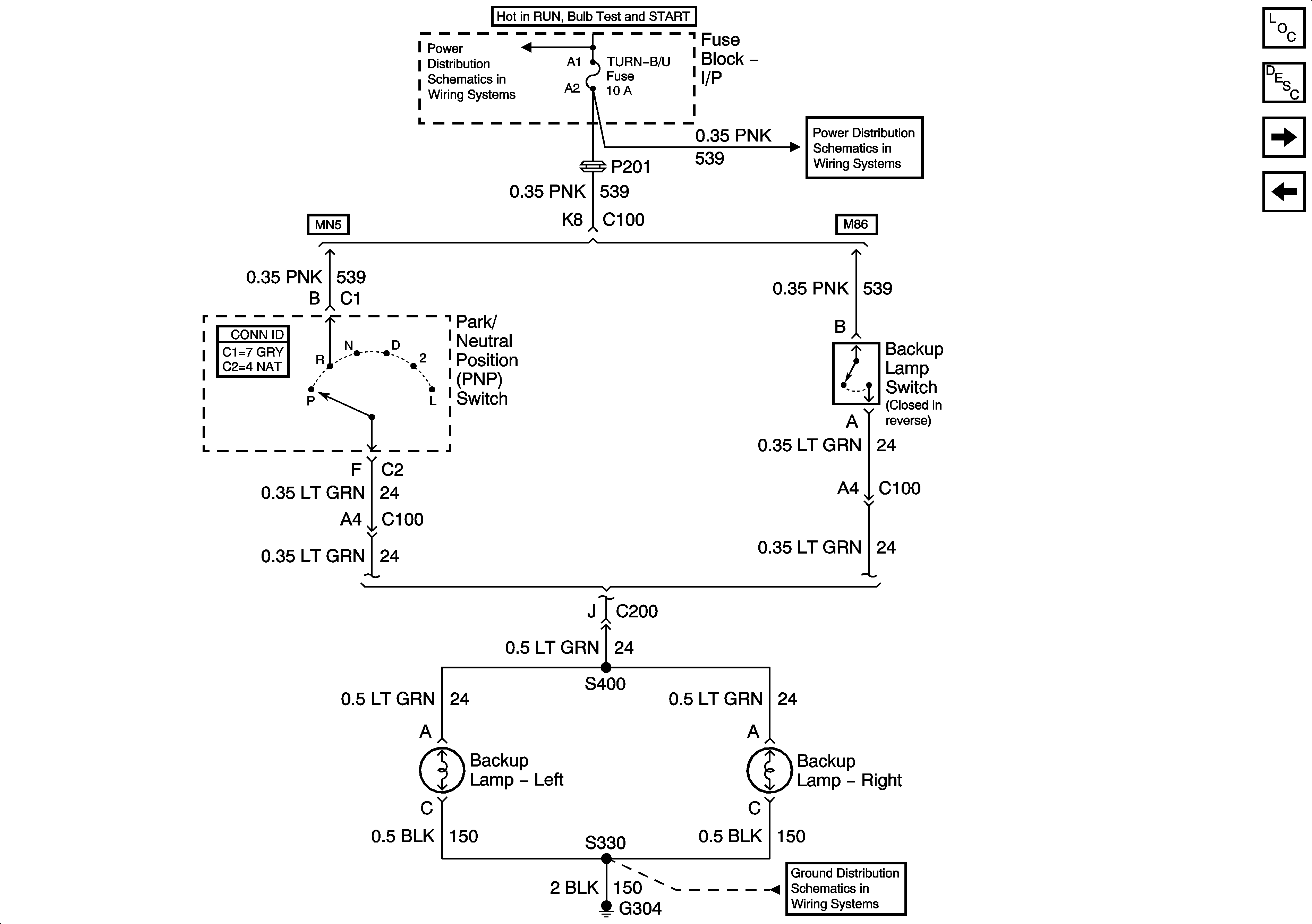
Figure 5:

Backup Lamps


Object Number: 1404682  Size: FS
Master Electrical Component List
Exterior Lighting Systems Description and Operation
Center High Mounted Stop Lamps
Rear Lamps
Fuse Block I/P, TURN B/U, IGN MDL, PCM , BCM/CLU Fuses
Fuse Block I/P, TURN B/U, IGN MDL, PCM , BCM/CLU Fuses
G304 - Page 1 of 2
Figure 6:

Center High Mounted Stop Lamps


Object Number: 680189  Size: FS
Master Electrical Component List
Exterior Lighting Systems Description and Operation
Backup Lamps
Lamp Controls, Rear Turn Lamps and Indicators
G304 - Page 1 of 2