GM Service Manual Online
For 1990-2009 cars only
Makes
🢒
Chevrolet
🢒
2005
🢒
Cavalier
🢒
Body
🢒
Lighting Systems
🢒 Interior Lights Schematics
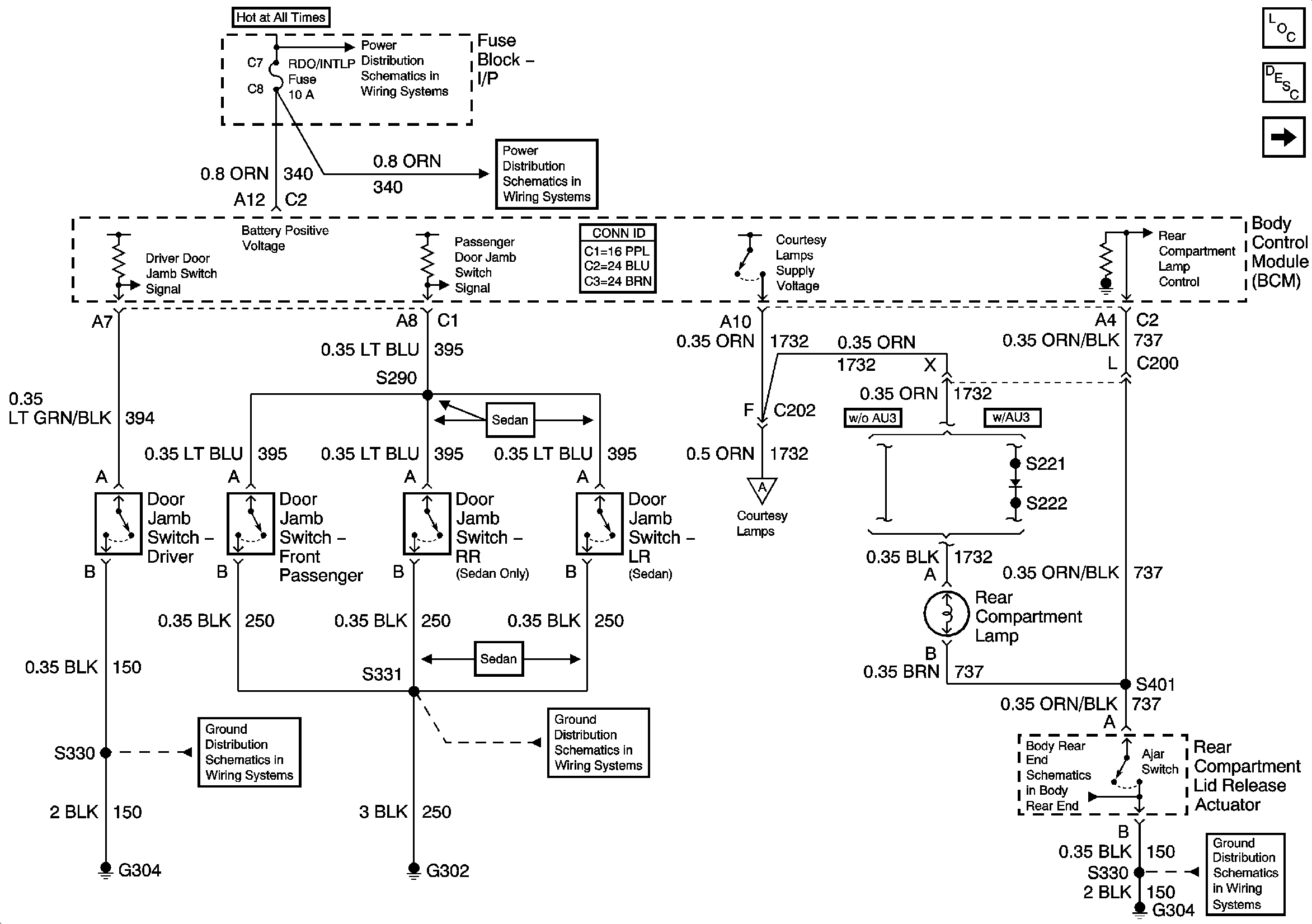
Figure
1:
Door Switch Signals and Courtesy Lamps Controls
Master Electrical Component List
Interior Lighting Systems Description and Operation
Courtesy/Reading Lamps
Fuse Block - Underhood BATT 1 Fuse, Fuse Block - I/P MIR/DLC, RT HDLP, FLS/PASS, RDO/INTLP, RFA/BATT, AMPL Fuses
Fuse Block - Underhood BATT 1 Fuse, Fuse Block - I/P MIR/DLC, RT HDLP, FLS/PASS, RDO/INTLP, RFA/BATT, AMPL Fuses
Courtesy/Reading Lamps
G304 - Page 1 of 2
G302
Body Rear End
G304 - Page 2 of 2
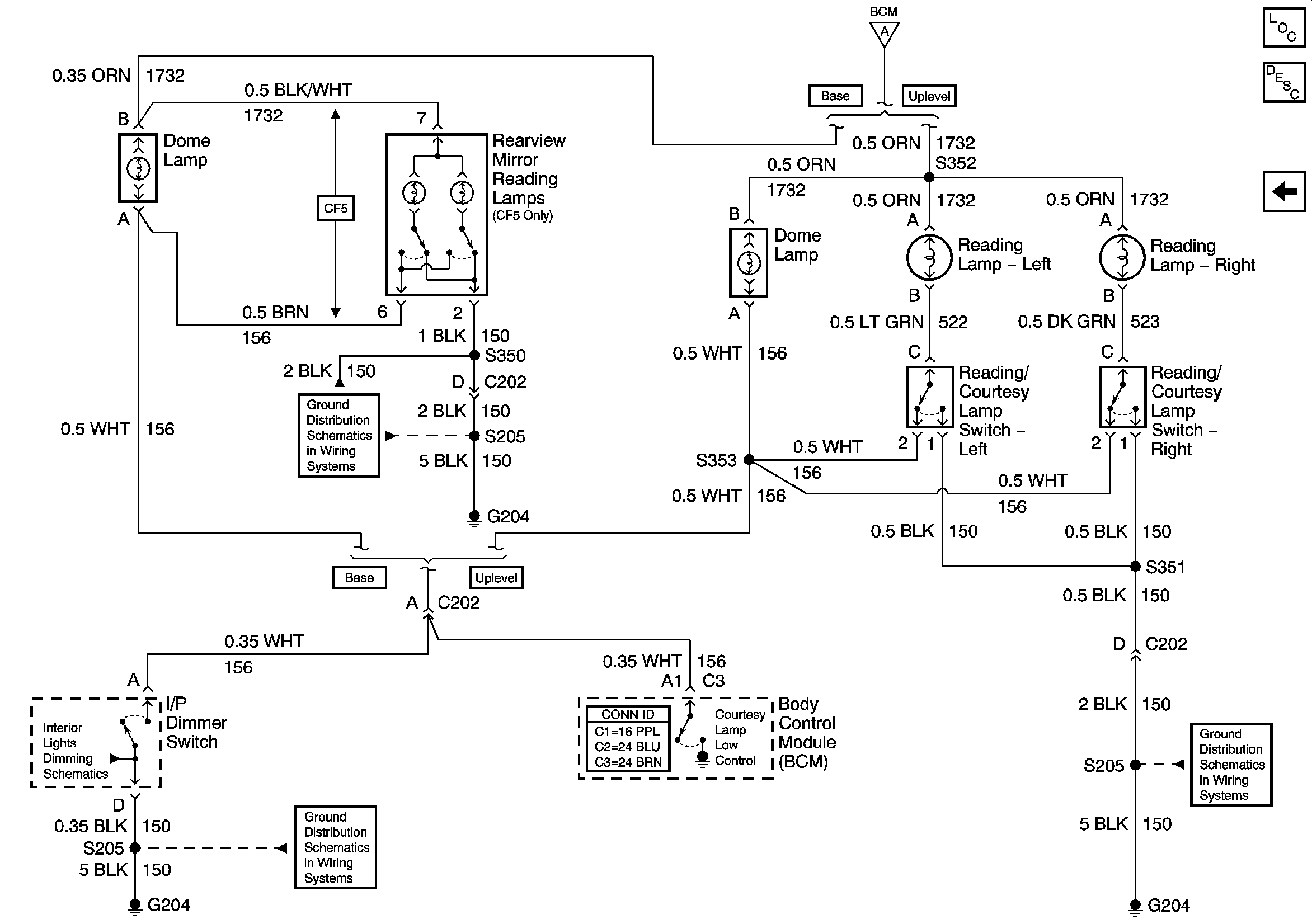
Figure
2:
Courtesy/Reading Lamps
Master Electrical Component List
Interior Lighting Systems Description and Operation
Door Switch Signals and Courtesy Lamps Controls
Door Switch Signals and Courtesy Lamps Controls
G204 - Page 1 of 2
Dimmer Controls
G204 - Page 2 of 2
G204 - Page 1 of 2