GM Service Manual Online
For 1990-2009 cars only
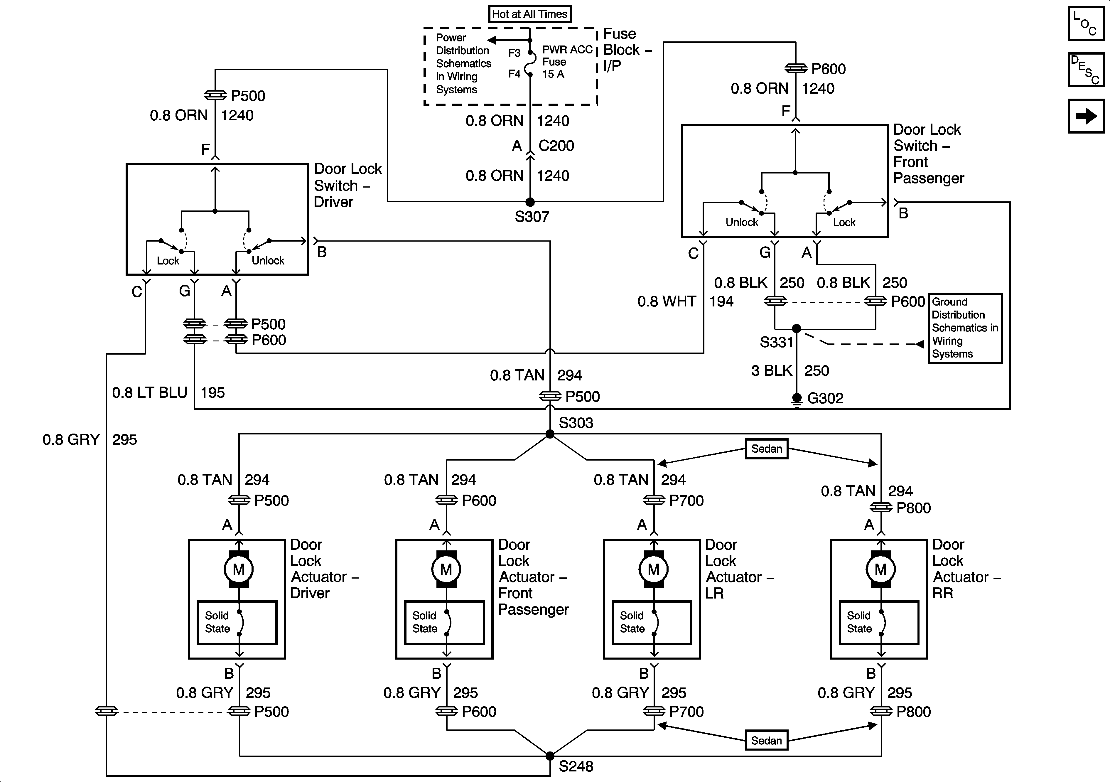
Figure 1:

Door Lock - Sedan w/o AUO


Object Number: 787947  Size: FS
Master Electrical Component List
Power Door Locks Description and Operation
Door Lock/Indicator Switches and Controls - w/AUO
Fuse Block - Underhood BATT 2, Fuse Block - I/P RR DEFOG, PWR ACC, APO, STOP/HZD Fuses
G302
Figure 2:

Switches and Controls - w/AUO


Object Number: 787948  Size: FS
Master Electrical Component List
Power Door Locks Description and Operation
Door Lock Motors - w/AUO
Door Lock - Sedan w/o AUO
Fuse Block - Underhood BATT 1 Fuse, Fuse Block - I/P MIR/DLC, RT HDLP, FLS/PASS, RDO/INTLP, RFA/BATT, AMPL Fuses
Fuse Block - Underhood BATT 2, Fuse Block - I/P RR DEFOG, PWR ACC, APO, STOP/HZD Fuses
Door Lock Motors - w/AUO
Door Lock Motors - w/AUO
G302
Figure 3:

Door Lock Motors - w/AUO


Object Number: 673179  Size: FS
Master Electrical Component List
Power Door Locks Description and Operation
Door Lock/Indicator Switches and Controls - w/AUO
Door Lock/Indicator Switches and Controls - w/AUO
Door Lock/Indicator Switches and Controls - w/AUO