GM Service Manual Online
For 1990-2009 cars only
Makes
🢒
Chevrolet
🢒
2005
🢒
Cavalier
🢒
Body
🢒
Wiring Systems
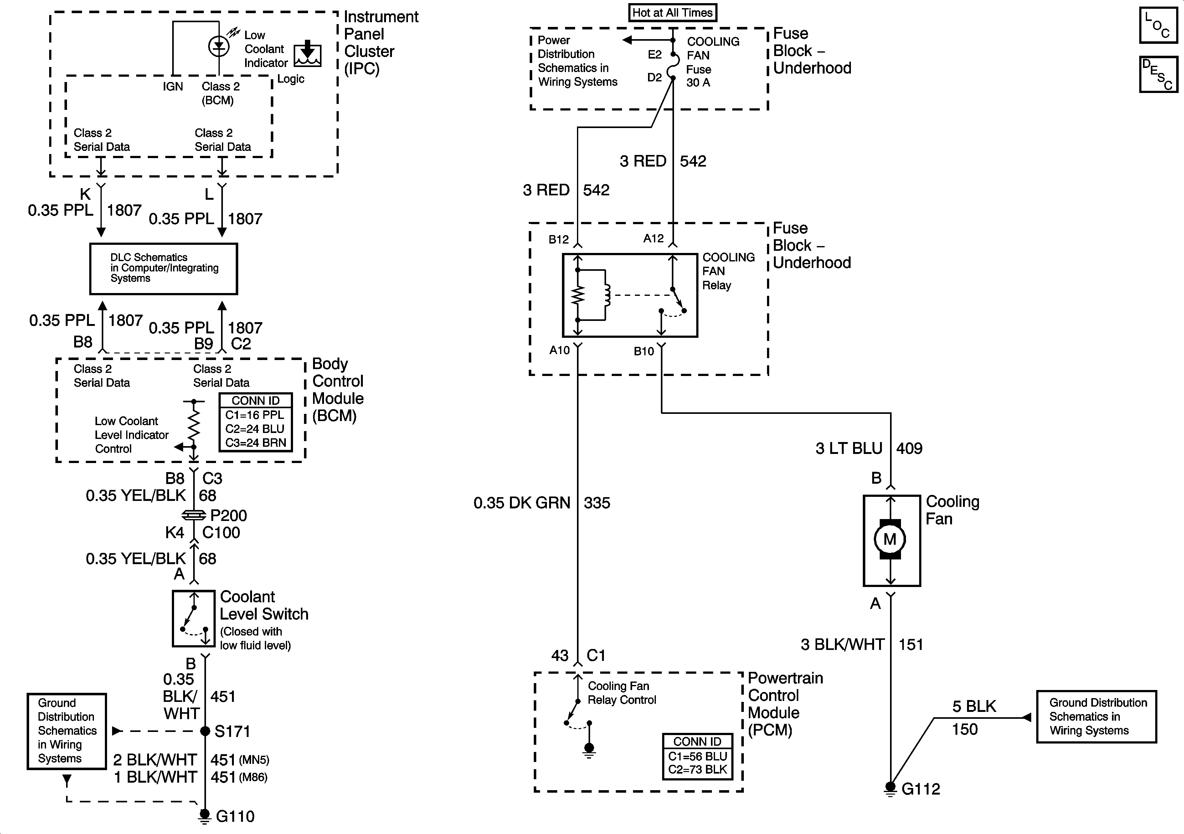
🢒 Engine Cooling Schematics