GM Service Manual Online
For 1990-2009 cars only
Makes
🢒
Chevrolet
🢒
2005
🢒
Cavalier
🢒
Accessories
🢒
Cruise Control
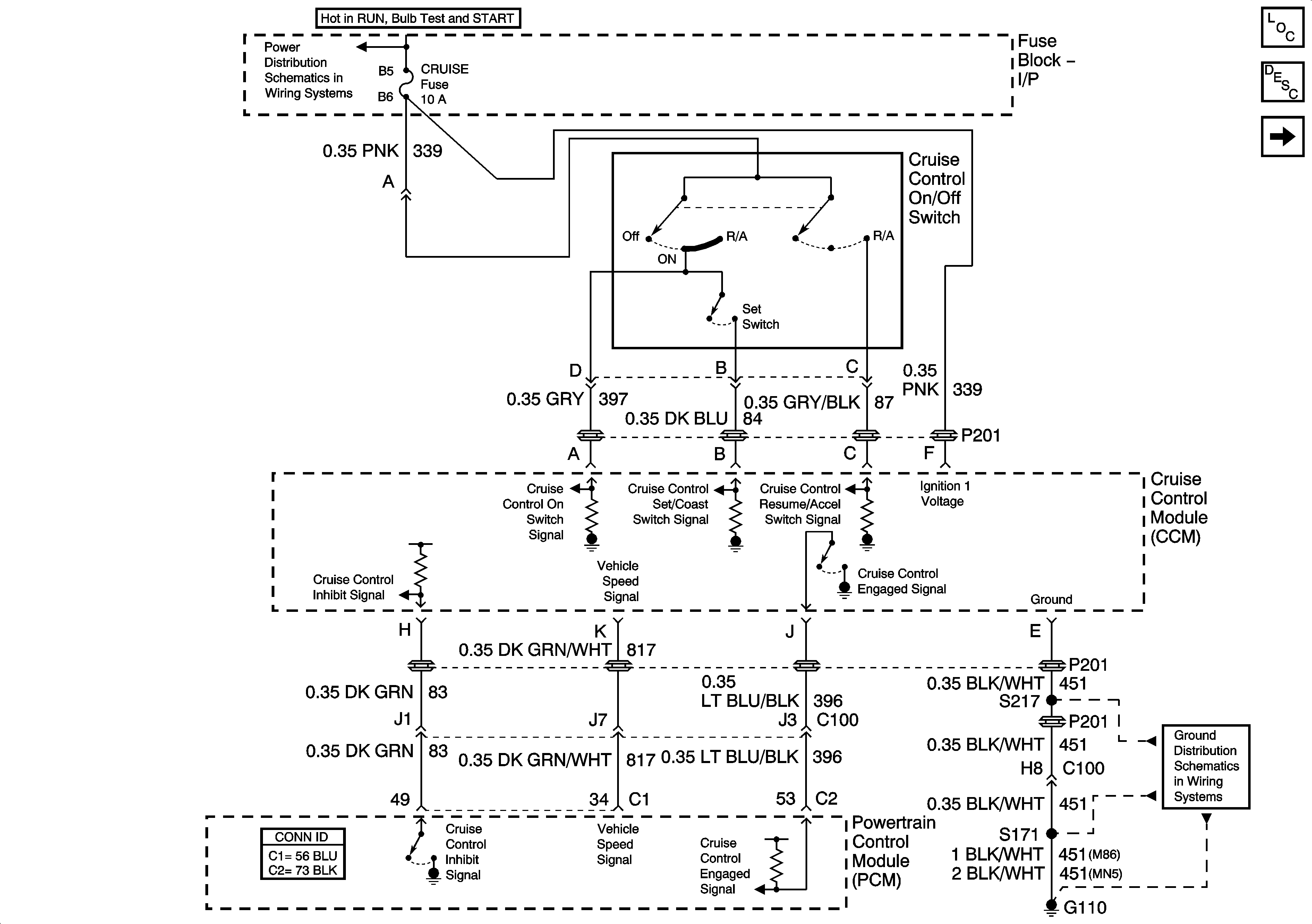
🢒 Cruise Control Schematics
Figure
1:
Power, Ground and Controls
Figure
2:
Release Signals