GM Service Manual Online
For 1990-2009 cars only
Makes
🢒
Chevrolet
🢒
2005
🢒
Cavalier
🢒
Brakes
🢒
Hydraulic Brakes
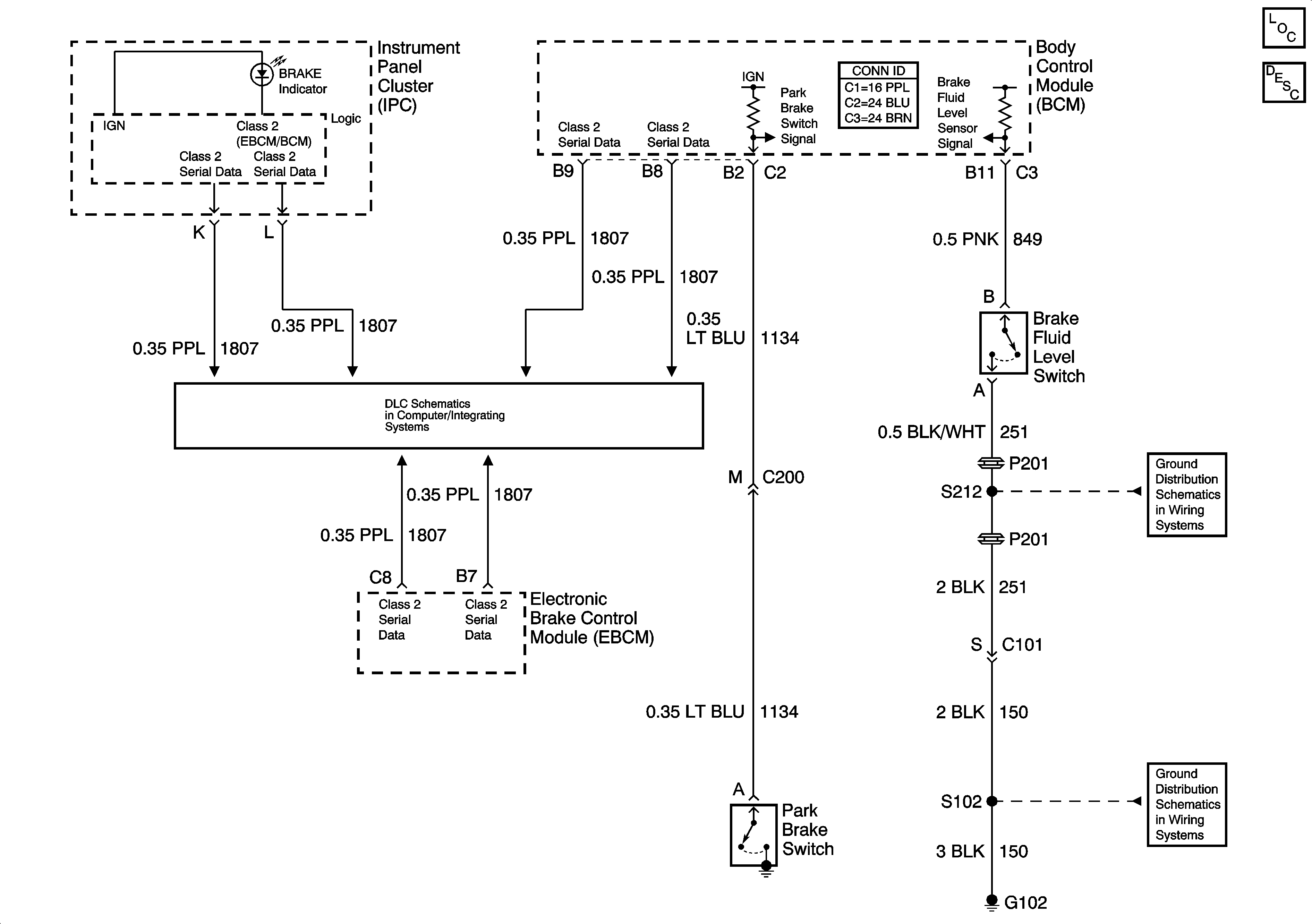
🢒 Brake Warning System Schematics