GM Service Manual Online
For 1990-2009 cars only
Makes
🢒
Chevrolet
🢒
2005
🢒
Cavalier
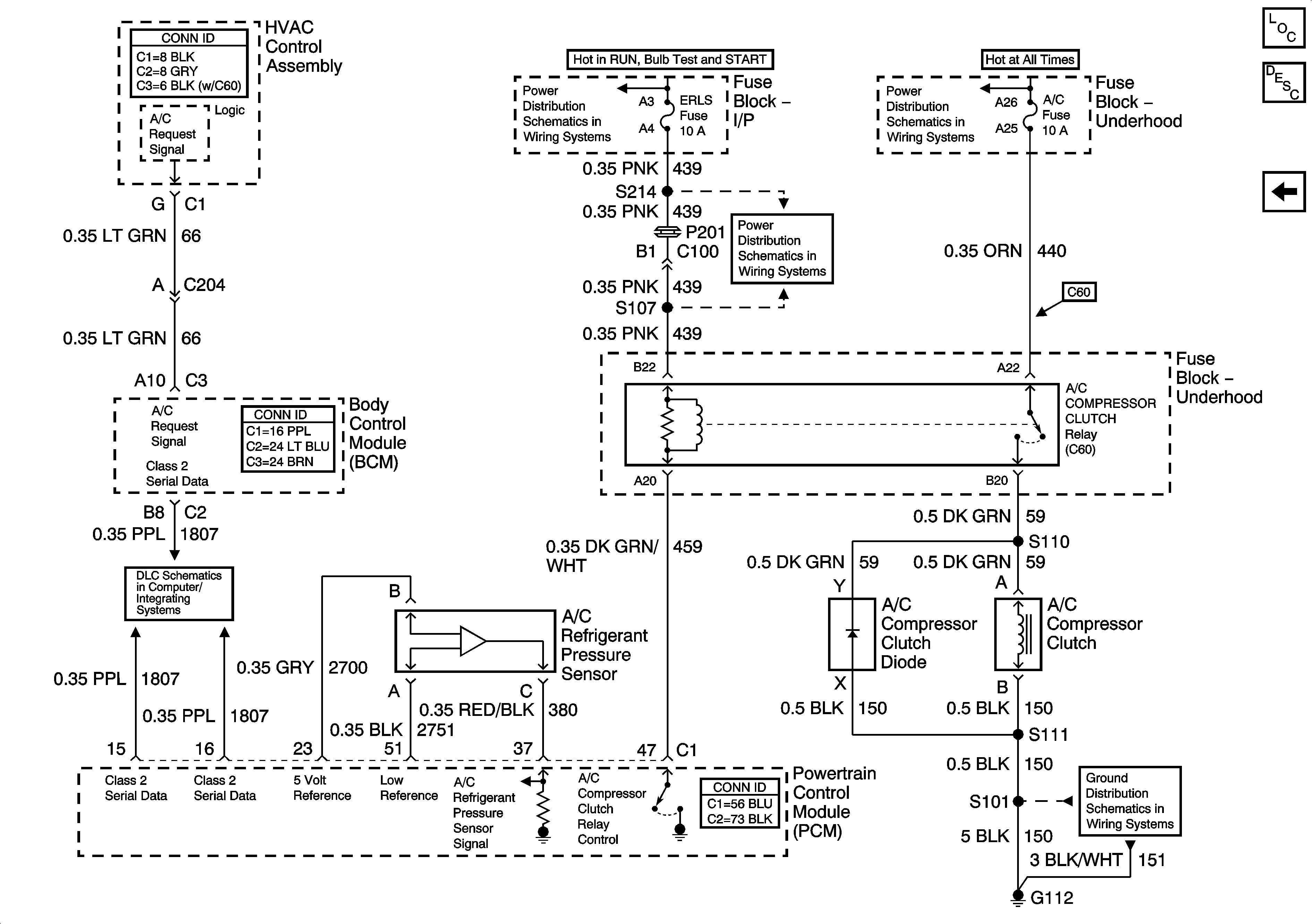
🢒 Compressor Controls
Compressor Controls
Compressor Controls
Master Electrical Component List
Air Temperature Description and Operation
Air Delivery Controls
Fuse Block - I/P ERLS Fuses
Fuse Block - I/P ERLS Fuses
Fuse Block - Underhood B+ Bar
Data Link Connector (DLC)
G112