GM Service Manual Online
For 1990-2009 cars only
Makes
🢒
Chevrolet
🢒
2005
🢒
Cavalier
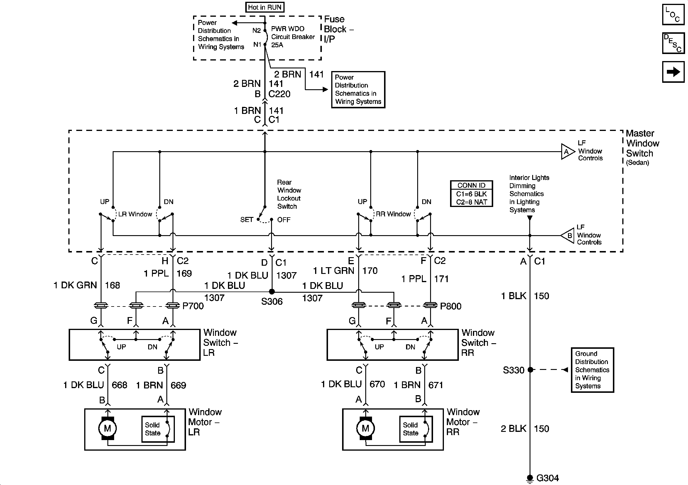
🢒 Windows Power, Ground and Window Controls - Sedan
Windows Power, Ground and Window Controls - Sedan
Power, Ground and Window Controls - Sedan
Master Electrical Component List
Power Windows Description and Operation
Front Window Controls - Sedan
Fuse Block - I/P WIPER, BCM, HAVC, 02 HTR Fuses and PWR WDO Circuit Breaker
Fuse Block - I/P WIPER, BCM, HAVC, 02 HTR Fuses and PWR WDO Circuit Breaker
Front Window Controls - Sedan
Interior Controls Illumination Lamps
Front Window Controls - Sedan
G304 - Page 2 of 2