GM Service Manual Online
For 1990-2009 cars only
Makes
🢒
Chevrolet
🢒
1998
🢒
Cavalier (CNG)
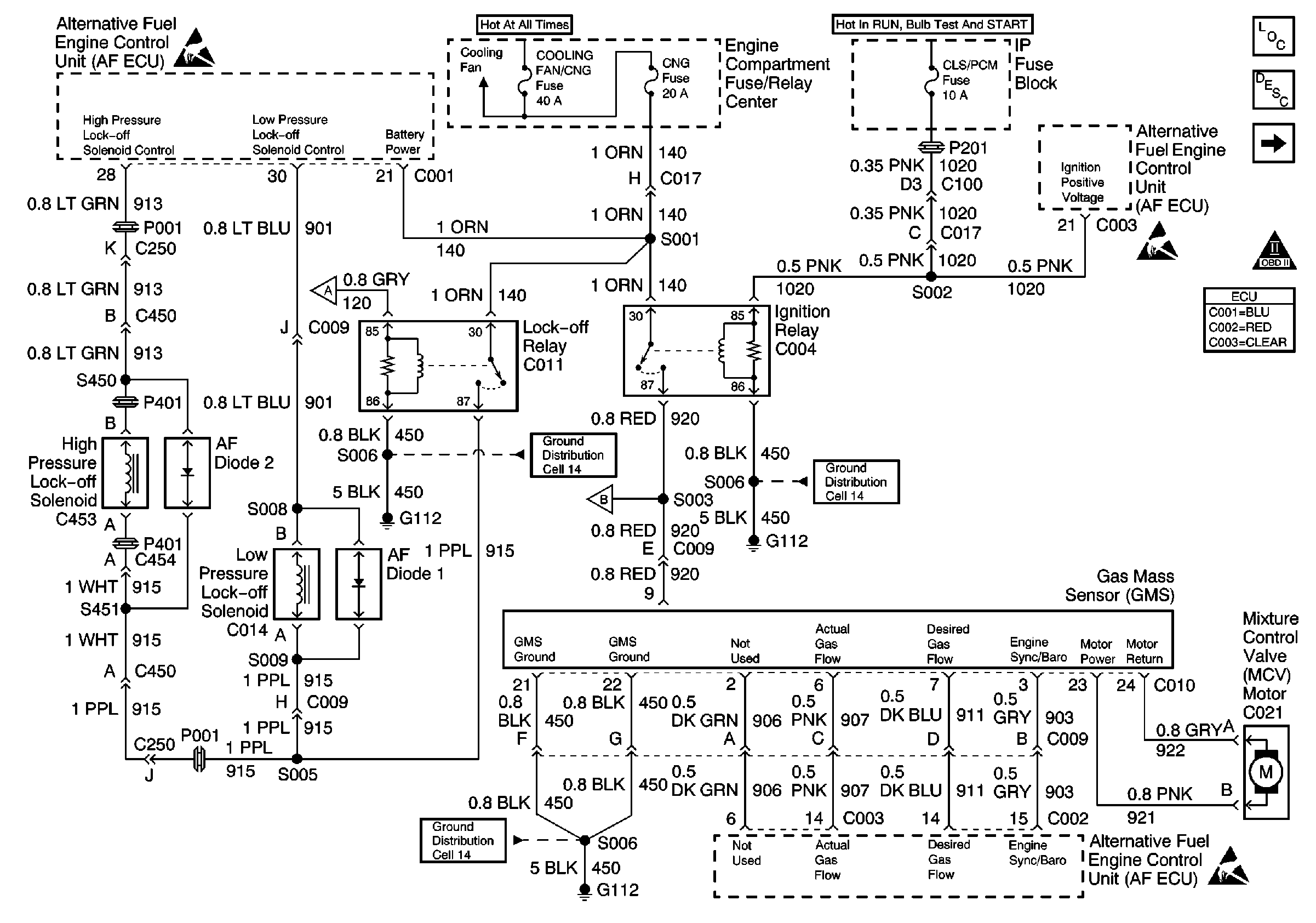
🢒 CNG Fuel Controls (1 of 3)
CNG Fuel Controls (1 of 3)
CNG Fuel Controls (1 of 3)
Handling Electrostatic Discharge Sensitive Parts Notice
Handling Electrostatic Discharge Sensitive Parts Notice
Handling Electrostatic Discharge Sensitive Parts Notice
Engine Controls Components
Fuel Metering System Component Description
CNG Fuel Controls (2 of 3)
OBDII Symbol Description Notice