GM Service Manual Online
For 1990-2009 cars only
Figure 1:

Power, Ground, MIL, NGO and DLC


Object Number: 621476  Size: FS
Engine Controls Components
Engine Control Unit Description
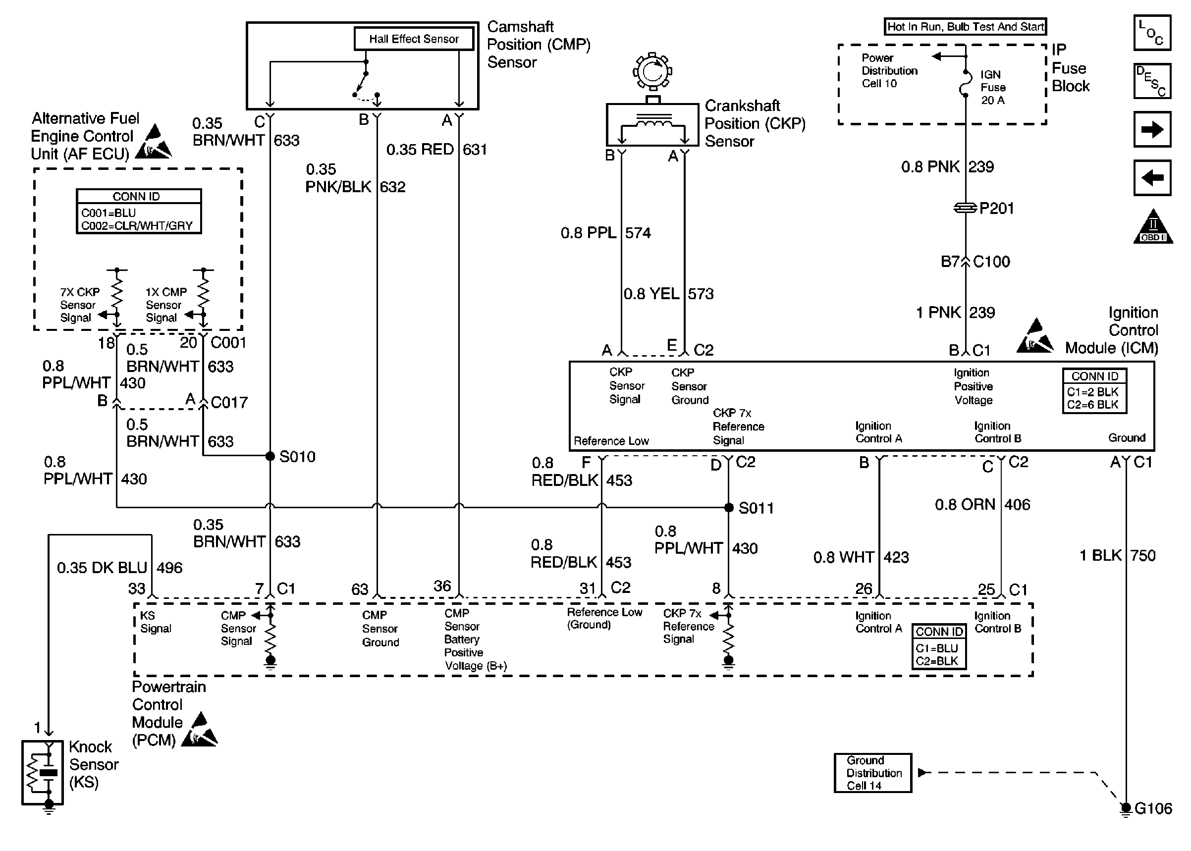
Ignition System
Engine Controls, PCM 2 of 2 (C2)
OBD II Symbol Description Notice
Handling ESD Sensitive Parts Notice
Handling ESD Sensitive Parts Notice
Handling ESD Sensitive Parts Notice
Figure 2:

Ignition System


Object Number: 621478  Size: FS
Engine Controls Components
Engine Control Unit Description
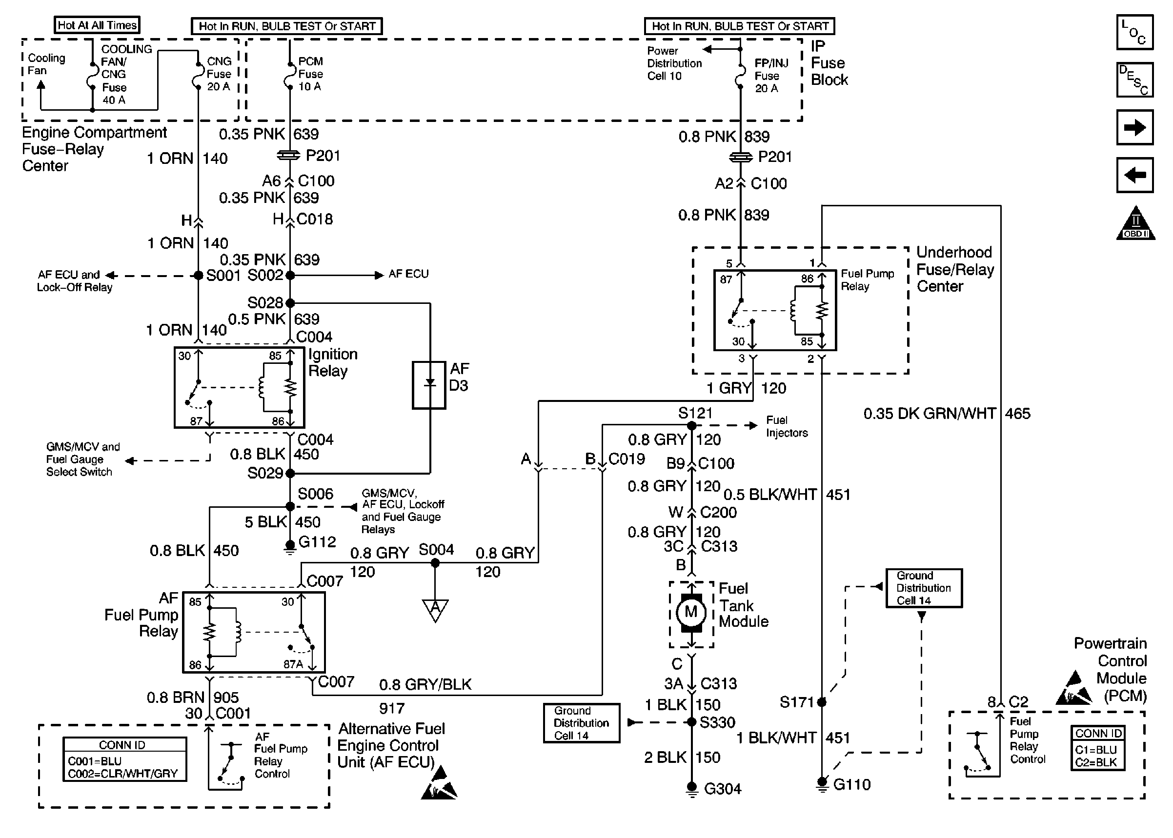
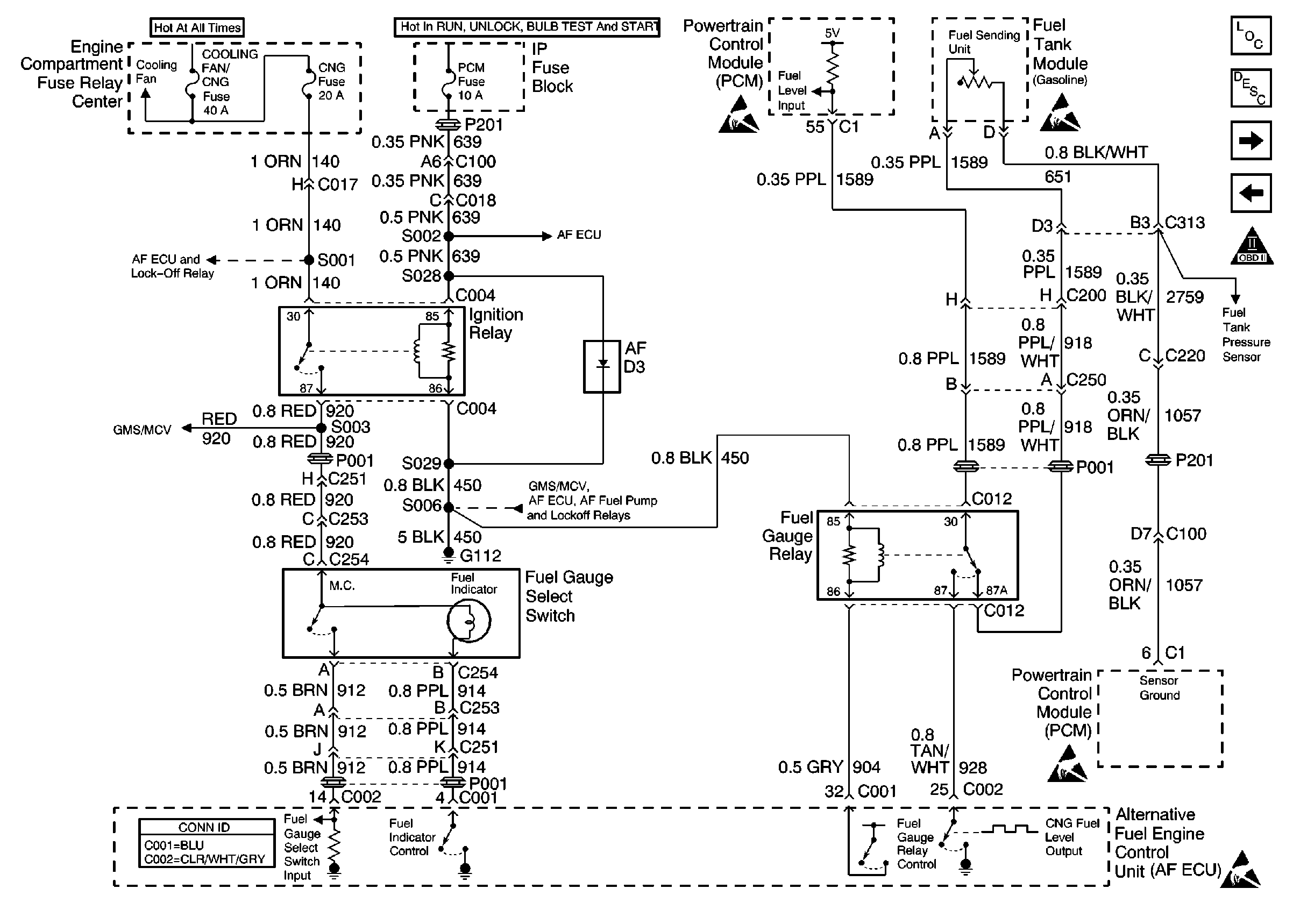
Fuel Controls, Fuel Pump
Power, Ground, MIL, NGO and DLC
OBD II Symbol Description Notice
Handling ESD Sensitive Parts Notice
Handling ESD Sensitive Parts Notice
Handling ESD Sensitive Parts Notice
Figure 3:

Fuel Controls, Fuel Pump


Object Number: 621479  Size: FS
Engine Controls Components
Engine Control Unit Description
Fuel Controls, Lock-Off Solenoid
Ignition System
OBD II Symbol Description Notice
Handling ESD Sensitive Parts Notice
Handling ESD Sensitive Parts Notice
Fuel Controls, Lock-Off Solenoid
Figure 4:

Fuel Controls, Lock-Off Solenoid


Object Number: 472925  Size: FS
Engine Controls Components
Engine Control Unit Description
Fuel Controls, Fuel Gauge
Fuel Controls, Fuel Pump
OBD II Symbol Description Notice
Handling ESD Sensitive Parts Notice
Fuel Controls, Fuel Pump
Figure 5:

Fuel Controls, Fuel Gauge


Object Number: 621481  Size: FS
Engine Controls Components
Engine Control Unit Description
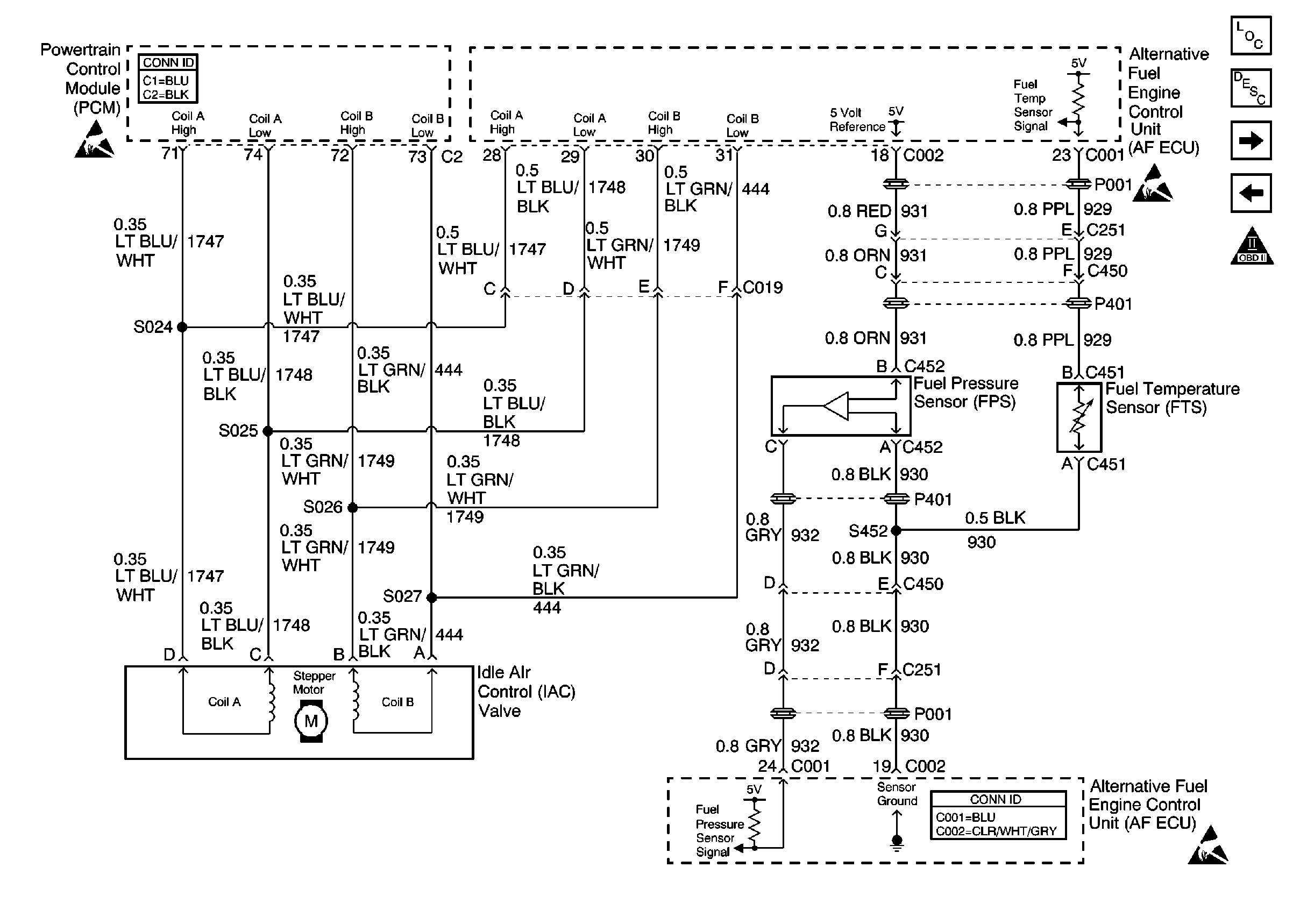
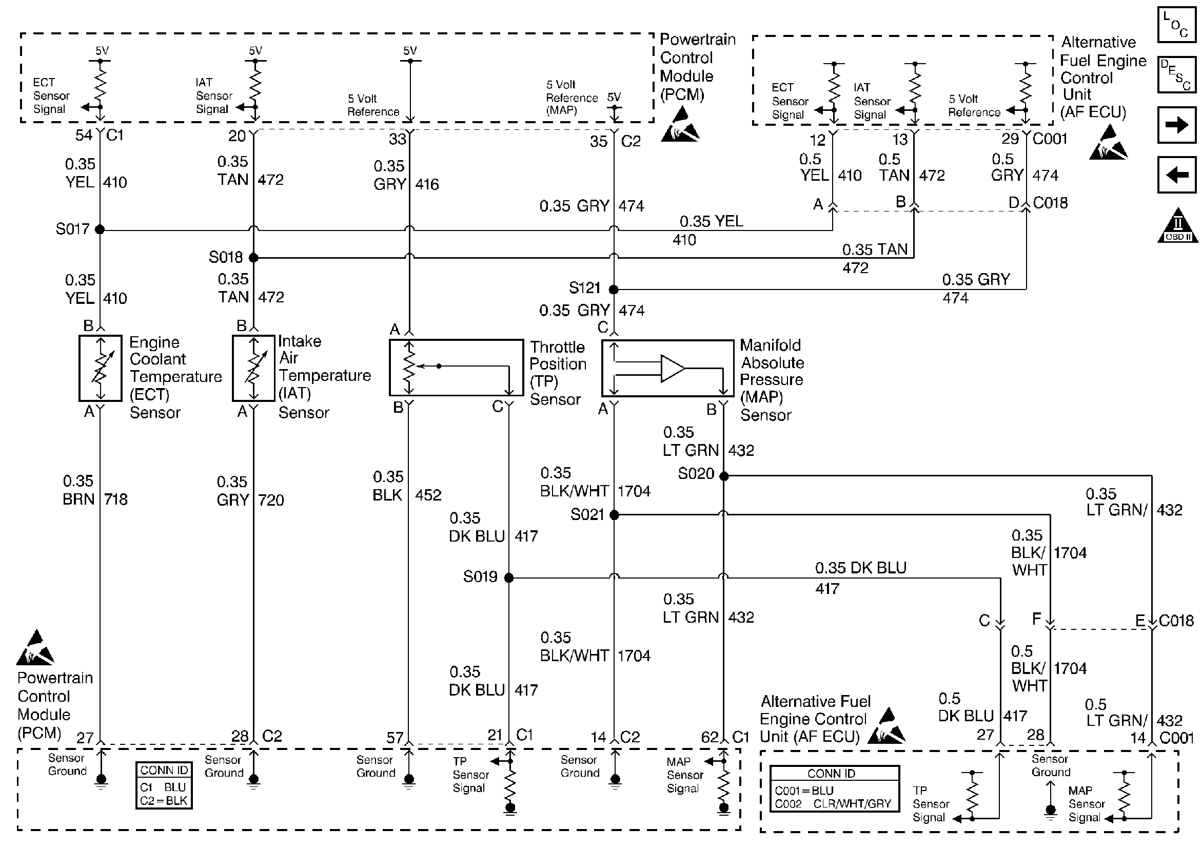
Engine Data Sensors, ECT, IAT, TP and MAP
Fuel Controls, Lock-Off Solenoid
OBD II Symbol Description Notice
Handling ESD Sensitive Parts Notice
Handling ESD Sensitive Parts Notice
Figure 6:

Engine Data Sensors, ECT, IAT, TP and MAP


Object Number: 472926  Size: FS
Engine Controls Components
Engine Control Unit Description
Engine Data Sensors, IAC, FPS and FTS
Fuel Controls, Fuel Gauge
OBD II Symbol Description Notice
Handling ESD Sensitive Parts Notice
Handling ESD Sensitive Parts Notice
Handling ESD Sensitive Parts Notice
Handling ESD Sensitive Parts Notice
Figure 7:

Engine Data Sensors, IAC, FPS and FTS


Object Number: 621484  Size: FS
Engine Controls Components
Engine Control Unit Description
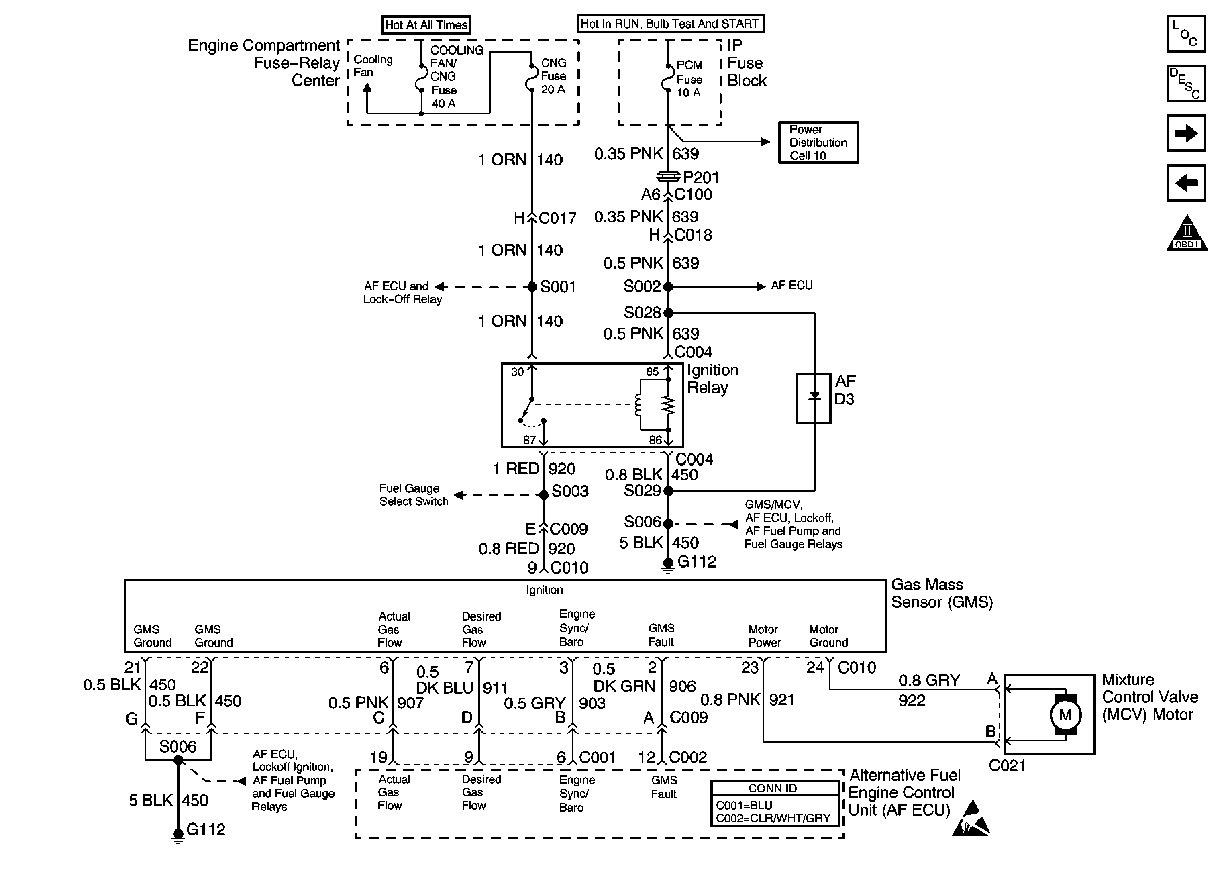
Engine Data Sensors, GMS/MCV
Engine Data Sensors, ECT, IAT, TP and MAP
OBD II Symbol Description Notice
Handling ESD Sensitive Parts Notice
Handling ESD Sensitive Parts Notice
Handling ESD Sensitive Parts Notice
Figure 8:

Engine Data Sensors, GMS/MCV


Object Number: 654468  Size: FS
Engine Controls Components
Engine Control Unit Description
Engine Data Sensors, Vehicle Speed Output
Engine Data Sensors, IAC, FPS and FTS
OBD II Symbol Description Notice
Handling ESD Sensitive Parts Notice
Figure 9:

Engine Data Sensors, Vehicle Speed Output


Object Number: 621485  Size: FS
Engine Controls Components
Engine Control Unit Description
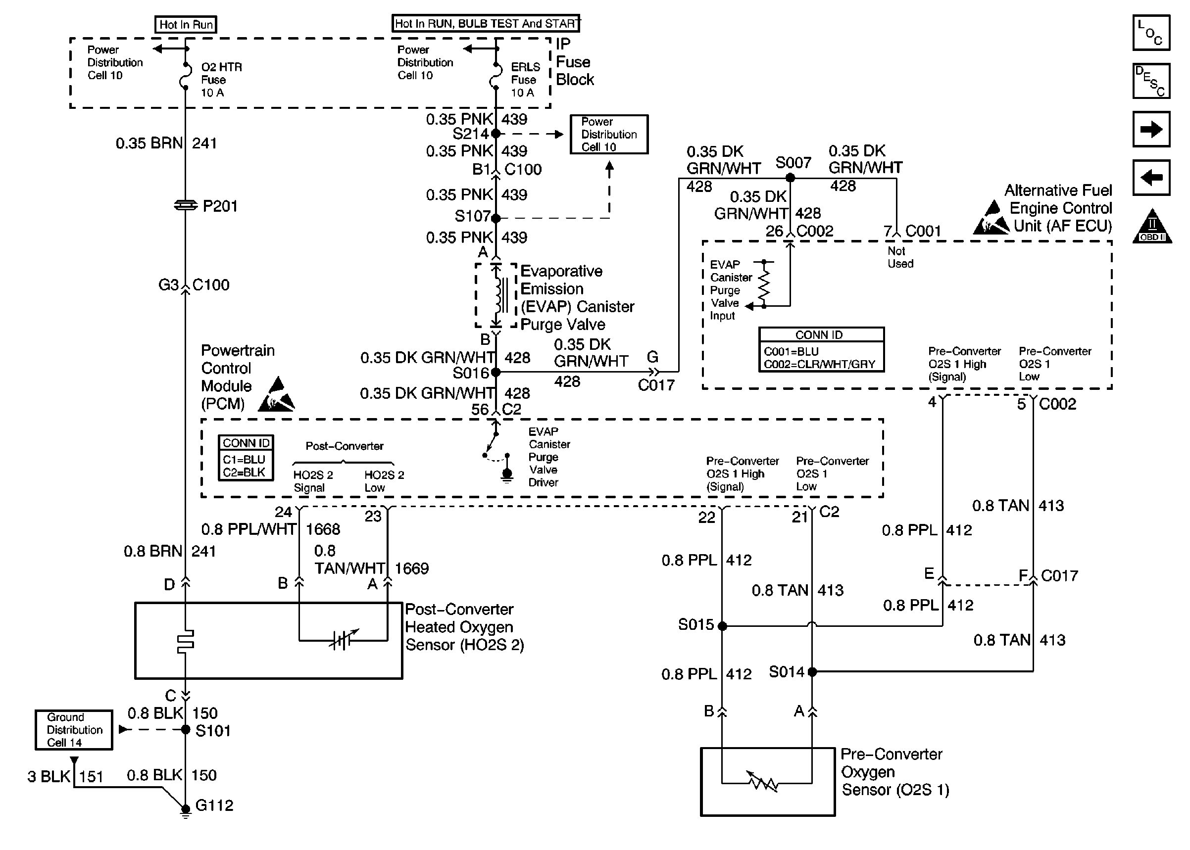
Engine Data Sensors, Oxygen and EVAP
Engine Data Sensors, GMS/MCV
OBD II Symbol Description Notice
Handling ESD Sensitive Parts Notice
Handling ESD Sensitive Parts Notice
Handling ESD Sensitive Parts Notice
Handling ESD Sensitive Parts Notice
Handling ESD Sensitive Parts Notice
Figure 10:

Engine Data Sensors, Oxygen and EVAP


Object Number: 621487  Size: FS
Engine Controls Components
Engine Control Unit Description
Engine Controls, PCM 1 of 2 (C1)
Engine Data Sensors, Vehicle Speed Output
OBD II Symbol Description Notice
Handling ESD Sensitive Parts Notice
Handling ESD Sensitive Parts Notice
Figure 11:

Engine Controls, PCM 1 of 2 (C1)


Object Number: 621489  Size: FS
Engine Controls Component Views
Engine Control Unit Description
Engine Controls, PCM 2 of 2 (C2)
Engine Data Sensors, Oxygen and EVAP
OBD II Symbol Description Notice
Handling ESD Sensitive Parts Notice
Figure 12:

Engine Controls, PCM 2 of 2 (C2)


Object Number: 472936  Size: FS
Engine Controls Component Views
Engine Control Unit Description
Power, Ground, MIL, NGO and DLC
Engine Controls, PCM 1 of 2 (C1)
OBD II Symbol Description Notice
Handling ESD Sensitive Parts Notice