GM Service Manual Online
For 1990-2009 cars only
Makes
🢒
Chevrolet
🢒
2001
🢒
Cavalier (CNG)
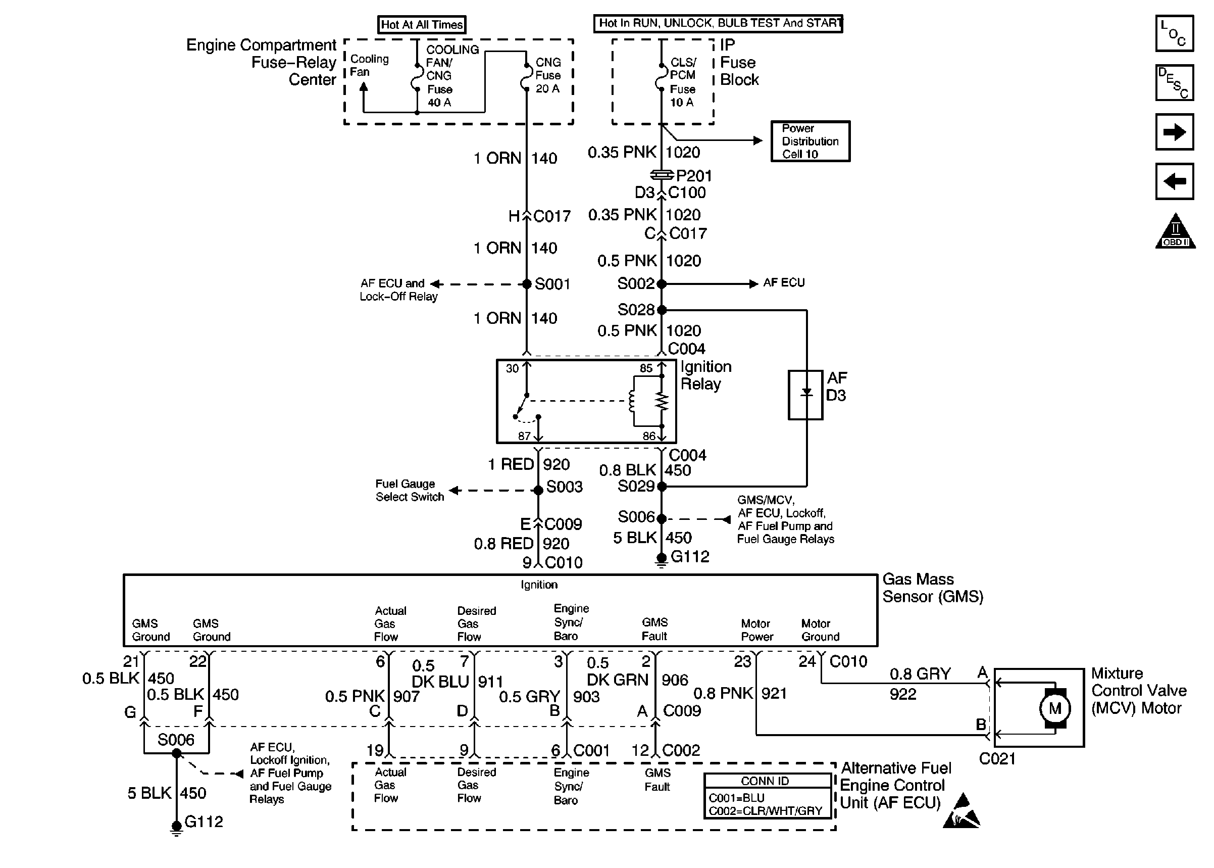
🢒 Engine Data Sensors, GMS/MCV
Engine Data Sensors, GMS/MCV
Engine Data Sensors, GMS/MCV
Engine Controls Components
Alternative Fuel Engine Control Unit
Engine Data Sensors, Vehicle Speed Output
Engine Data Sensors, IAC, FPS and FTS
OBD II Symbol Description Notice
Handling ESD Sensitive Parts Notice