GM Service Manual Online
For 1990-2009 cars only
Figure 1:

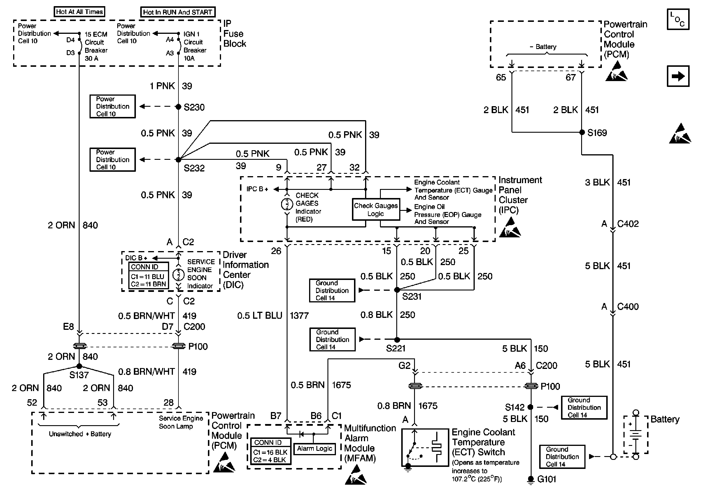
Cell 21: CHECK GAGES (MIL), ECT Switch, MFAM, PCM and SERVICE ENGINE SOON Indicator


Object Number: 295408  Size: FS
Engine Controls Components
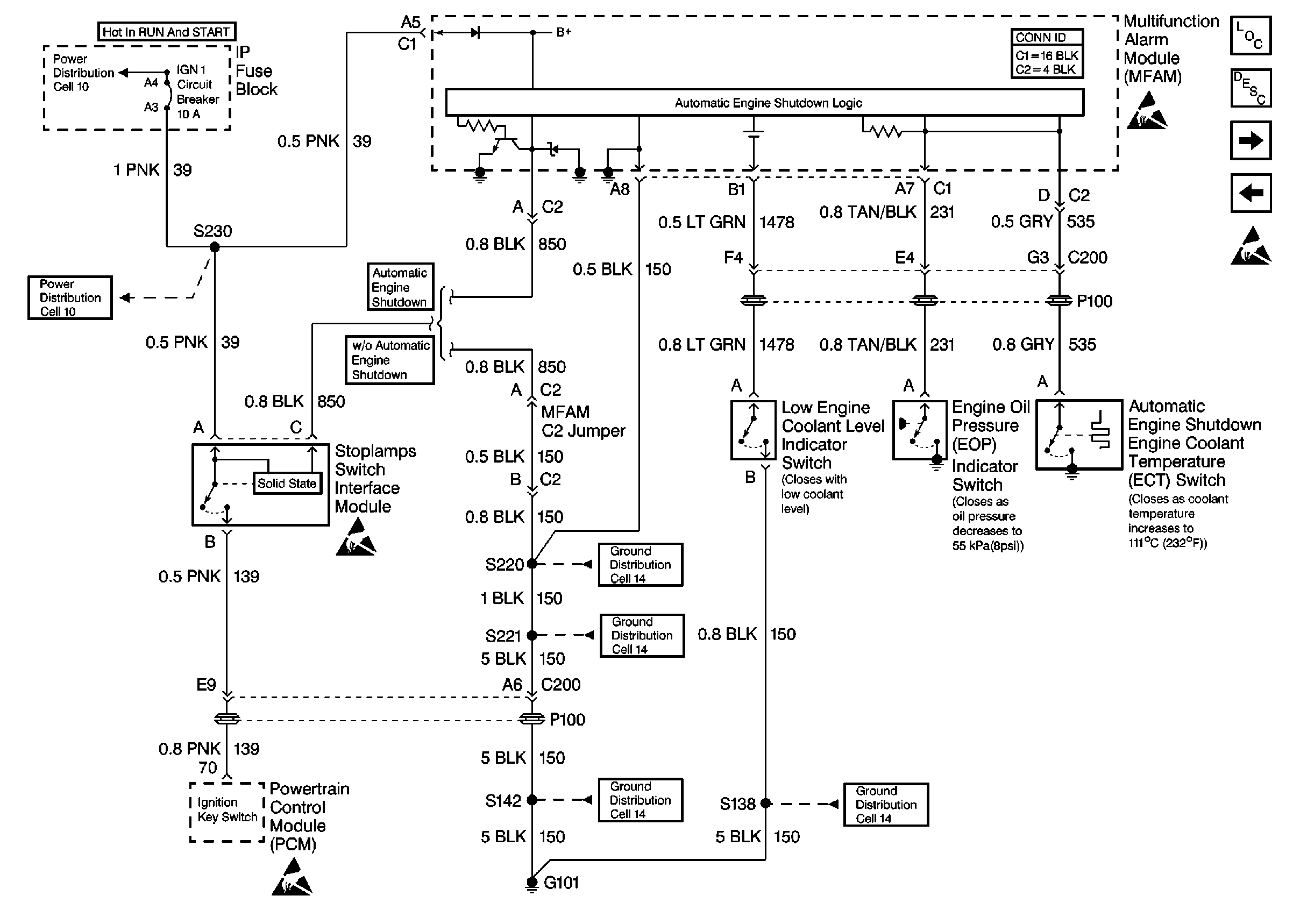
Cell 21: ECT, EOP and Low Coolant Switches, MFAM and Stoplamps Switch Interface Module
Handling ESD Sensitive Parts Notice
Figure 2:

Cell 21: ECT, EOP and Low Coolant Switches, MFAM and Stoplamps Switch Interface Module


Object Number: 295409  Size: FS
Engine Controls Components
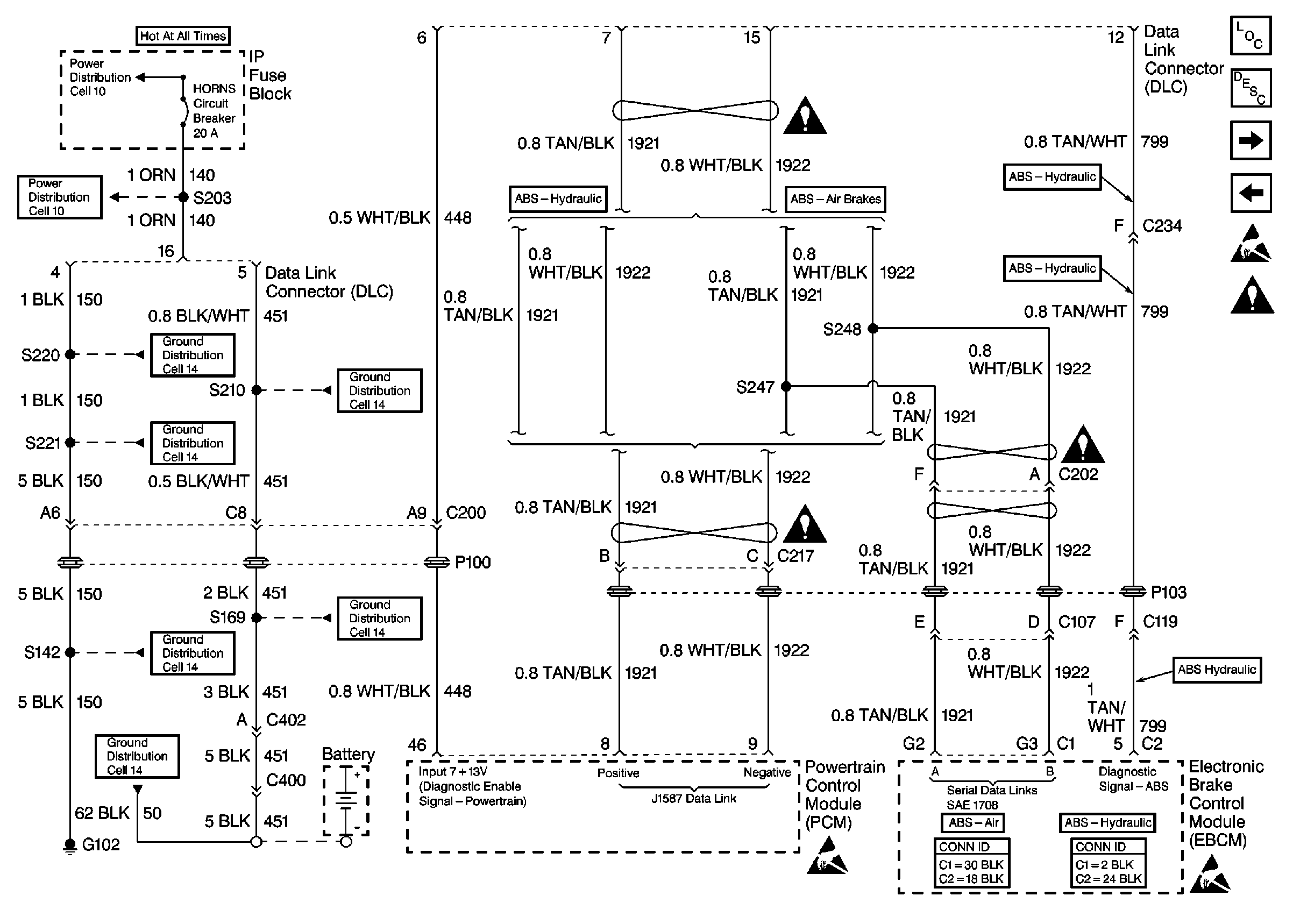
Cell 21: Data Link Connector
Cell 21: CHECK GAGES (MIL), ECT Switch, MFAM, PCM and SERVICE ENGINE SOON Indicator
Handling ESD Sensitive Parts Notice
Figure 3:

Cell 21: Data Link Connector


Object Number: 295411  Size: FS
Engine Controls Components
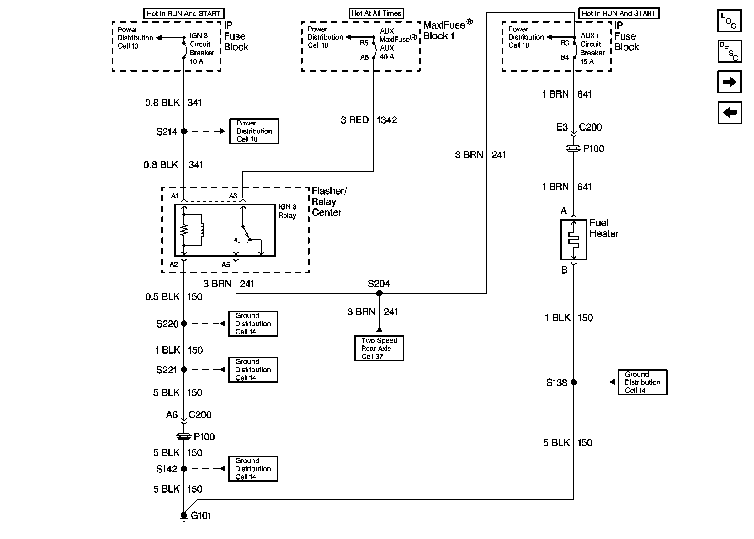
Cell 21: Power and Ground, IGN 3 Relay and Fuel Heater
Cell 21: ECT, EOP and Low Coolant Switches, MFAM and Stoplamps Switch Interface Module
Handling ESD Sensitive Parts Notice
Engine Controls Schematic Icons
Figure 4:

Cell 21: Power and Ground, IGN 3 Relay and Fuel Heater


Object Number: 295413  Size: FS
Engine Controls Components
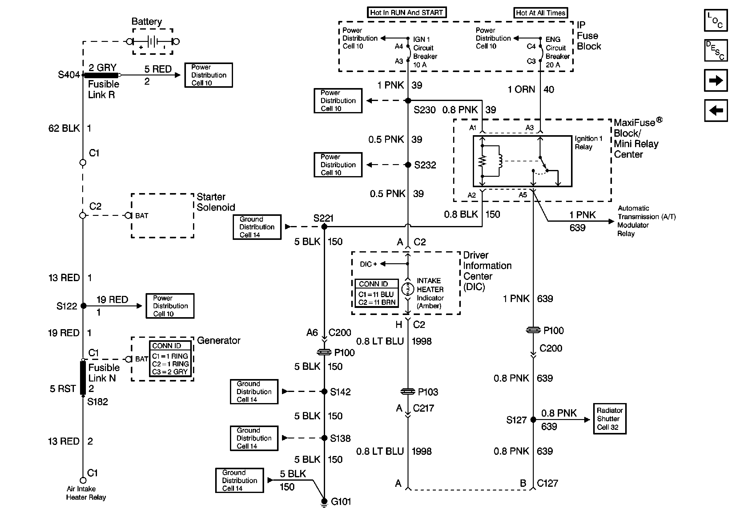
Cell 21: Air Intake Heater, INTAKE HEATER Indicator, Connector C127and Ignition Relay
Cell 21: Data Link Connector
Figure 5:

Cell 21: Air Intake Heater, INTAKE HEATER Indicator, Connector C127 and Ignition Relay


Object Number: 295414  Size: FS
Engine Controls Components
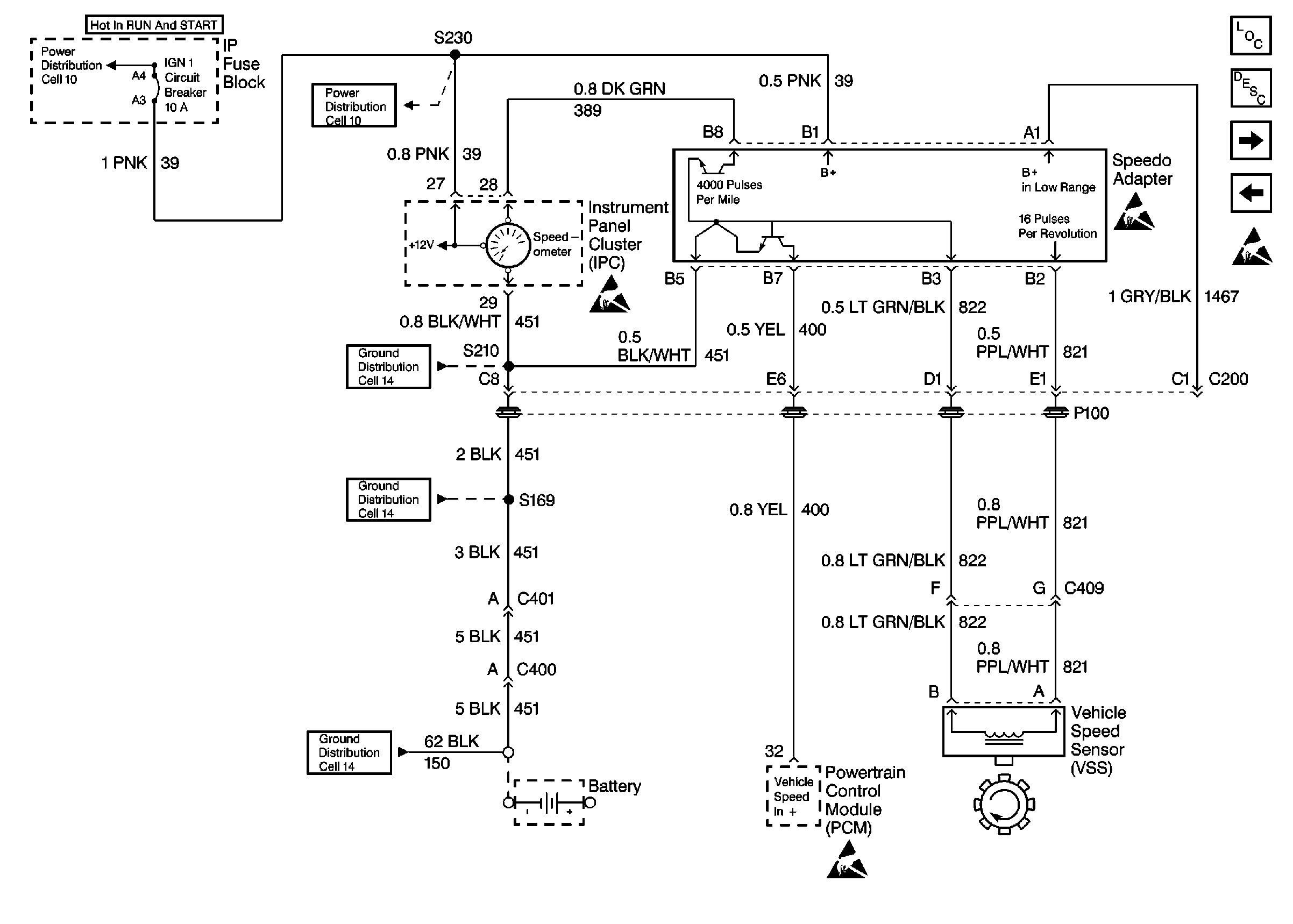
Cell 21: PCM, Speedo Adapter, Speedometer and Vehicle Speed Sensor
Cell 21: Power and Ground, IGN 3 Relay and Fuel Heater
Figure 6:

Cell 21: PCM, Speedo Adapter, Speedometer and Vehicle Speed Sensor


Object Number: 295416  Size: FS
Engine Controls Components
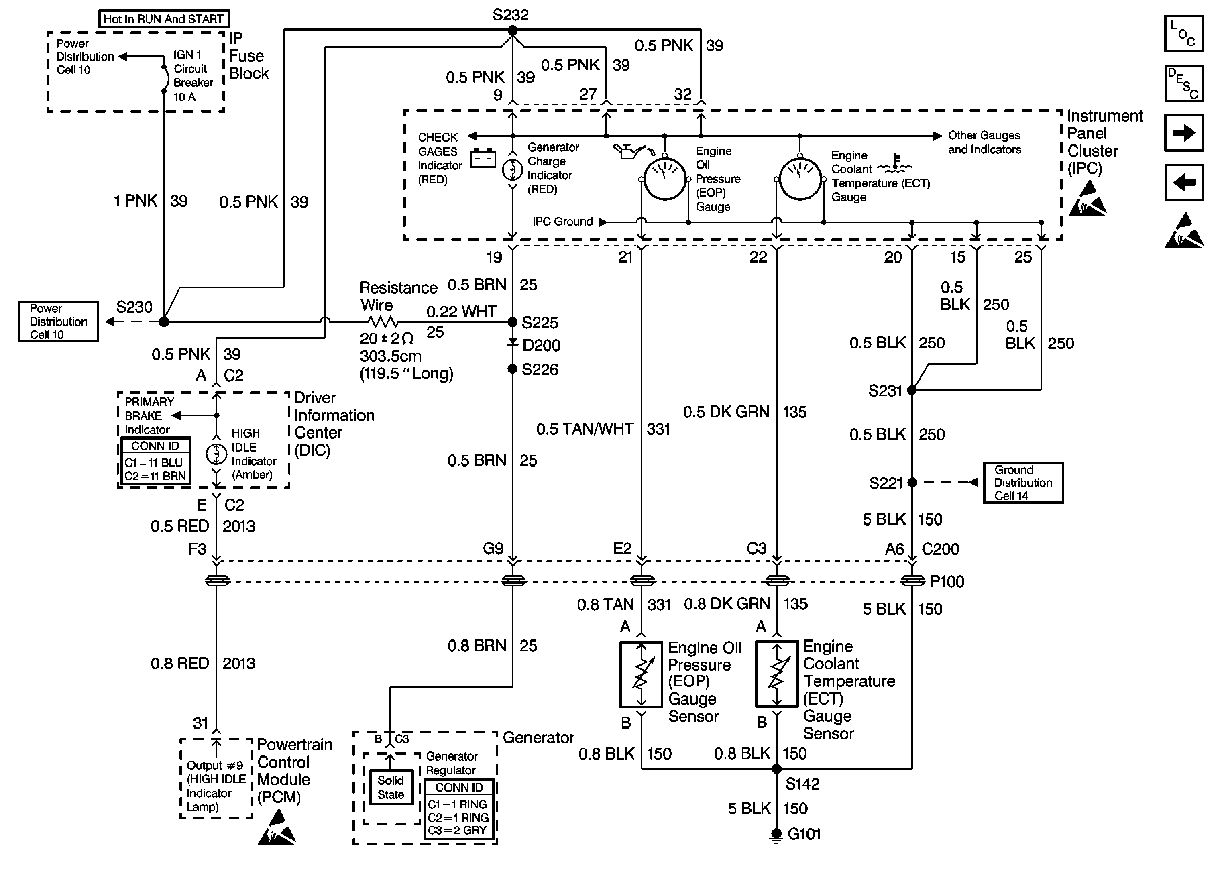
Cell 21: ECT and EOP Gauges and Sensors, Generator, Generator Charge and HI IDLE Indicators and PCM
Cell 21: Air Intake Heater, INTAKE HEATER Indicator, Connector C127and Ignition Relay
Handling ESD Sensitive Parts Notice
Figure 7:

Cell 21: ECT and EOP Gauges and Sensors, Generator, Generator Charge and HI IDLE Indicators and PCM


Object Number: 295418  Size: FS
Engine Controls Components
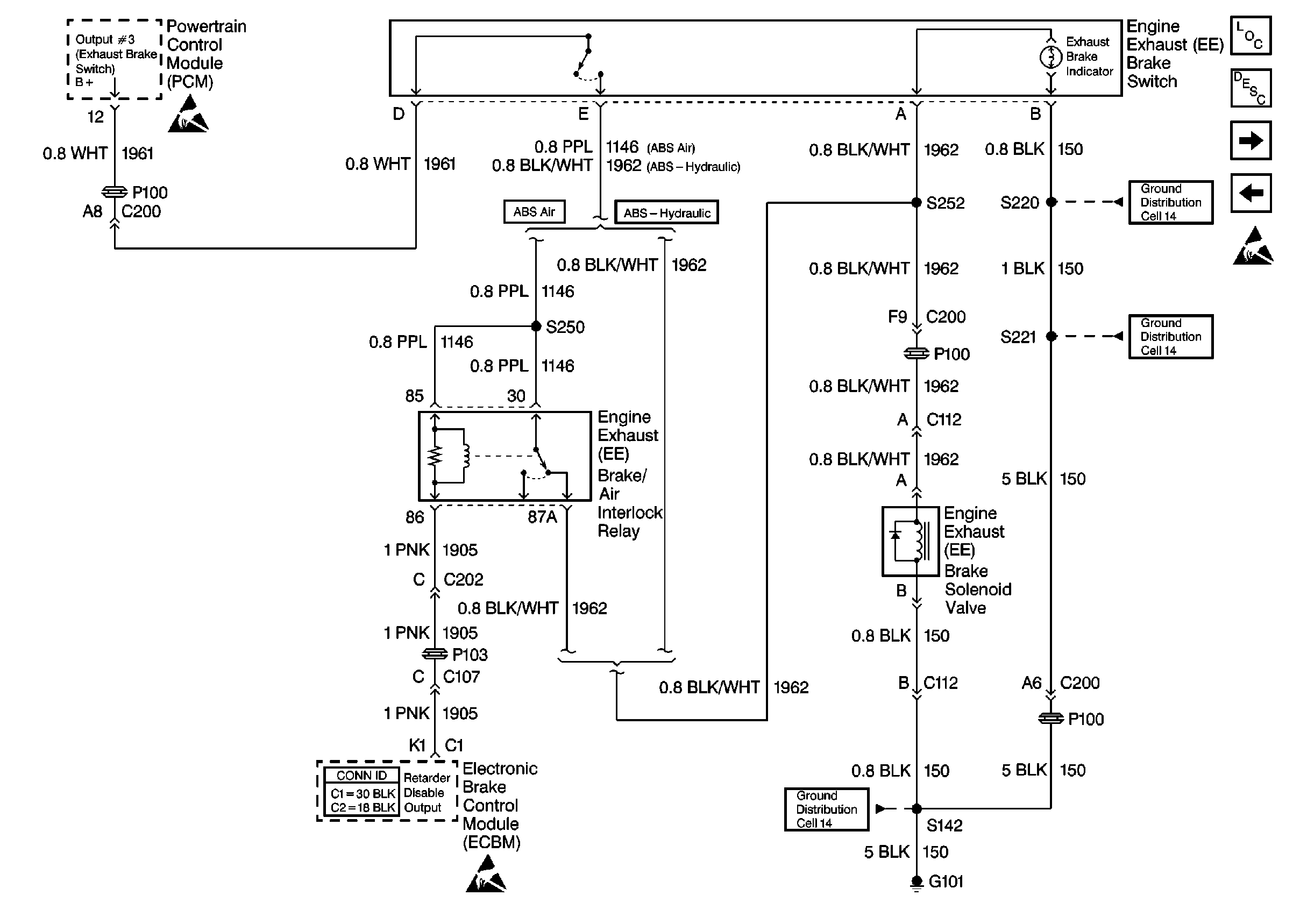
Cell 21: EBCM, Engine Exhaust Brake/ Air Interlock Relay, Switch and Solenoid Valve, and PCM
Cell 21: PCM, Speedo Adapter, Speedometer and Vehicle Speed Sensor
Handling ESD Sensitive Parts Notice
Figure 8:

Cell 21: EBCM, Engine Exhaust Brake/ Air Interlock Relay, Switch and Solenoid Valve, and PCM


Object Number: 295420  Size: FS
Engine Controls Components
Exhaust Brake Circuit Description
Cell 21: MFAM, PCM, Stoplamps Switch, and Upfitter Connector
Cell 21: ECT and EOP Gauges and Sensors, Generator, Generator Charge and HI IDLE Indicators and PCM
Handling ESD Sensitive Parts Notice
Figure 9:

Cell 21: MFAM, PCM, Stoplamps Switch, and Upfitter Connector


Object Number: 295423  Size: FS
Engine Controls Components
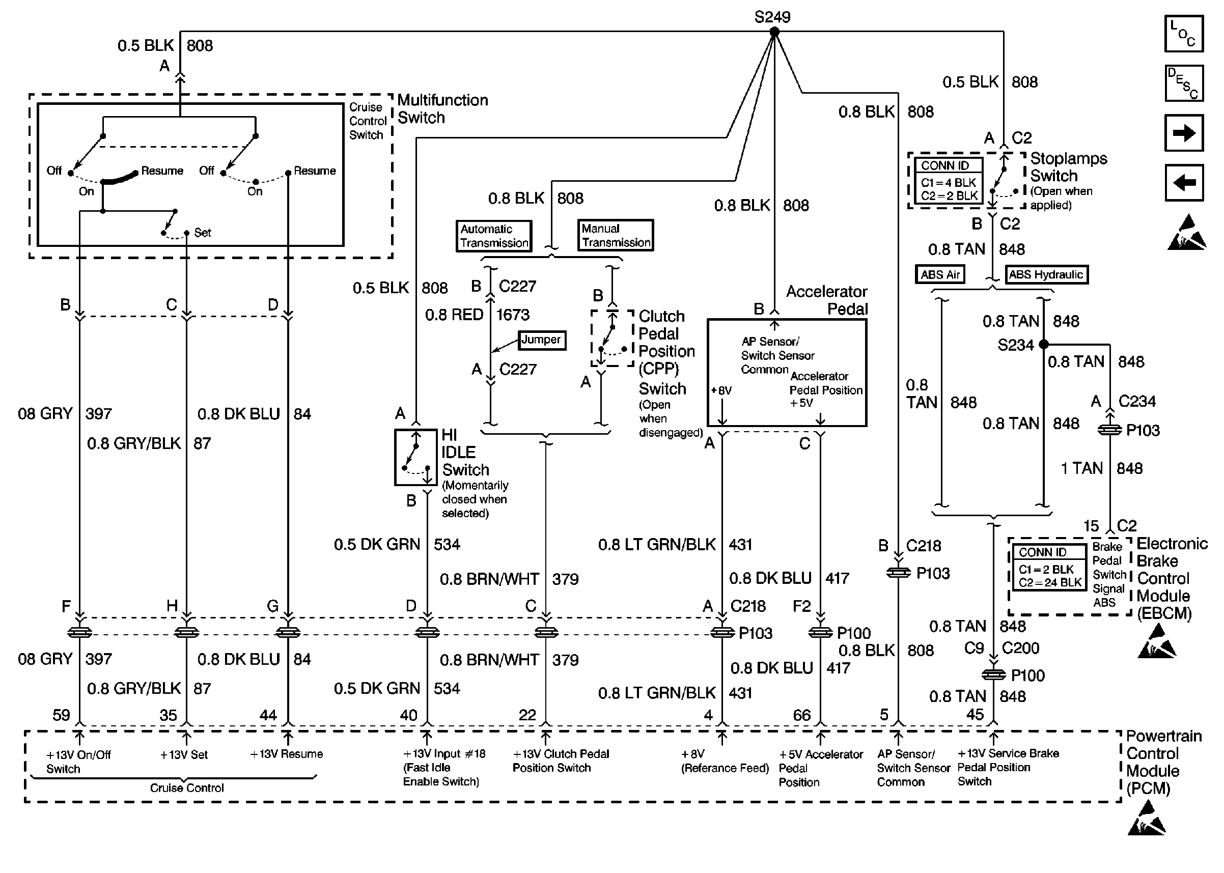
Cell 21: Accelerator Pedal, Clutch Pedal Position, Cruise Control, HI IDLE and Stoplamps Switches, EBCM and PCM,
Cell 21: EBCM, Engine Exhaust Brake/ Air Interlock Relay, Switch and Solenoid Valve, and PCM
Handling ESD Sensitive Parts Notice
Figure 10:

Cell 21: Accelerator Pedal, Clutch Pedal Position, Cruise Control, HI IDLE and Stoplamps Switches, EBCM and PCM,


Object Number: 295424  Size: FS
Engine Controls Components
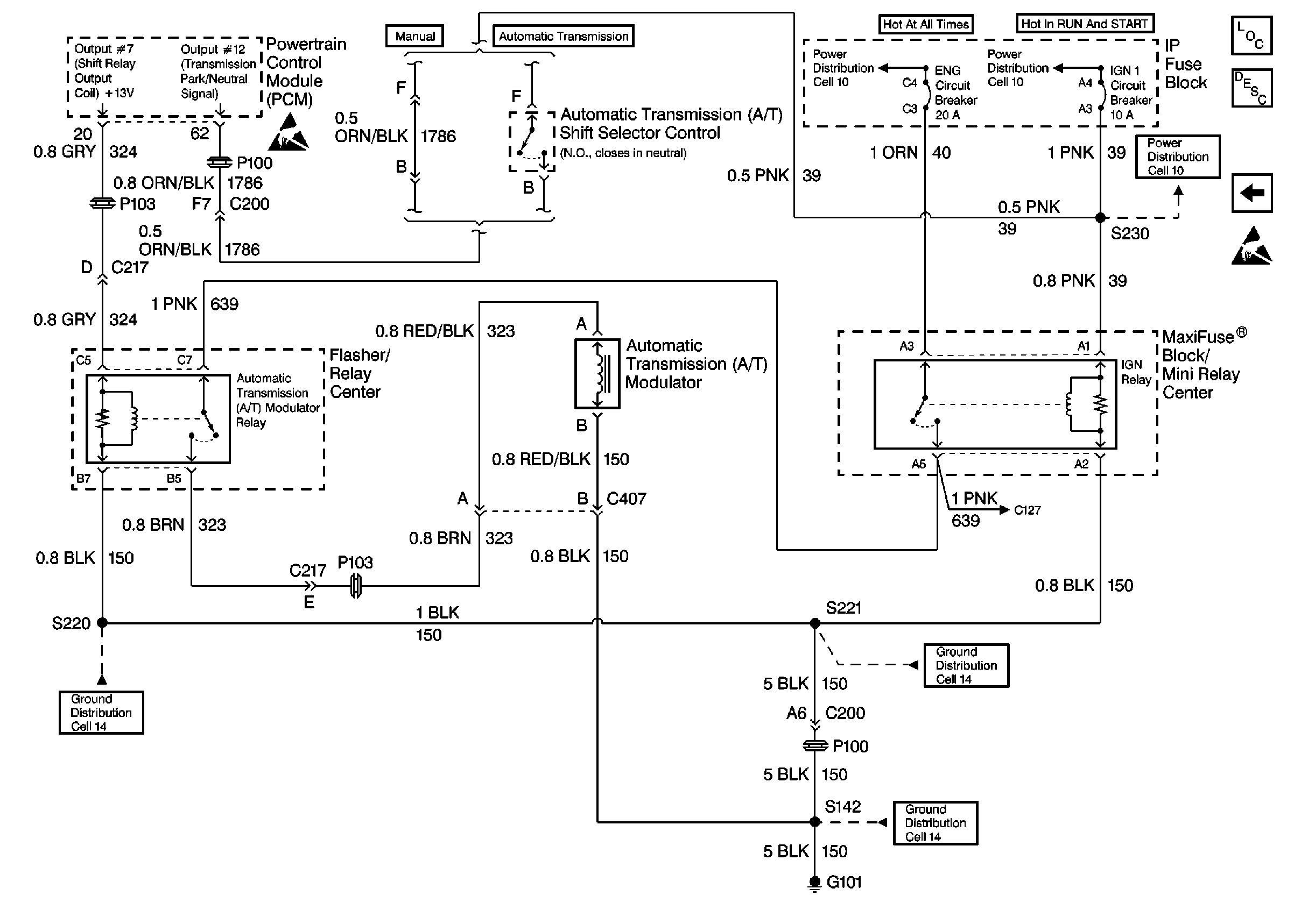
Cell 21: A/T Modulator, Relay and Shift Selector Control, IGN Relay and PCM
Cell 21: MFAM, PCM, Stoplamps Switch, and Upfitter Connector
Handling ESD Sensitive Parts Notice
Figure 11:

Cell 21: A/T Modulator, Relay and Shift Selector Control, IGN Relay and PCM


Object Number: 295425  Size: FS
Engine Controls Components
Cell 21: Accelerator Pedal, Clutch Pedal Position, Cruise Control, HI IDLE and Stoplamps Switches, EBCM and PCM,
Handling ESD Sensitive Parts Notice