GM Service Manual Online
For 1990-2009 cars only
Makes
🢒
Chevrolet
🢒
1998
🢒
Chevrolet C-Series Medium Duty Truck B7
🢒
Engine
🢒
Engine Cooling
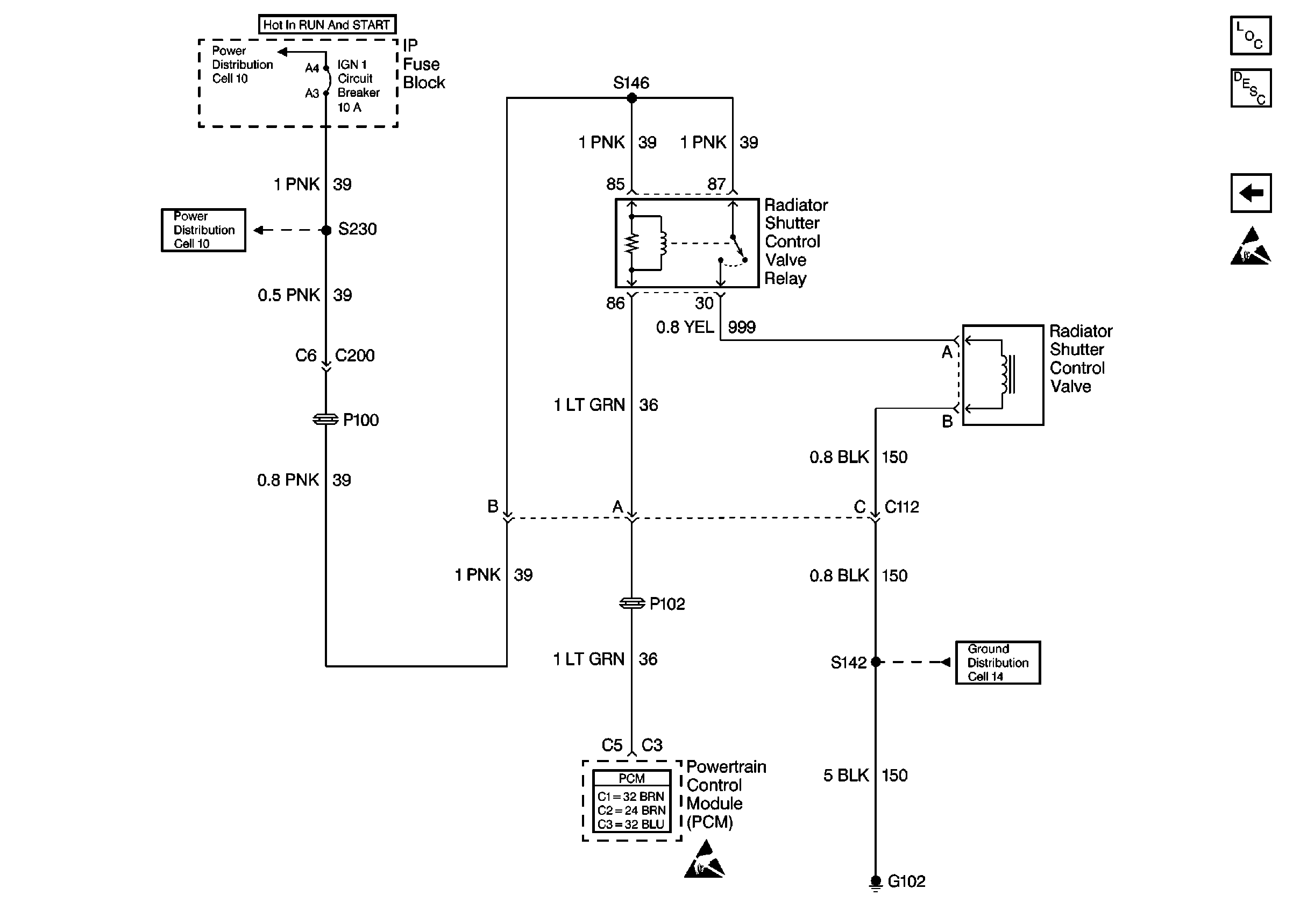
🢒 Radiator Shutter Schematics
Figure
1:
Cell 32: Cat® Diesel Engine
Cooling System Components
Radiator Shutter Circuit Description LG5
Cell 32: GM Diesel Engine
Figure
2:
Cell 32: GM Diesel Engine
Cooling System Components
Radiator Shutter Circuit Description GM Diesel
Cell 32: Cat® Diesel Engine
ESD Notice