GM Service Manual Online
For 1990-2009 cars only

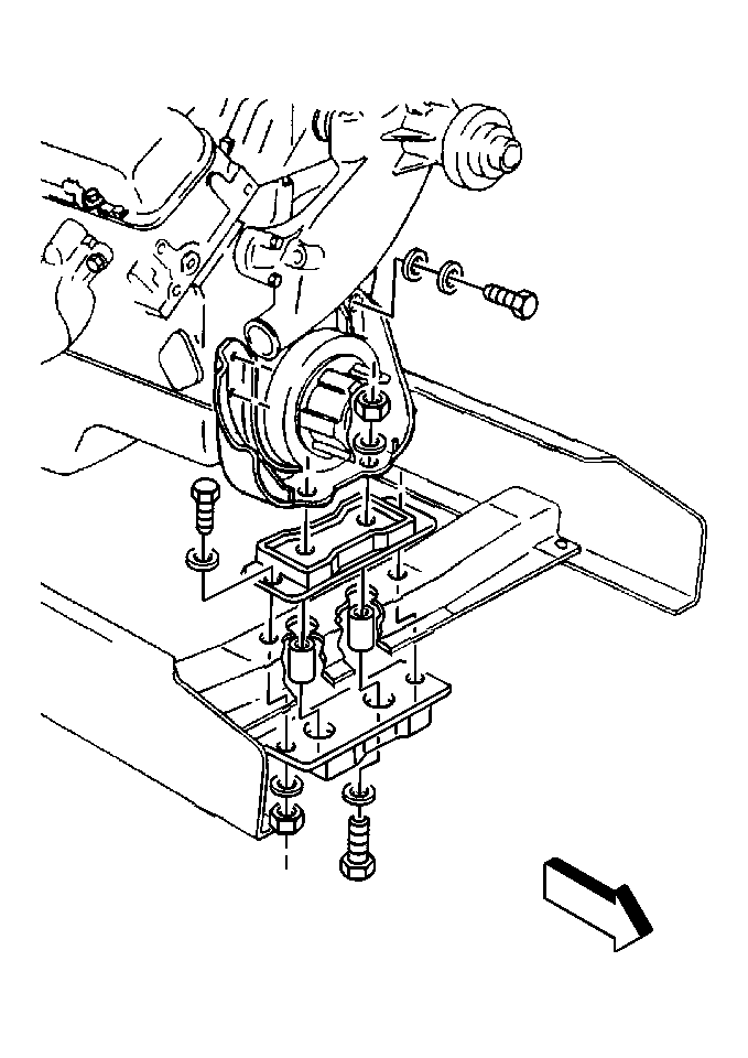
Engine Mount Replacement Front Mount

Removal Procedure

Important: Do not support engine by the oil pan assembly. Damage to the oil pan could occur.


    Object Number: 220124  Size: MH
  1. Support the engine block with a suitable stand.
  2. Remove the bolts and nuts from the engine mount.
  3. Remove the bolts and nuts from the engine mount to the engine mount bracket.
  4. Raise the engine just high enough to remove the engine mount.
  5. Remove the engine mount from the front crossmember.
  6. Remove the engine mount spacers from in the front crossmember.

Installation Procedure

Important: Apply a barrier coating of a good corrosion inhibiting compound GM P/N 1052856 or an equivalent to all mating surfaces of dissimilar metals. This will prevent a chemical reaction from occurring between the two metals. Remove the old sealer with a putty knife.


    Object Number: 220124  Size: MH
  1. Install the spacers in the front crossmemeber.
  2. Install the mounting bracket bolt and washers.
  3. Notice: Use the correct fastener in the correct location. Replacement fasteners must be the correct part number for that application. Fasteners requiring replacement or fasteners requiring the use of thread locking compound or sealant are identified in the service procedure. Do not use paints, lubricants, or corrosion inhibitors on fasteners or fastener joint surfaces unless specified. These coatings affect fastener torque and joint clamping force and may damage the fastener. Use the correct tightening sequence and specifications when installing fasteners in order to avoid damage to parts and systems.

  4. Install the nuts to the bolts.
  5. Tighten
    Tighten the nut to 37 N·m (27 lb ft).

    Important: Make sure that the center bond cushions compress properly.

  6. Install the engine mount through bolt and the nut (if used).
  7. Tighten
    Tighten the nut to 110 N·m (81 lb ft).

  8. Remove the lifting device.

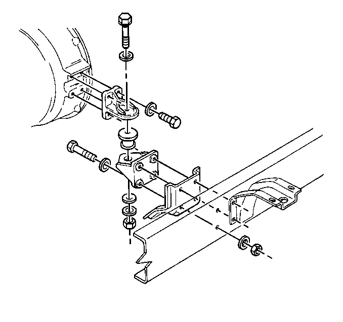
Engine Mount Replacement Rear Mount 6.0 with M/T

Removal Procedure


    Object Number: 220127  Size: SH
  1. Disconnect any of the following that may sustain damage while raising the engine:
  2. • The wiring
    • The hoses
    • Other susceptible components
  3. Remove the engine mounting through bolt and the nut as required.
  4. Notice: When raising or supporting the engine for any reason, do not use a jack under the oil pan, any sheet metal, or crankshaft pulley. Jacking against the oil pan will damage it or cause it to be bent against the screen because of the small clearance between the oil pan and the oil pump screen. Raise the rear of the power plant only high enough to permit removal of the upper cushion, and provide safety blocking to prevent tipping and possible damage to front mountings. Be careful not to damage control linkages and wiring.

  5. Provide a jack in order to safely raise the rear of the engine or the transmission, as necessary.
  6. Remove the cushions and the spacers as needed.
  7. Remove the following components (as used):
  8. • The nut
    • The washers
    • The bolt

    Important: Support any vehicle components that are held in place by the vehicle mounting fasteners before removing the fasteners.

  9. Remove the mounting bracket.

Installation Procedure


    Object Number: 220127  Size: SH

    Important: Apply a barrier coating of a good corrosion inhibiting compound GM P/N 1052856 or an equivalent to all mating surfaces of dissimilar metals. This will prevent a chemical reaction from occurring between the two metals. Remove the old sealer with a putty knife.

  1. Install the mounting bracket to the engine and the frame.
  2. Notice: Use the correct fastener in the correct location. Replacement fasteners must be the correct part number for that application. Fasteners requiring replacement or fasteners requiring the use of thread locking compound or sealant are identified in the service procedure. Do not use paints, lubricants, or corrosion inhibitors on fasteners or fastener joint surfaces unless specified. These coatings affect fastener torque and joint clamping force and may damage the fastener. Use the correct tightening sequence and specifications when installing fasteners in order to avoid damage to parts and systems.

  3. Install the following components:
  4. • The bolts
    • The washers
    • The nut

    Tighten
    Tighten the nuts to 37 N·m (27 lb ft).

  5. Lubricate the center bond cushions with water before installing.
  6. Install the cushions and the spacers (as required).
  7. Lower the engine in order to install the through bolt.
  8. Install the following components as required:
  9. • The through bolt
    • The nut
    • The washers
  10. Install the nut (as required).
  11. Tighten
    Tighten the through bolt or the nut to 196 N·m (145 lb ft). Ensure that the center bond cushion compresses properly.

  12. Connect the following components:
  13. • The hoses
    • The wiring
    • Any components that you disconnected.
  14. Remove the lifting device.

Engine Mount Replacement Rear Mount M/T643G or MT653

Removal Procedure


    Object Number: 220128  Size: SH
  1. Disconnect any of the following that may sustain damage while raising the engine:
  2. • The wiring
    • The hoses
    • Other susceptible components
  3. Remove the engine mounting through bolt and the nut as required.
  4. Notice: When raising or supporting the engine for any reason, do not use a jack under the oil pan, any sheet metal, or crankshaft pulley. Jacking against the oil pan will damage it or cause it to be bent against the screen because of the small clearance between the oil pan and the oil pump screen. Raise the rear of the power plant only high enough to permit removal of the upper cushion, and provide safety blocking to prevent tipping and possible damage to front mountings. Be careful not to damage control linkages and wiring.

  5. Provide a jack in order to safely raise the rear of the engine or the transmission, as necessary.
  6. Remove the cushions and the spacers as needed.
  7. Remove the following components (as used):
  8. • The nut
    • The washers
    • The bolt

    Important: Support any vehicle components that are held in place by the vehicle mounting fasteners before removing the fasteners.

  9. Remove the mounting bracket.

Installation Procedure


    Object Number: 220128  Size: SH

    Important: Apply a barrier coating of a good corrosion inhibiting compound GM P/N 1052856 or an equivalent to all mating surfaces of dissimilar metals. This will prevent a chemical reaction from occurring between the two metals. Remove the old sealer with a putty knife.

  1. Install the mounting bracket to the engine and the frame.
  2. Notice: Use the correct fastener in the correct location. Replacement fasteners must be the correct part number for that application. Fasteners requiring replacement or fasteners requiring the use of thread locking compound or sealant are identified in the service procedure. Do not use paints, lubricants, or corrosion inhibitors on fasteners or fastener joint surfaces unless specified. These coatings affect fastener torque and joint clamping force and may damage the fastener. Use the correct tightening sequence and specifications when installing fasteners in order to avoid damage to parts and systems.

  3. Install the following components:
  4. • The bolts
    • The washers
    • The nuts

    Tighten
    Tighten the nuts to 37 N·m (27 lb ft).

  5. Lubricate the center bond cushions with water before installing.
  6. Install the cushions and the spacers (as required).
  7. Lower the engine in order to install the through bolt.
  8. Install the following components as required:
  9. • The through bolt
    • The nut
    • The washers
  10. Install the nut (as required).
  11. Tighten
    Tighten the through bolt or the nut to 196 N·m (145 lb ft). Ensure that the center bond cushion compresses properly.

  12. Connect the following components:
  13. • The hoses
    • The wiring
    • Any components that you disconnected
  14. Remove the lifting device.

Engine Mount Replacement Rear Mount AT545 Trans

Removal Procedure


    Object Number: 220129  Size: SH
  1. Disconnect any of the following that may sustain damage while raising the engine:
  2. • The wiring
    • The hoses
    • Other susceptible components
  3. Remove the engine mounting through bolt and the nut as required.
  4. Notice: When raising or supporting the engine for any reason, do not use a jack under the oil pan, any sheet metal, or crankshaft pulley. Jacking against the oil pan will damage it or cause it to be bent against the screen because of the small clearance between the oil pan and the oil pump screen. Raise the rear of the power plant only high enough to permit removal of the upper cushion, and provide safety blocking to prevent tipping and possible damage to front mountings. Be careful not to damage control linkages and wiring.

  5. Provide a jack in order to safely raise the rear of the engine or the transmission, as necessary.
  6. Remove the cushions and the spacers as needed.
  7. Remove the following components (as used):
  8. • The nut
    • The washers
    • The bolt

    Important: Support any vehicle components that are held in place by the vehicle mounting fasteners before removing the fasteners.

  9. Remove the mounting bracket.

Installation Procedure


    Object Number: 220129  Size: SH

    Important: Apply a barrier coating of a good corrosion inhibiting compound GM P/N 1052856 or an equivalent to all mating surfaces of dissimilar metals. This will prevent a chemical reaction from occurring between the two metals. Remove the old sealer with a putty knife.

  1. Install the mounting bracket to the engine and the frame.
  2. Notice: Use the correct fastener in the correct location. Replacement fasteners must be the correct part number for that application. Fasteners requiring replacement or fasteners requiring the use of thread locking compound or sealant are identified in the service procedure. Do not use paints, lubricants, or corrosion inhibitors on fasteners or fastener joint surfaces unless specified. These coatings affect fastener torque and joint clamping force and may damage the fastener. Use the correct tightening sequence and specifications when installing fasteners in order to avoid damage to parts and systems.

  3. Install the following components:
  4. • The bolts
    • The washers
    • The nuts

    Tighten
    Tighten the nuts to 37 N·m (27 lb ft).

  5. Lubricate the center bond cushions with water before installing.
  6. Install the cushions and the spacers (as required).
  7. Lower the engine in order to install the through bolt.
  8. Install the following components as required:
  9. • The through bolt
    • The nut
    • The washers
  10. Install the nut (as required).
  11. Tighten
    Tighten the through bolt or the nut to 196 N·m (145 lb ft). Ensure that the center bond cushion compresses properly.

  12. Connect the following components:
  13. • The hoses
    • The wiring
    • Any components that you disconnected
  14. Remove the lifting device.