GM Service Manual Online
For 1990-2009 cars only
Makes
🢒
Chevrolet
🢒
1998
🢒
Chevrolet C-Series Medium Duty Truck B7
🢒
Brakes
🢒
Air Antilock Brake System
🢒 Air Antilock Brake System Schematics
Figure
1:
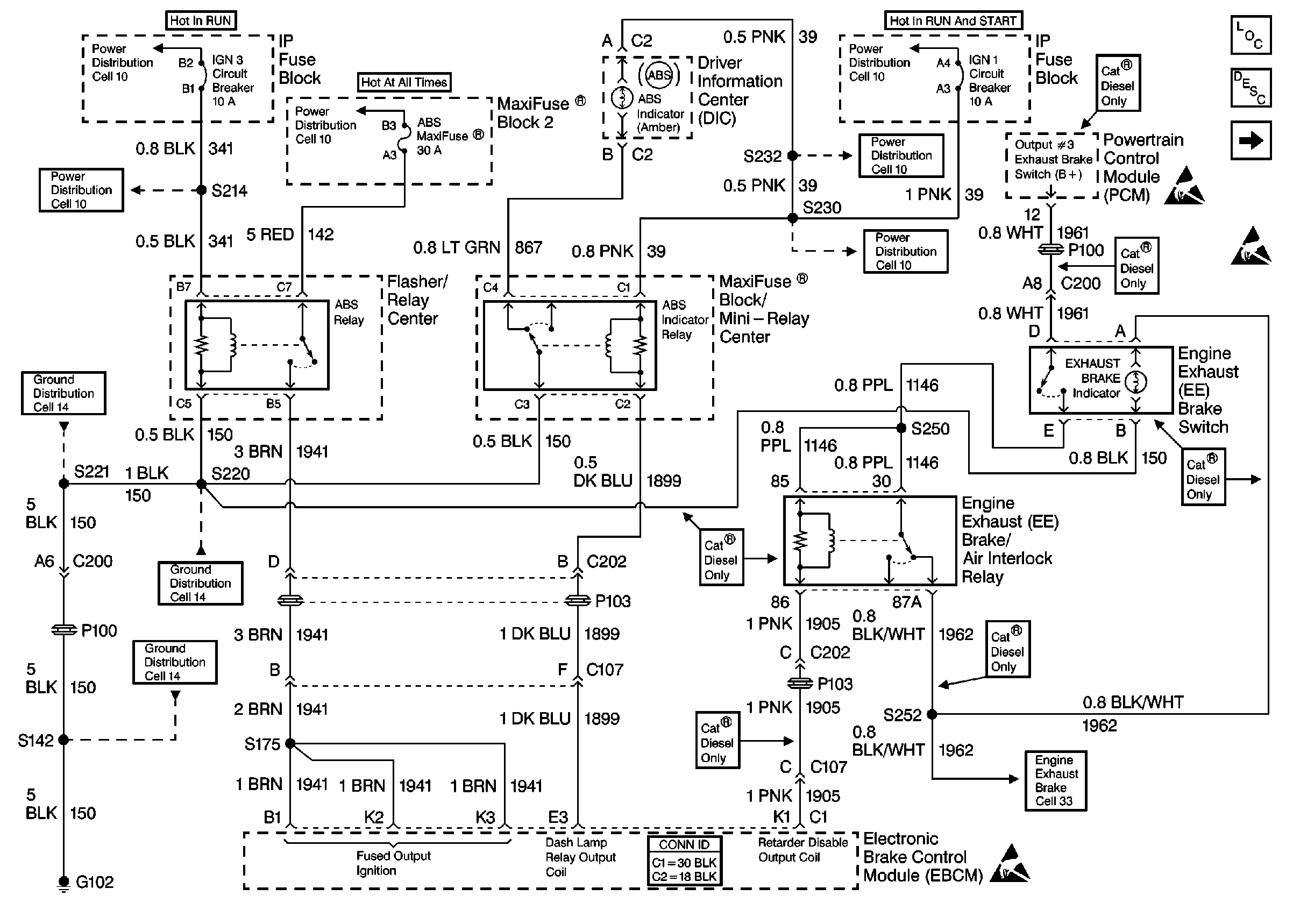
Cell 44: ABS Relay, Indicator Relay and Indicator, Electronic Brake Control Module and Engine Exhaust Brake Switch and Relay
Air Antilock Brakes System Components
Air ABS Description
Cell 44: Brake Pressure Modulator Valves, Electronic Brake ContROL Module and Wheel Speed Sensors
Handling ESD Sensitive Parts Notice
Figure
2:
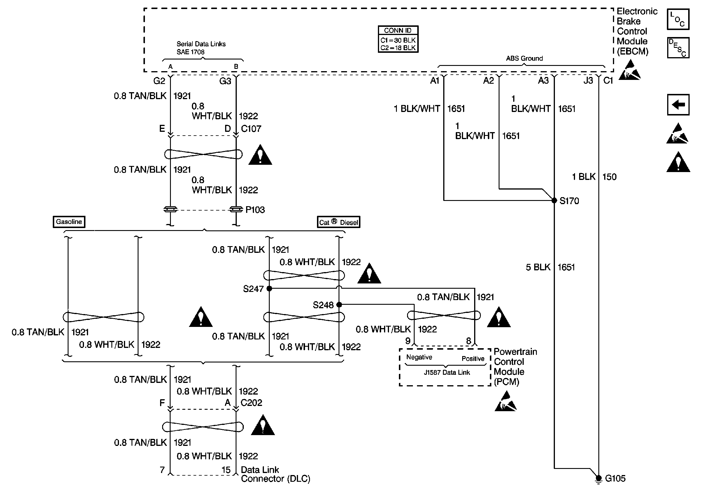
Cell 44: Brake Pressure Modulator Valves, Electronic Brake Control Module and Wheel Speed Sensors
Air Antilock Brakes System Components
Air ABS Description
Cell 44: Data Link Connector, Electronic Brake Control Module and Powertrain Control Module
Cell 44: ABS Relay, Indicator Relay and Indicator, Electronic BrakE Control Module and Engine Exhaust Brake Switch and Relay
Handling ESD Sensitive Parts Notice
Air Antilock Brake System Schematic Icons
Figure
3:
Cell 44: Data Link Connector, Electronic Brake Control Module and Powertrain Control Module
Air Antilock Brakes System Components
Air ABS Description
Cell 44: Brake Pressure Modulator Valves, Electronic Brake ContROL Module and Wheel Speed Sensors
Air Antilock Brake System Schematic Icons