GM Service Manual Online
For 1990-2009 cars only

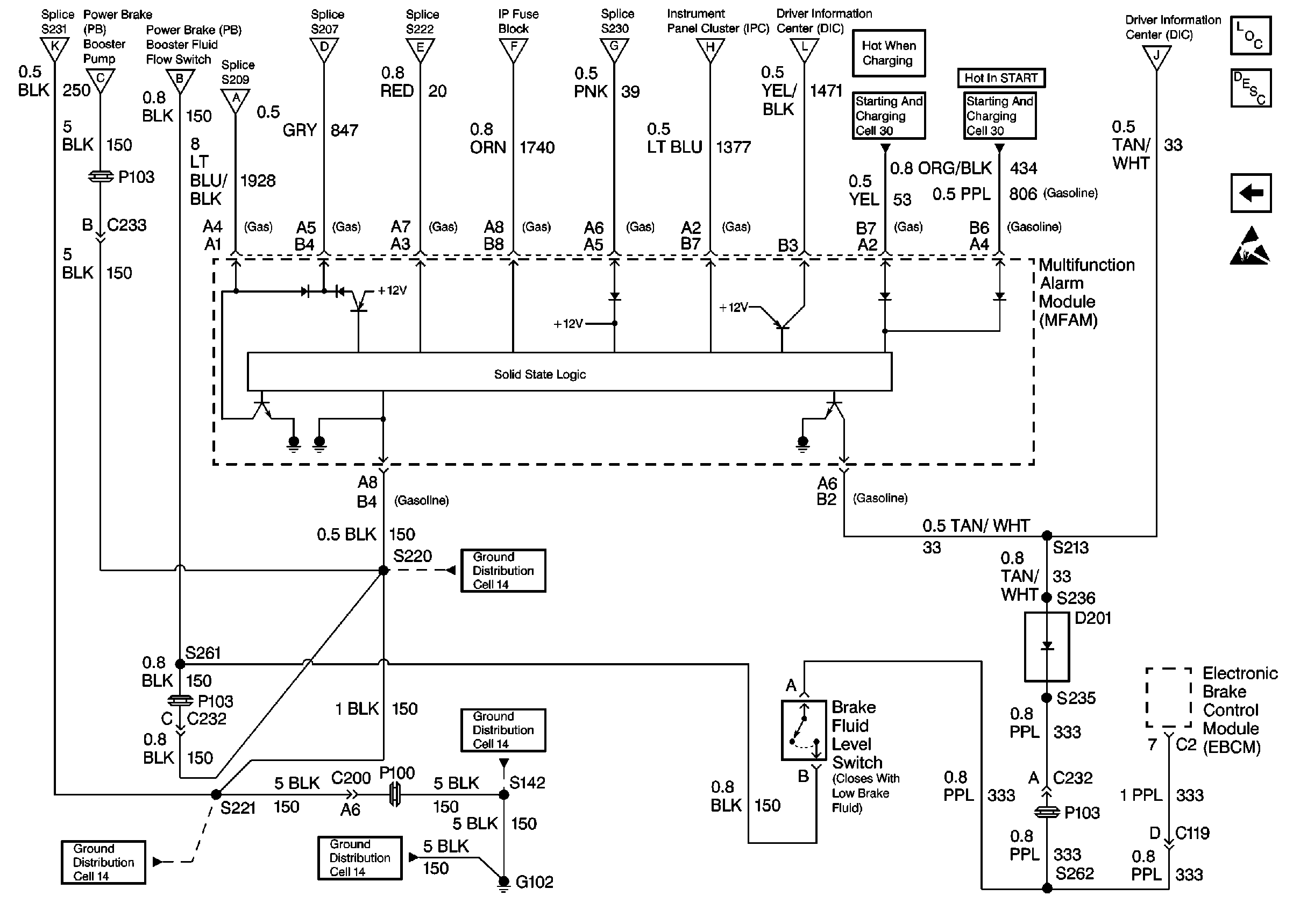
Brake Warning System Schematics Gasoline and GM Diesel

Figure 1:

Cell 41: IP Fuse Block, Power Brake Booster Relay, Power Brake Booster Pump, Power Brake Booster Fluid Flow Switch


Object Number: 395006  Size: FS
Hydraulic Brakes Components
Brake Warning System Circuit Description
Cell 41: Multifunction Alarm Module, Brake Fluid Level Switch, Electronic Brake Control Module, G101
Handling ESD Sensitive Parts Notice
Cell 41: Multifunction Alarm Module, Brake Fluid Level Switch, Electronic Brake Control Module, G101
Cell 41: Multifunction Alarm Module, Brake Fluid Level Switch, Electronic Brake Control Module, G101
Cell 41: Multifunction Alarm Module, Brake Fluid Level Switch, Electronic Brake Control Module, G101
Cell 41: Multifunction Alarm Module, Brake Fluid Level Switch, Electronic Brake Control Module, G101
Cell 41: Multifunction Alarm Module, Brake Fluid Level Switch, Electronic Brake Control Module, G101
Cell 41: Multifunction Alarm Module, Brake Fluid Level Switch, Electronic Brake Control Module, G101
Cell 41: Multifunction Alarm Module, Brake Fluid Level Switch, Electronic Brake Control Module, G101
Cell 41: Multifunction Alarm Module, Brake Fluid Level Switch, Electronic Brake Control Module, G101
Cell 41: Multifunction Alarm Module, Brake Fluid Level Switch, Electronic Brake Control Module, G101
Cell 41: Multifunction Alarm Module, Brake Fluid Level Switch, Electronic Brake Control Module, G101
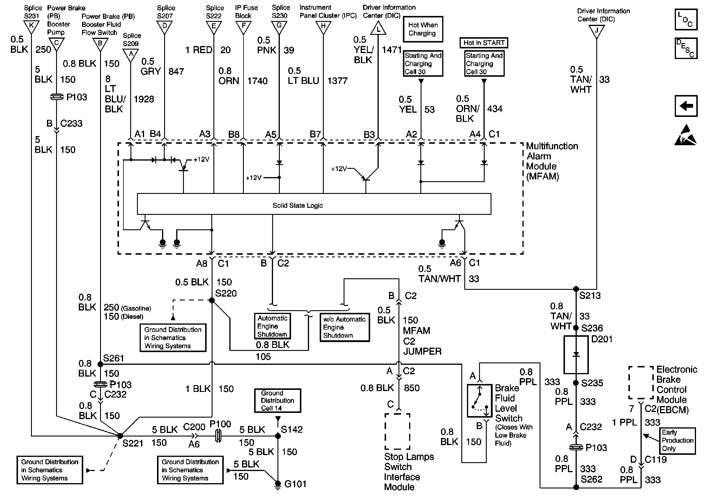
Figure 2:

Cell 41: Multifunction Alarm Module, Brake Fluid Level Switch, Electronic Brake Control Module, G101


Object Number: 395008  Size: FS
Hydraulic Brakes Components
Brake Warning System Circuit Description
Cell 41: IP Fuse Block, Power Brake Booster Relay, Power Brake Booster Pump, Power Brake Booster Fluid Flow Switch
Handling ESD Sensitive Parts Notice
Cell 41: IP Fuse Block, Power Brake Booster Relay, Power Brake Booster Pump, Power Brake Booster Fluid Flow Switch

Brake Warning System Schematics Caterpillar

Figure 1:

Cell 41: IP Fuse Block, Power Brake Booster Relay, Power Brake Booster Pump, Power Brake Booster Fluid Flow Switch


Object Number: 395006  Size: FS
Hydraulic Brakes Components
Brake Warning System Circuit Description
Cell 41: Multifunction Alarm Module, Brake Fluid Level Switch, Electronic Brake Control Module, G101
Handling ESD Sensitive Parts Notice
Cell 41: Multifunction Alarm Module, Brake Fluid Level Switch, Electronic Brake Control Module, G101
Cell 41: Multifunction Alarm Module, Brake Fluid Level Switch, Electronic Brake Control Module, G101
Cell 41: Multifunction Alarm Module, Brake Fluid Level Switch, Electronic Brake Control Module, G101
Cell 41: Multifunction Alarm Module, Brake Fluid Level Switch, Electronic Brake Control Module, G101
Cell 41: Multifunction Alarm Module, Brake Fluid Level Switch, Electronic Brake Control Module, G101
Cell 41: Multifunction Alarm Module, Brake Fluid Level Switch, Electronic Brake Control Module, G101
Cell 41: Multifunction Alarm Module, Brake Fluid Level Switch, Electronic Brake Control Module, G101
Cell 41: Multifunction Alarm Module, Brake Fluid Level Switch, Electronic Brake Control Module, G101
Cell 41: Multifunction Alarm Module, Brake Fluid Level Switch, Electronic Brake Control Module, G101
Cell 41: Multifunction Alarm Module, Brake Fluid Level Switch, Electronic Brake Control Module, G101
Figure 2:

Cell 41: Multifunction Alarm Module, Brake Fluid Level Switch, Electronic Brake Control Module, G101


Object Number: 395010  Size: FS
Hydraulic Brakes Components
Brake Warning System Circuit Description
Cell 41: IP Fuse Block, Power Brake Booster Relay, Power Brake Booster Pump, Power Brake Booster Fluid Flow Switch
Handling ESD Sensitive Parts Notice
Cell 41: IP Fuse Block, Power Brake Booster Relay, Power Brake Booster Pump, Power Brake Booster Fluid Flow Switch