GM Service Manual Online
For 1990-2009 cars only
Makes
🢒
Chevrolet
🢒
1998
🢒
Chevrolet C-Series Medium Duty Truck B7
🢒
Body and Accessories
🢒
Lighting Systems
🢒 Headlights/Daytime Running Lights (DRL) Schematics
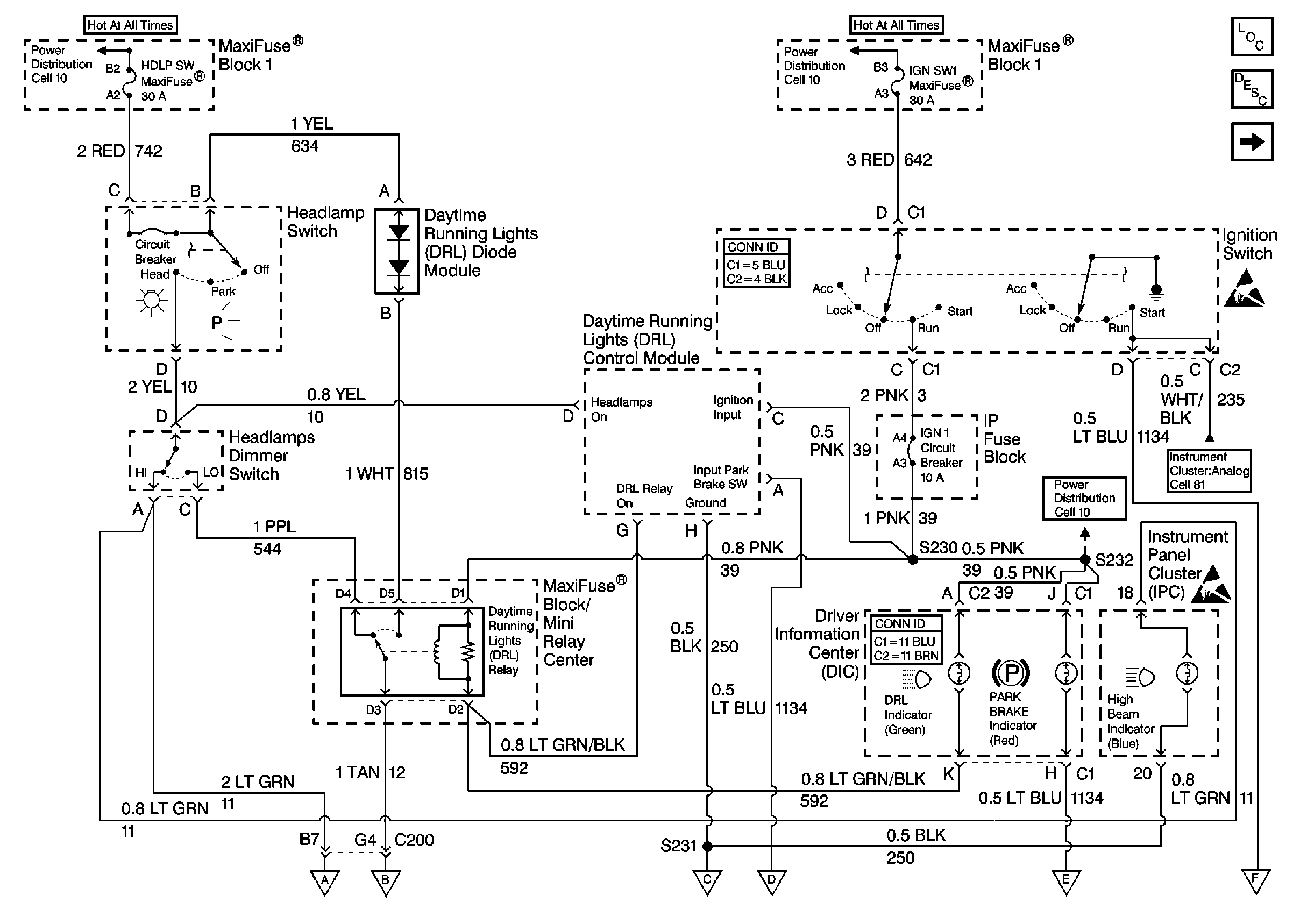
Figure
1:
Cell 102: Driver Information Center, DRL Control and Diode Modules, DRL Relay, Headlamps, Headlamps Dimmer and Ignition Switches, Power Distribution
Lighting Systems Components
Headlights/Daytime Running Lights (DRL) Circuit Description
Cell 102: G102, Headlamps and Park Brake Switch
Handling ESD Sensitive Parts Notice
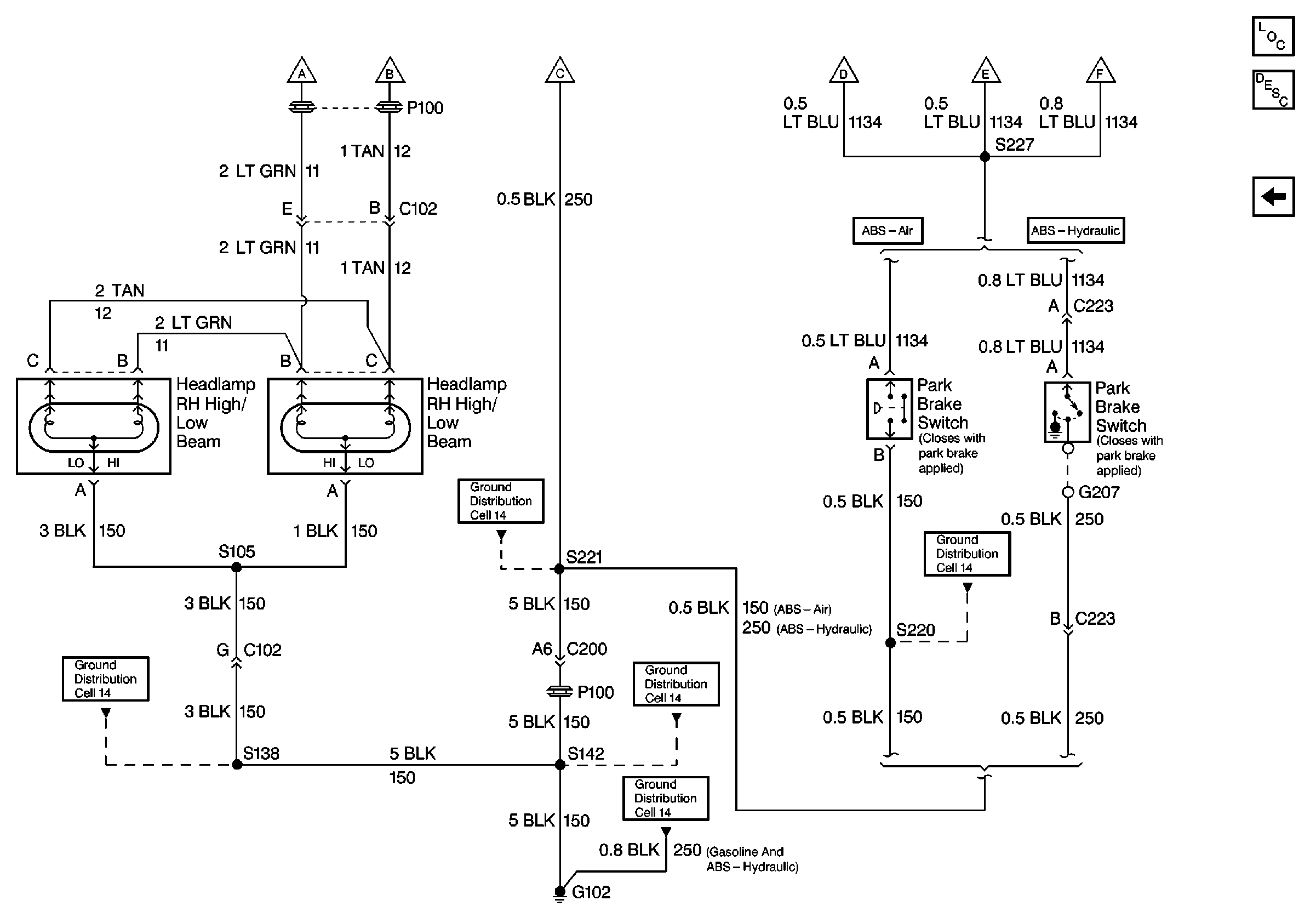
Figure
2:
Cell 102: G102, Headlamps and Park Brake Switch
Lighting Systems Components
Headlights/Daytime Running Lights (DRL) Circuit Description
Cell 102: Driver Information Center, DRL Control and Diode Modules, DRL Relay, Headlamps, Headlamps Dimmer and Ignition Switches, Power Distribution