GM Service Manual Online
For 1990-2009 cars only
Makes
🢒
Chevrolet
🢒
1998
🢒
Chevrolet C-Series Medium Duty Truck B7
🢒
Body and Accessories
🢒
Lighting Systems
🢒 Interior Lights Dimming Schematics
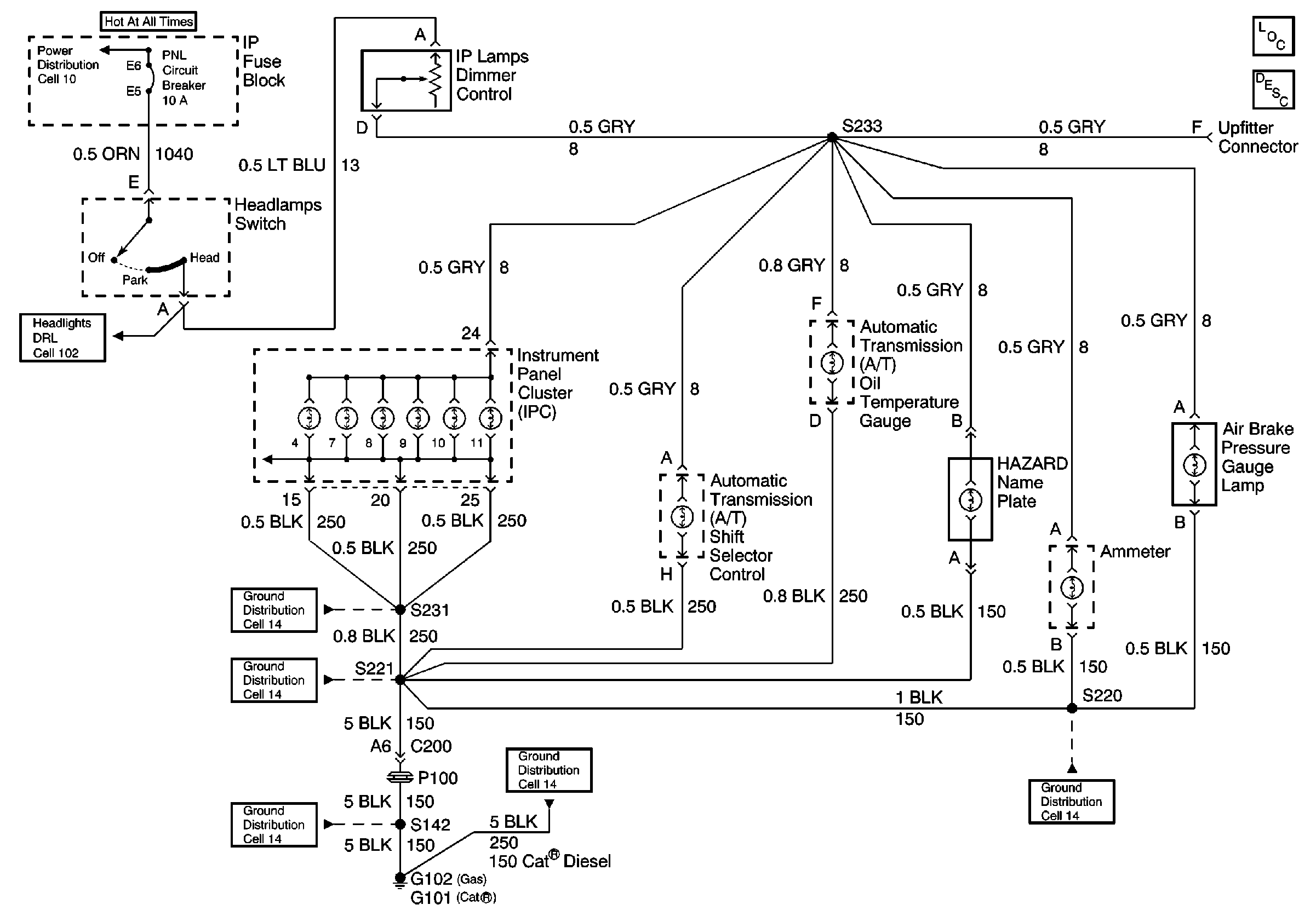
Cell 117: A/T Oil Temperature Gauge, A/T Selector Control, Air Pressure Gauge Lamp, HAZARD Name Plate, Headlamps Switch, IPC, IP Fuse Block and IP Lamps Dimmer Control
Lighting Systems Components
Interior Lights Dimming Circuit Description