GM Service Manual Online
For 1990-2009 cars only
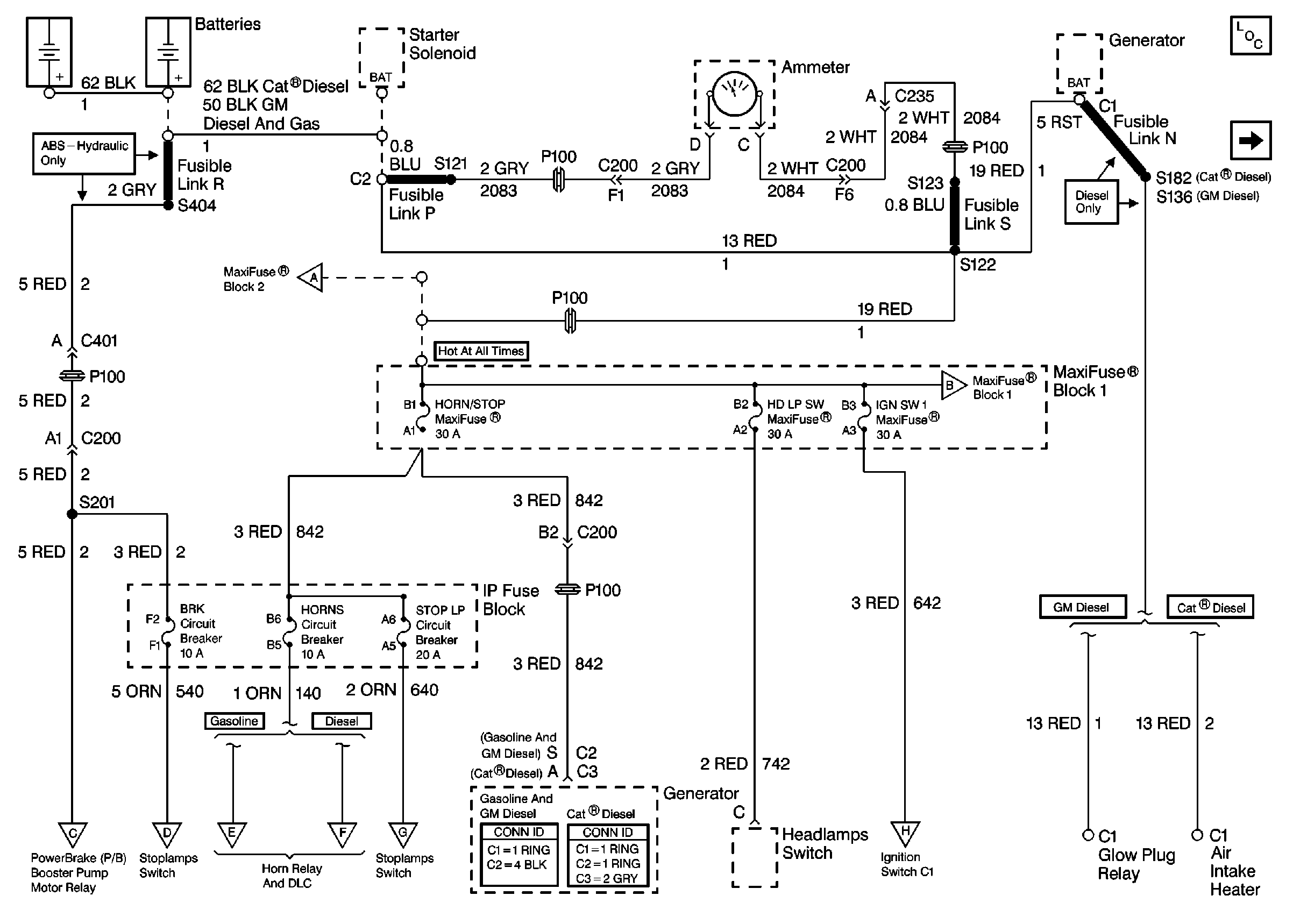
Figure 1:

Cell 10: Batteries, Fusible Links, MaxiFuse® Block 1 and IP Fuse Block


Object Number: 295293  Size: FS
Power and Grounding Components
Cell 10: MaxiFuse® Block 1 and IP Fuse Block
Figure 2:

Cell 10: MaxiFuse® Block 1 and IP Fuse Block


Object Number: 295363  Size: FS
Power and Grounding Components
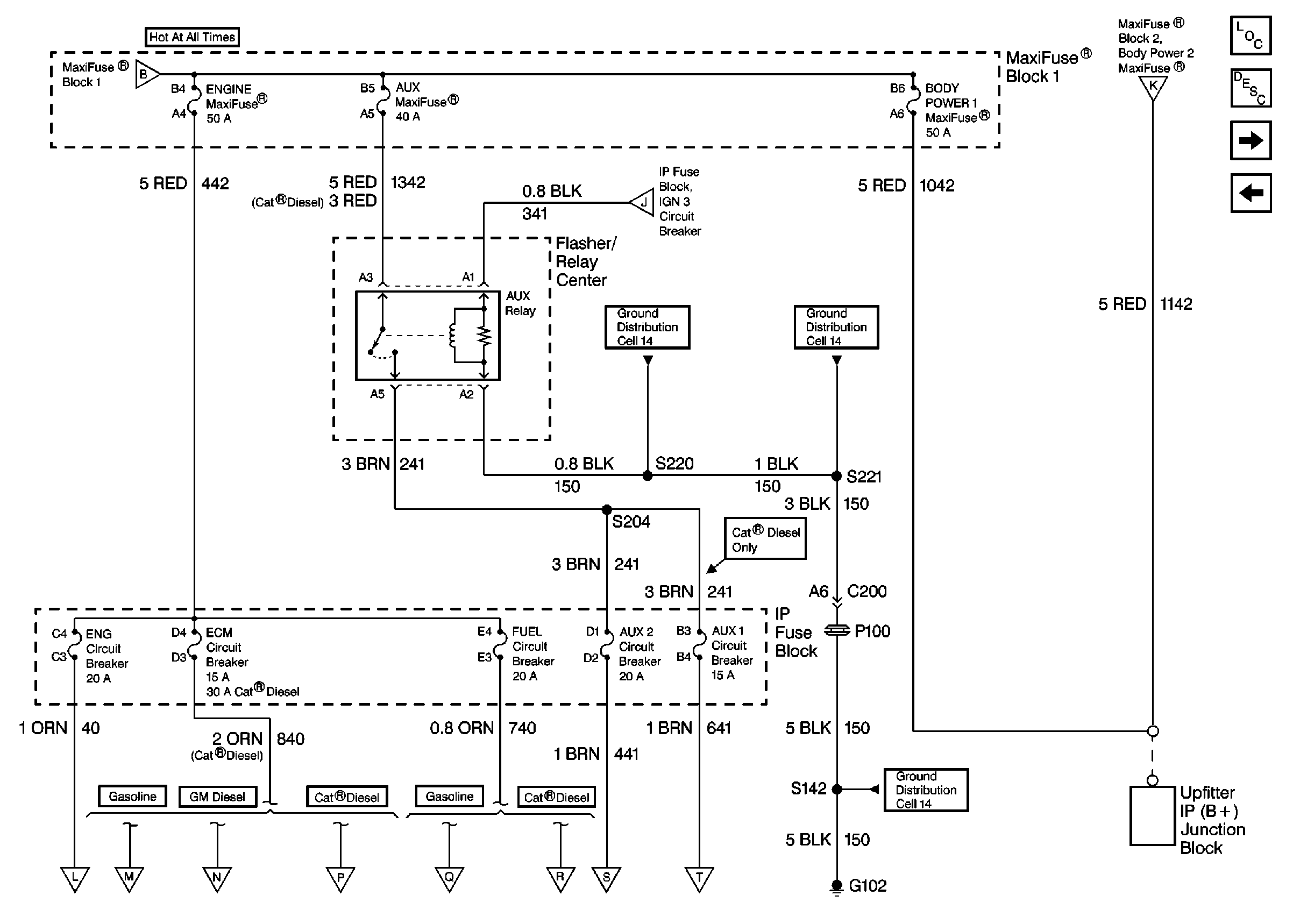
Cell 10: MaxiFuse® Block 2, IP Fuse Block and Flasher/ Relay Center
Cell 10: Batteries, Fusible Links, MaxiFuse® Block1 and IP Fuse Block
Figure 3:

Cell 10: MaxiFuse® Block 2, IP Fuse Block and Flasher/ Relay Center


Object Number: 295364  Size: FS
Power and Grounding Components
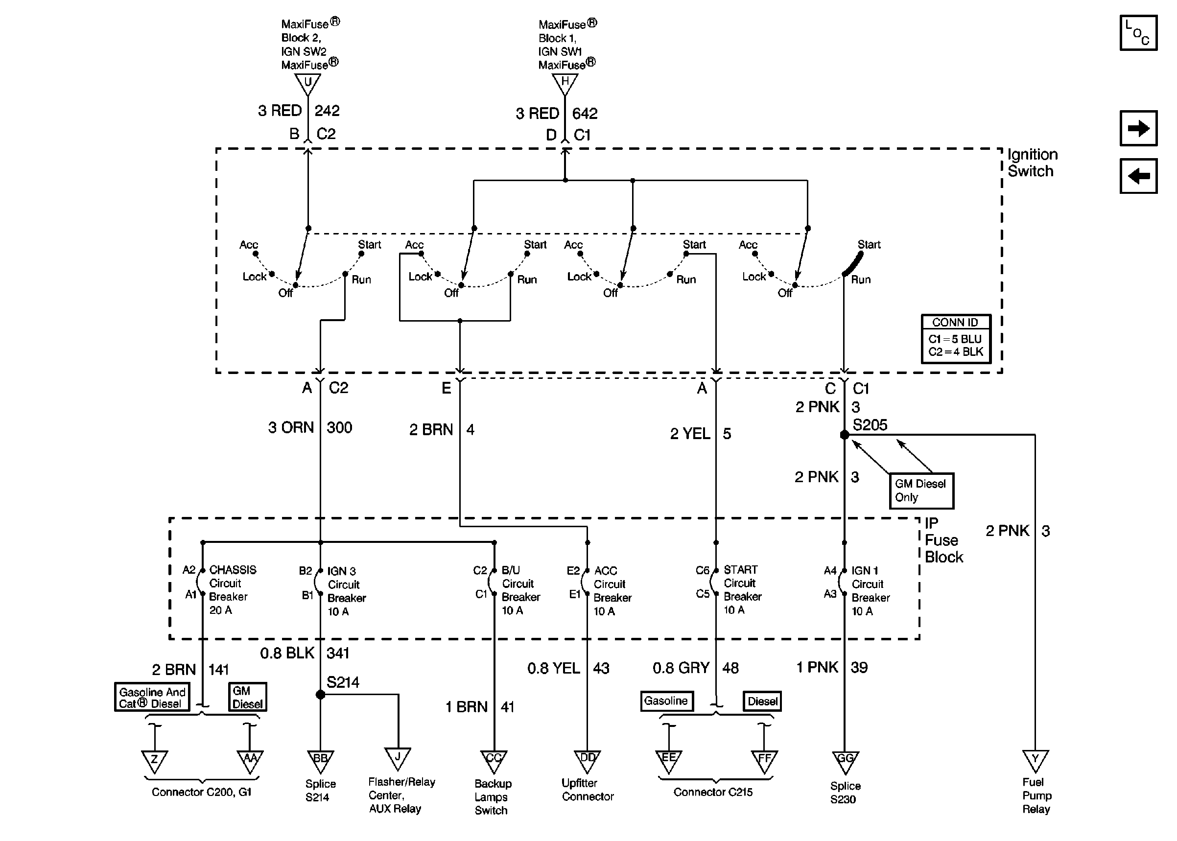
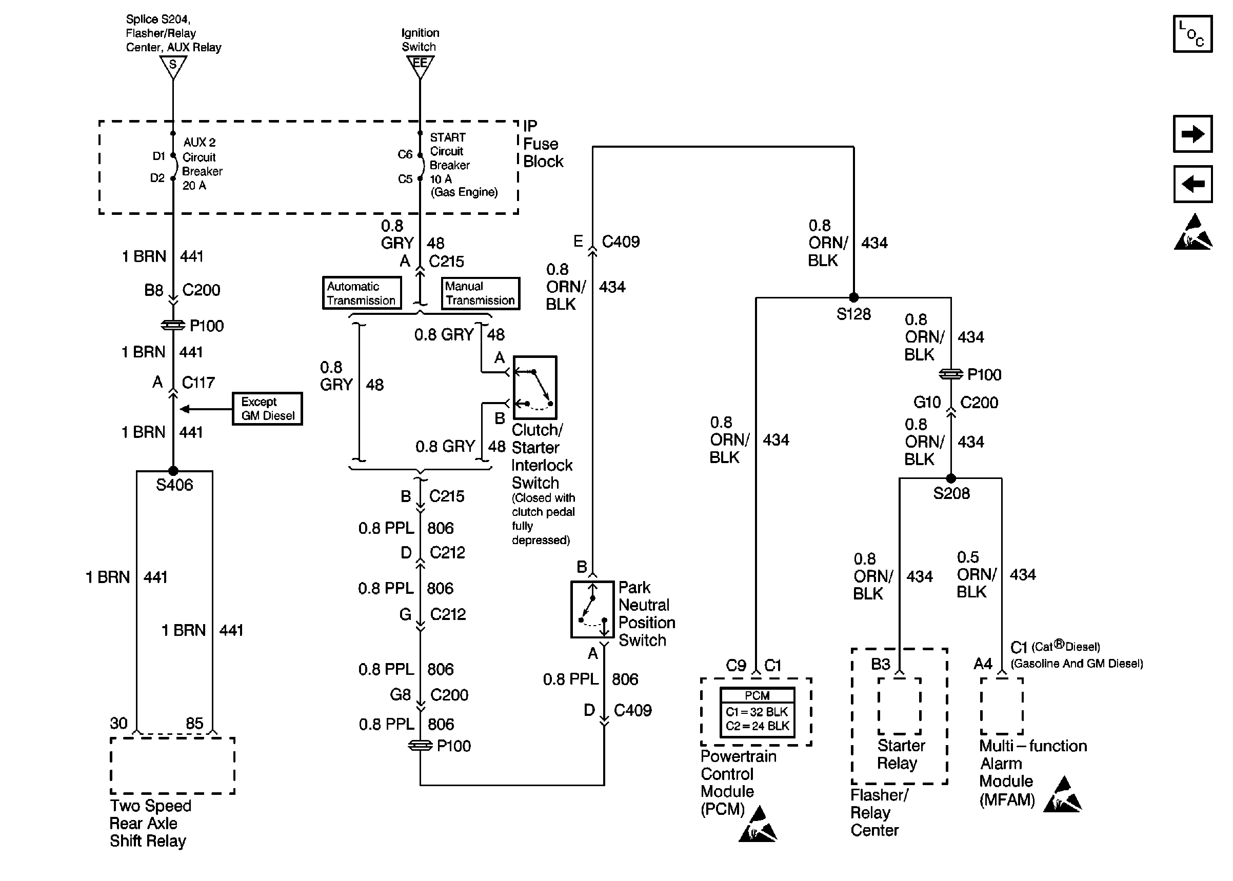
Cell 10: Ignition Switch and IP Fuse Block
Cell 10: MaxiFuse® Block 1 and IP Fuse Block
Handling ESD Sensitive Parts Notice
Figure 4:

Cell 10: Ignition Switch and IP Fuse Block


Object Number: 295365  Size: FS
Power and Grounding Components
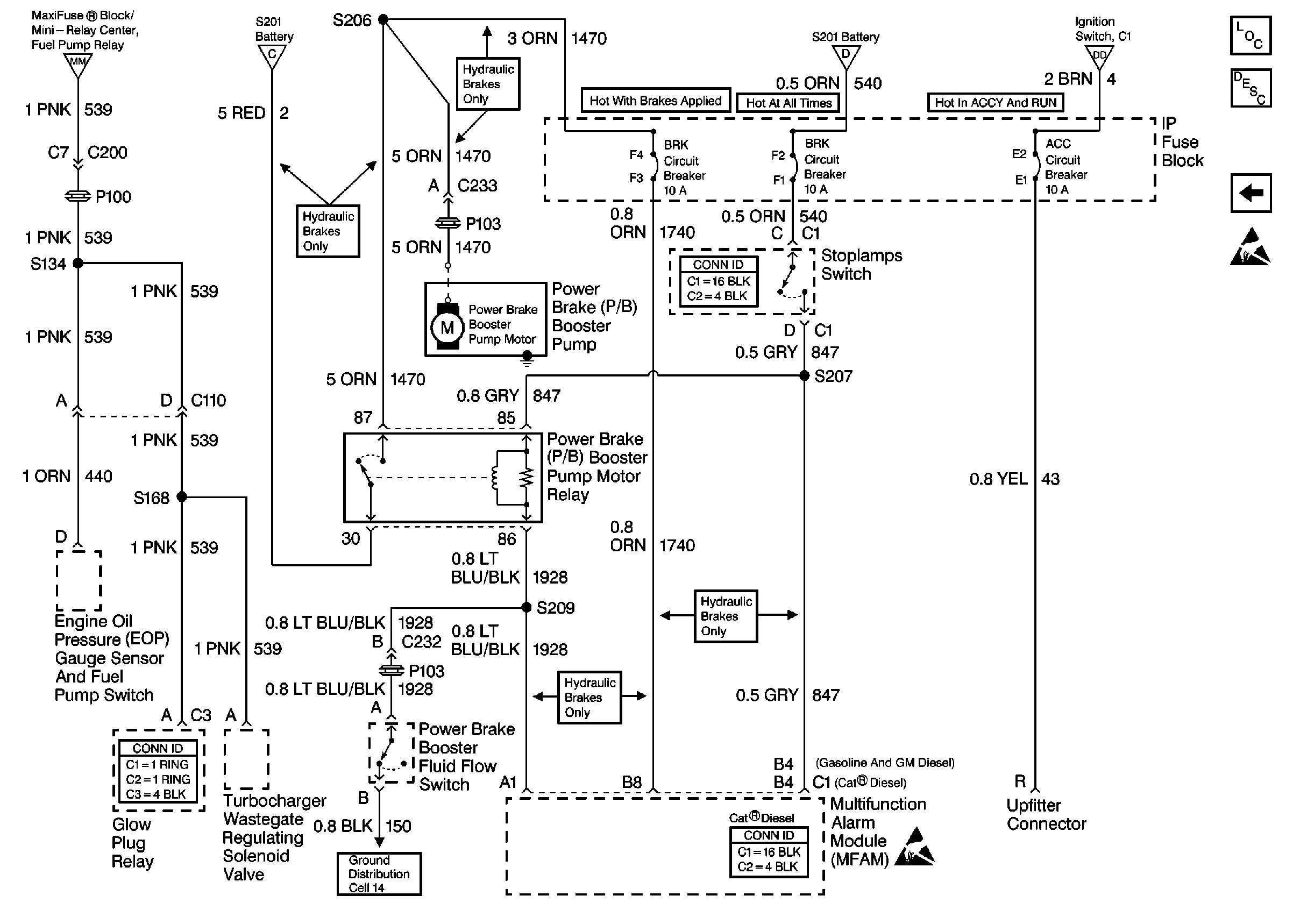
Cell 10: IP Fuse Block-IGN 1 Circuit Breaker
Cell 10: MaxiFuse® Block 2, IP Fuse Block and Flasher/ Relay Center
Figure 5:

Cell 10: IP Fuse Block--IGN 1 Circuit Breaker


Object Number: 295367  Size: FS
Power and Grounding Components
Cell 10: Splice S232
Cell 10: Ignition Switch and IP Fuse Block
Figure 6:

Cell 10: Splice S232


Object Number: 295368  Size: FS
Power and Grounding Components
Cell 10: IP Fuse Block-AUX 1, B/U and CHASSIS Circuit Breakers
Cell 10: IP Fuse Block-IGN 1 Circuit Breaker
ESD Notice
Figure 7:

Cell 10: IP Fuse Block--AUX 1, B/U and CHASSIS Circuit Breakers


Object Number: 295369  Size: FS
Power and Grounding Components
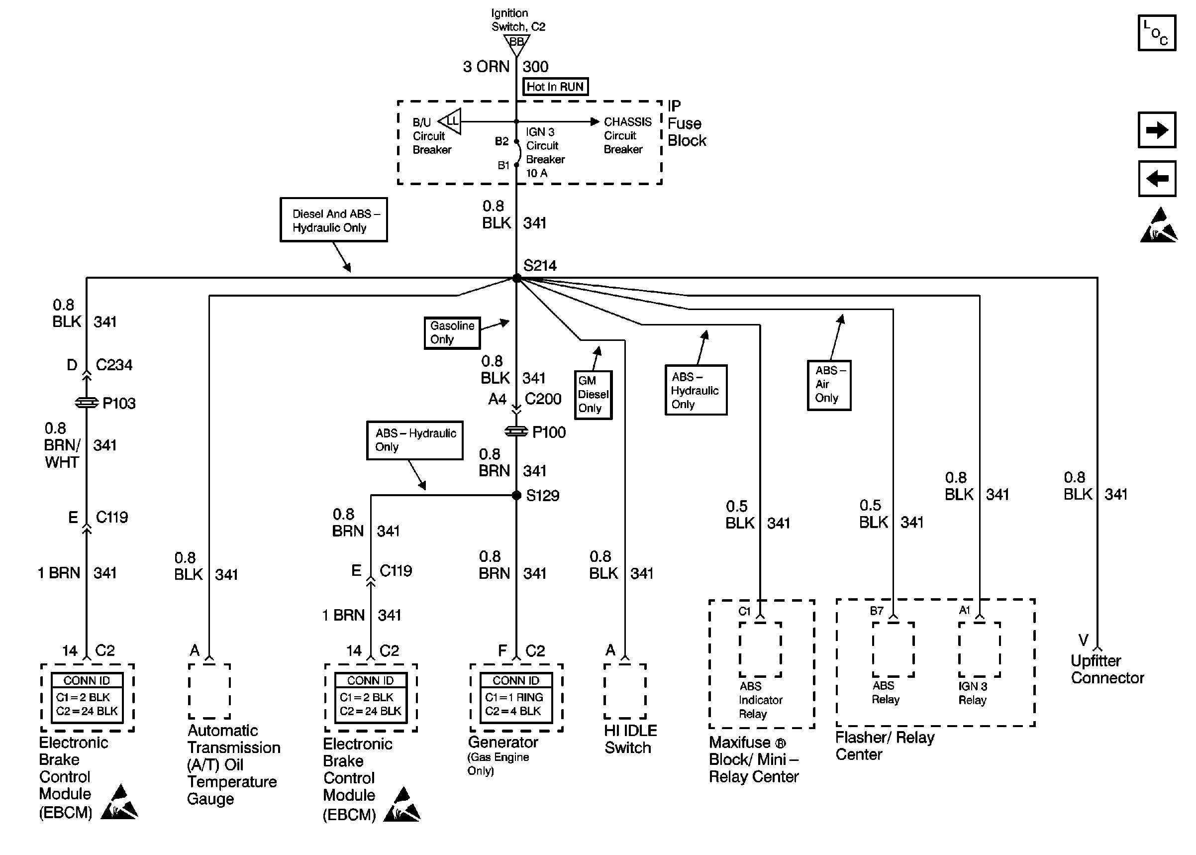
Cell 10: IP Fuse Block, IGN 3 Circuit Breaker
Cell 10: Splice S232
ESD Notice
Figure 8:

Cell 10: IP Fuse Block, IGN 3 Circuit Breaker


Object Number: 295373  Size: FS
Power and Grounding Components
Cell 10: IP Fuse Block-HAZ, HORNS, PNL, STOP LP and TL/MKR Circuit Breakers
Cell 10: IP Fuse Block-AUX 1, B/U and CHASSIS Circuit Breakers
Figure 9:

Cell 10: IP Fuse Block--HAZ, HORNS, PNL, STOP LP and TL/MKR Circuit Breakers


Object Number: 295375  Size: FS
Power and Grounding Components
Cell 10: IP Fuse Block-ECM and FUEL Circuit Breakers
Cell 10: IP Fuse Block, IGN 3 Circuit Breaker
Figure 10:

Cell 10: IP Fuse Block--ECM and FUEL Circuit Breakers


Object Number: 295377  Size: FS
Power and Grounding Components
Cell 10: IP Fuse Block-AUX 2 and START Circuit Breakers
Cell 10: IP Fuse Block-HAZ, HORNS, PNL, STOP LP and TL/MKR Circuit Breakers
ESD Notice
Figure 11:

Cell 10: IP Fuse Block--AUX 2 and START Circuit Breakers


Object Number: 295379  Size: FS
Power and Grounding Components
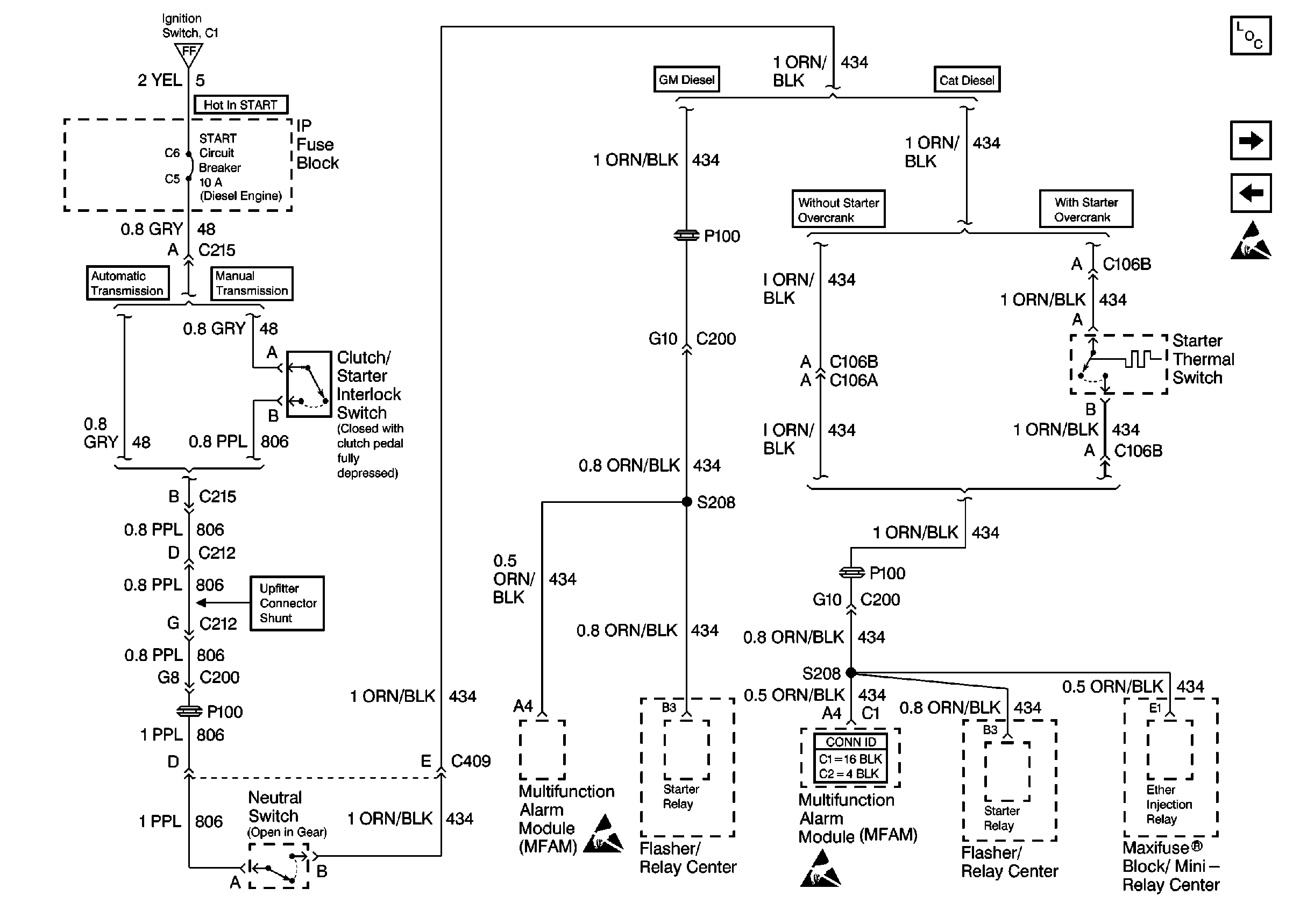
Cell 10: IP Fuse Block, START Circuit Breaker
Cell 10: IP Fuse Block-ECM and FUEL Circuit Breakers
ESD Notice
Figure 12:

Cell 10: IP Fuse Block, START Circuit Breaker


Object Number: 295381  Size: FS
Power and Grounding Components
Cell 10: IP Fuse Block, ENG Circuit Breaker
Cell 10: IP Fuse Block-AUX 2 and START Circuit Breakers
ESD Notice
Figure 13:

Cell 10: IP Fuse Block, ENG Circuit Breaker


Object Number: 311311  Size: FS
Power and Grounding Components
Cell 10: IP Fuse Block,-ACC, AUX 2 and BRK Circuit Breaker
Cell 10: IP Fuse Block, START Circuit Breaker
ESD Notice
Figure 14:

Cell 10: IP Fuse Block,--ACC, AUX 2 and BRK Circuit Breaker


Object Number: 311533  Size: FS
Power and Grounding Components
Cell 10: IP Fuse Block, ENG Circuit Breaker
ESD Notice