GM Service Manual Online
For 1990-2009 cars only
Figure 1:

Cell 14--Batteries. G100, G101, G103, G105, G107, G117, G119, G120, G121, G124, G400, G401, G413 and G414


Object Number: 295382  Size: FS
Power and Grounding Components
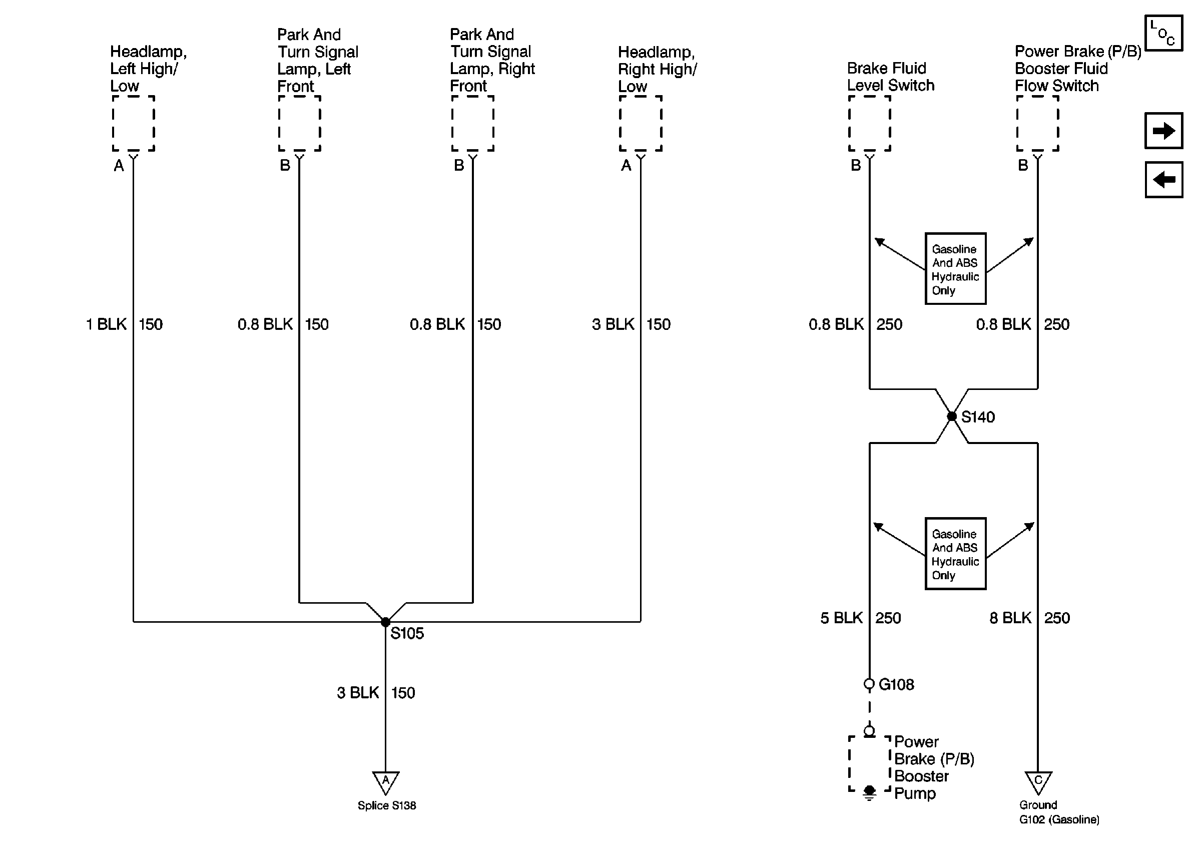
Cell 14: S105 (All) and S140 (Gasoline) Engine
ESD Notice
Figure 2:

Cell 14: S105 (All) and S140 (Gasoline) Engine


Object Number: 295387  Size: FS
Power and Grounding Components
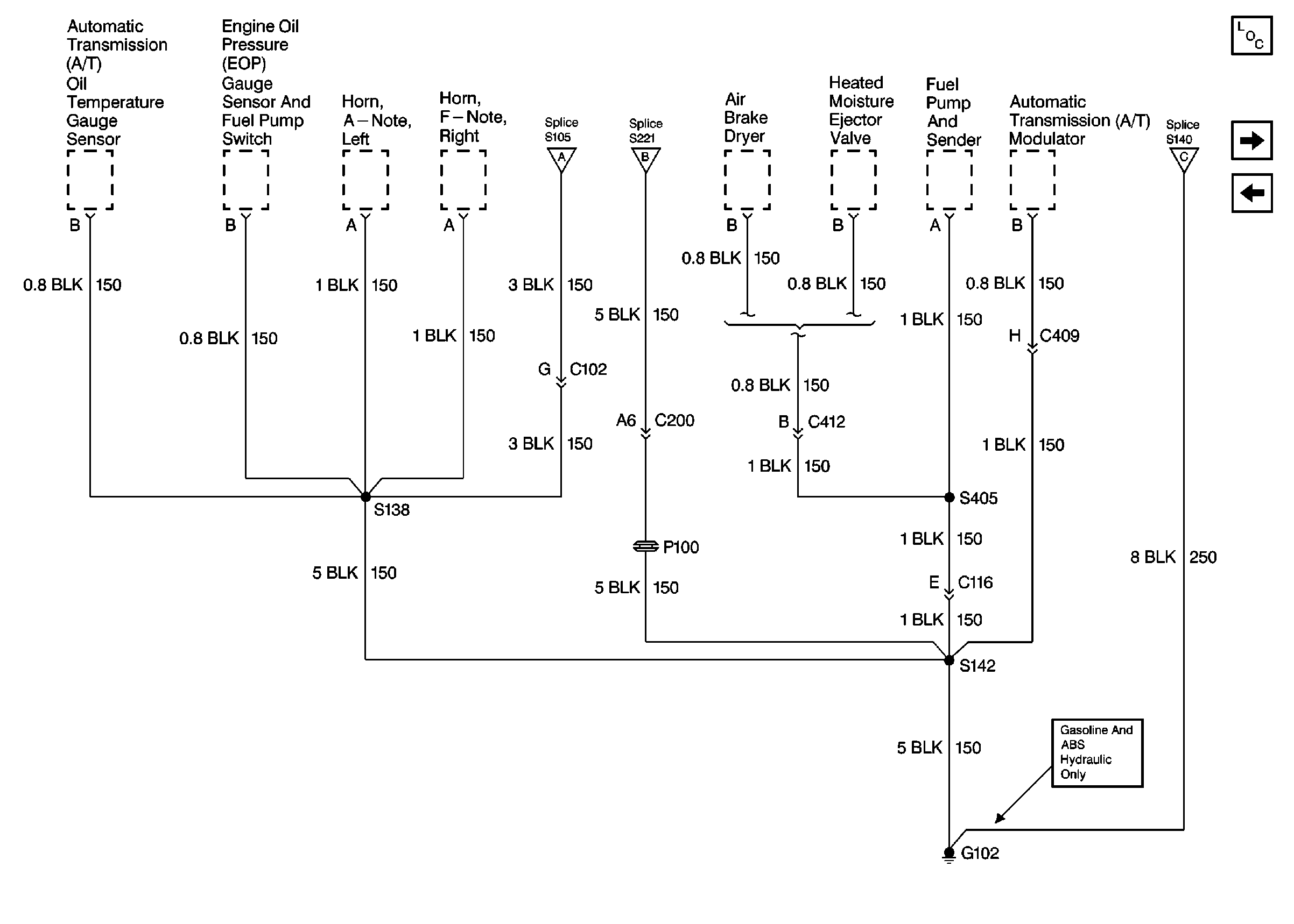
Cell 14: G102, S138, S142 and S405 (Gasoline) Engine
Cell 14-Batteries. G100, G101, G103, G105, G107, G117, G119,G120, G121, G124, G400, G401, G413 and G414
ESD Notice
Figure 3:

Cell 14: G102, S138, S142 and S405 (Gasoline) Engine


Object Number: 295385  Size: FS
Power and Grounding Components
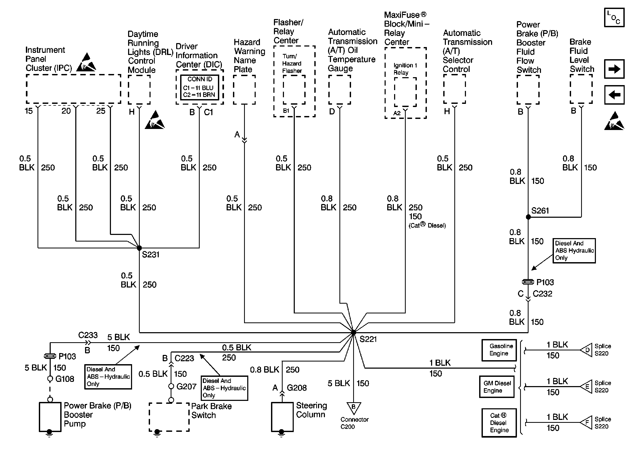
Cell 14-G108, G207, G208, S221, S231 and S261 (Gas) Engine
Cell 14: S105 (All) and S140 (Gasoline) Engine
Figure 4:

Cell 14--G108, G207, G208, S221, S231 and S261 (Gas) Engine


Object Number: 295389  Size: FS
Power and Grounding Components
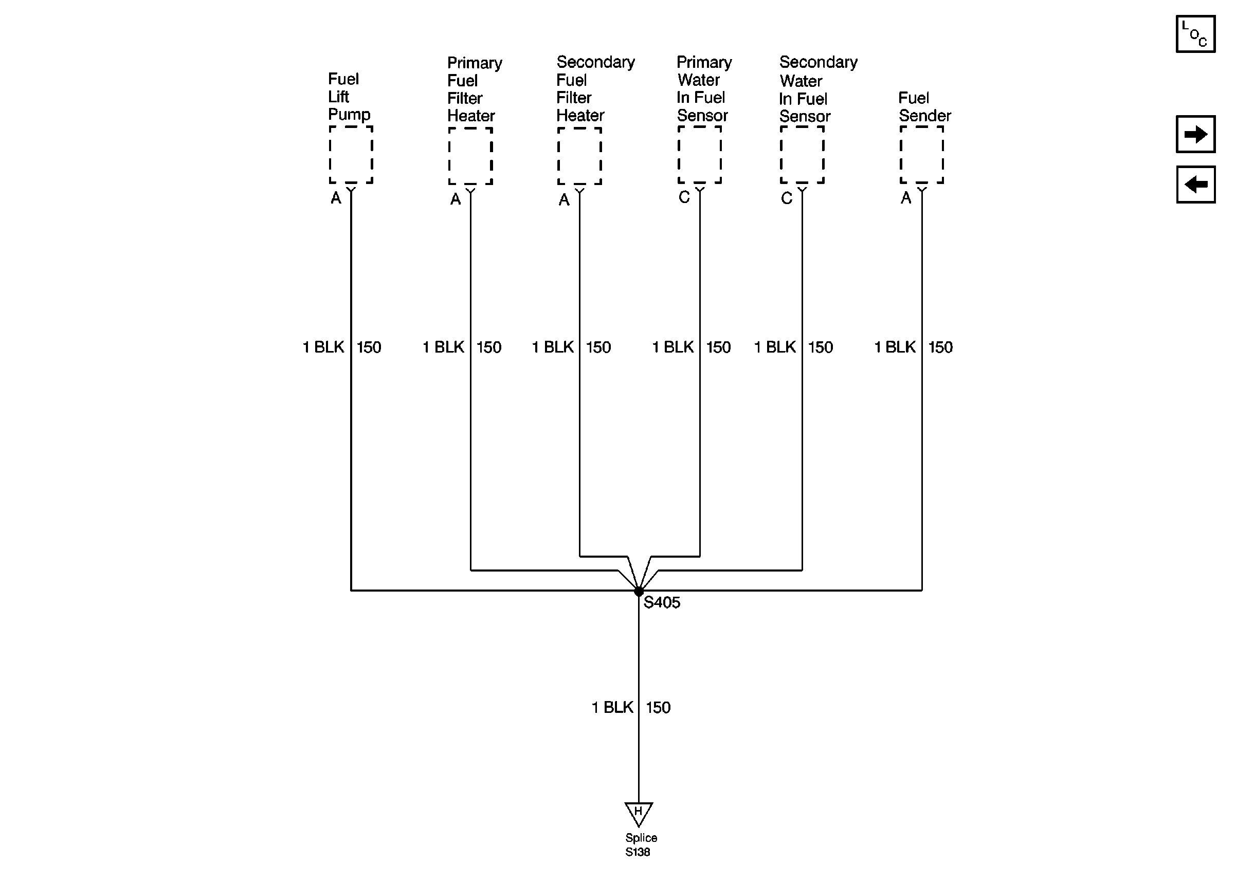
Cell 14: Splice S220 (Gasoline) Engine
Cell 14: G102, S138, S142 and S405 (Gasoline) Engine
ESD Notice
Figure 5:

Cell 14: Splice S220 (Gasoline) Engine


Object Number: 295390  Size: FS
Power and Grounding Components
Cell 14: G106, S141 and S210 (Gasoline) Engine
Cell 14-G108, G207, G208, S221, S231 and S261 (Gas) Engine
ESD Notice
Figure 6:

Cell 14: G106, S141 and S210 (Gasoline) Engine


Object Number: 295391  Size: FS
Power and Grounding Components
Cell 14: Splice S220 (Cat® Diesel) Engine
Cell 14: Splice S220 (Gasoline) Engine
ESD Notice
Figure 7:

Cell 14: Splice S220 (Cat®Diesel) Engine


Object Number: 295393  Size: FS
Power and Grounding Components
Cell 14: S169 and S210 (Cat® Diesel) Engine
Cell 14: G106, S141 and S210 (Gasoline) Engine
ESD Notice
Figure 8:

Cell 14: S169 and S210 (Cat®Diesel) Engine


Object Number: 295405  Size: FS
Power and Grounding Components
Cell 14: G101 , S138 and S405 (Cat® Diesel) Engine
Cell 14: Splice S220 (Cat® Diesel) Engine
ESD Notice
Figure 9:

Cell 14: G101 , S138 and S405 (Cat®Diesel) Engine


Object Number: 295396  Size: FS
Power and Grounding Components
Cell 14: S142, and S241 (Cat® Diesel) Engine
Cell 14: S169 and S210 (Cat® Diesel) Engine
ESD Notice
Figure 10:

Cell 14: S142, and S241 (Cat®Diesel) Engine


Object Number: 295398  Size: FS
Power and Grounding Components
Cell 14: S220, and S261 (GM Diesel) Engine
Cell 14: G101 , S138 and S405 (Cat® Diesel) Engine
ESD Notice
Figure 11:

Cell 14: S220, and S261 (GM Diesel) Engine


Object Number: 295391  Size: FS
Power and Grounding Components
Cell 14: G102, S138, and S142 (GM Diesel) Engine
Cell 14: S142, and S241 (Cat® Diesel) Engine
ESD Notice
Figure 12:

Cell 14: G102, S138, and S142 (GM Diesel) Engine


Object Number: 295401  Size: FS
Power and Grounding Components
Cell 14: S405 (GM Diesel) Engine
Cell 14: S220, and S261 (GM Diesel) Engine
ESD Notice
Figure 13:

Cell 14: S405 (GM Diesel) Engine


Object Number: 295402  Size: FS
Power and Grounding Components
Cell 14: G117, S141, and S210 (GM Diesel) Engine
Cell 14: G102, S138, and S142 (GM Diesel) Engine
ESD Notice
Figure 14:

Cell 14: G117, S141, and S210 (GM Diesel) Engine


Object Number: 295406  Size: FS
Power and Grounding Components
G102-Ignition Switch Bulb Check Circuits 235 and 1134, G102,G207, G208, S142 and S221
Cell 14: S405 (GM Diesel) Engine
ESD Notice
Figure 15:

G102--Ignition Switch Bulb Check Circuits 235 and 1134, G102, G207, G208, S142 and S221


Object Number: 302390  Size: FS
Power and Grounding Components
Cell 14: G117, S141, and S210 (GM Diesel) Engine
ESD Notice